Timing chain tensioner replacement

2003 CHEVROLET CAVALIER
198,566 MILES • 2.2L • 4 CYL • 2WD • MANUAL
Avatar
BUBBLEBOY78
  • MEMBER
  • 3 POSTS
How do I replace the tensioner?
Apr 22, 2020 at 5:56 AM
Advertisement
Avatar
ASEMASTER6371
  • CERTIFIED EXPERT
  • 52,796 POSTS
Good morning,

Why are you replacing the tensioner? Is it making noise?

Usually you replace the chain at the same time.

Roy

Camshaft Timing Chain, Sprockets, and Tensioner Replacement

1. Disconnect the negative battery cable.
2. Remove the No. 1 cylinder spark plug. Refer to Spark Plug Replacement See: Spark Plug > Procedures.
3. Rotate the crankshaft in the engine rotational direction clockwise, until the No. 1 piston is at top dead center (TDC) on the compression stroke.
4. Raise and support the vehicle.
5. Remove the engine front cover. Refer to Engine Front Cover Replacement See: Timing Cover > Procedures.
6. Lower the vehicle.
7. Remove the camshaft cover. Refer to Camshaft Cover Replacement See: Valve Cover > Procedures.


imageOpen In New TabZoom/Print



Important: The timing chain tensioner must be removed to unload chain tension before the timing chain is removed. If not removed, the timing chain will become cocked and it will be difficult to remove.

8. Remove the timing chain tensioner.


imageOpen In New TabZoom/Print



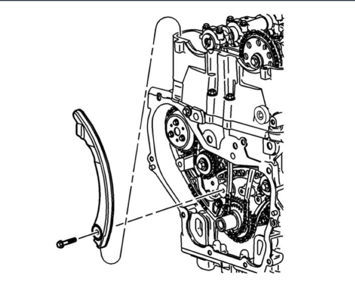
9. Remove the upper timing chain guide.


imageOpen In New TabZoom/Print



10. Use a 24 mm wrench to hold the camshafts from turning.


imageOpen In New TabZoom/Print



11. Remove the exhaust camshaft sprocket bolt and discard.
12. Remove the exhaust camshaft sprocket.


imageOpen In New TabZoom/Print



13. Remove the timing chain tensioner guide.
Apr 22, 2020 at 6:05 AM
Avatar
BUBBLEBOY78
  • MEMBER
  • 3 POSTS
Do I have to pull the engine out to do all this?
Apr 22, 2020 at 8:02 AM
Advertisement
Avatar
ASEMASTER6371
  • CERTIFIED EXPERT
  • 52,796 POSTS
No, this is done with the engine in the car.

It is a tight fit but you can get to the front of the motor from both the upper end and from down under the car.


Roy
Apr 22, 2020 at 8:17 AM
Avatar
BUBBLEBOY78
  • MEMBER
  • 3 POSTS
Thank you. do you know what all I need to do to take it apart to fix it it's making a ticking sound?
Apr 22, 2020 at 8:57 AM
Avatar
ASEMASTER6371
  • CERTIFIED EXPERT
  • 52,796 POSTS
A ticking sound?

Can you upload a video of the noise so I can hear it?

You will need a lot of basic hand tools. You will need a puller for the harmonic balancer and most likely an air gun or electric gun to release the bolt holding the balancer.

Roy
Apr 22, 2020 at 9:02 AM