Timing is off by a lot

1990 MAZDA B2200
250,000 MILES • 2.2L • 4 CYL • 2WD • MANUAL
Avatar
TOOLS4U
  • MEMBER
  • 3 POSTS
Could I set my cam timing at TDC take the belt off and set my Crank at TDC to set timing? It's too off to the point where nothing else has worked.
Dec 29, 2021 at 1:17 PM
Advertisement
Avatar
JACOBANDNICKOLAS
  • CERTIFIED EXPERT
  • 110,175 POSTS
Hi,

I guess it is possible, but I'm not sure how you will manage the tensioner if everything isn't exposed. Do you have the entire belt and covers removed?

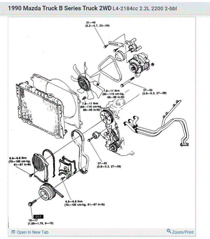
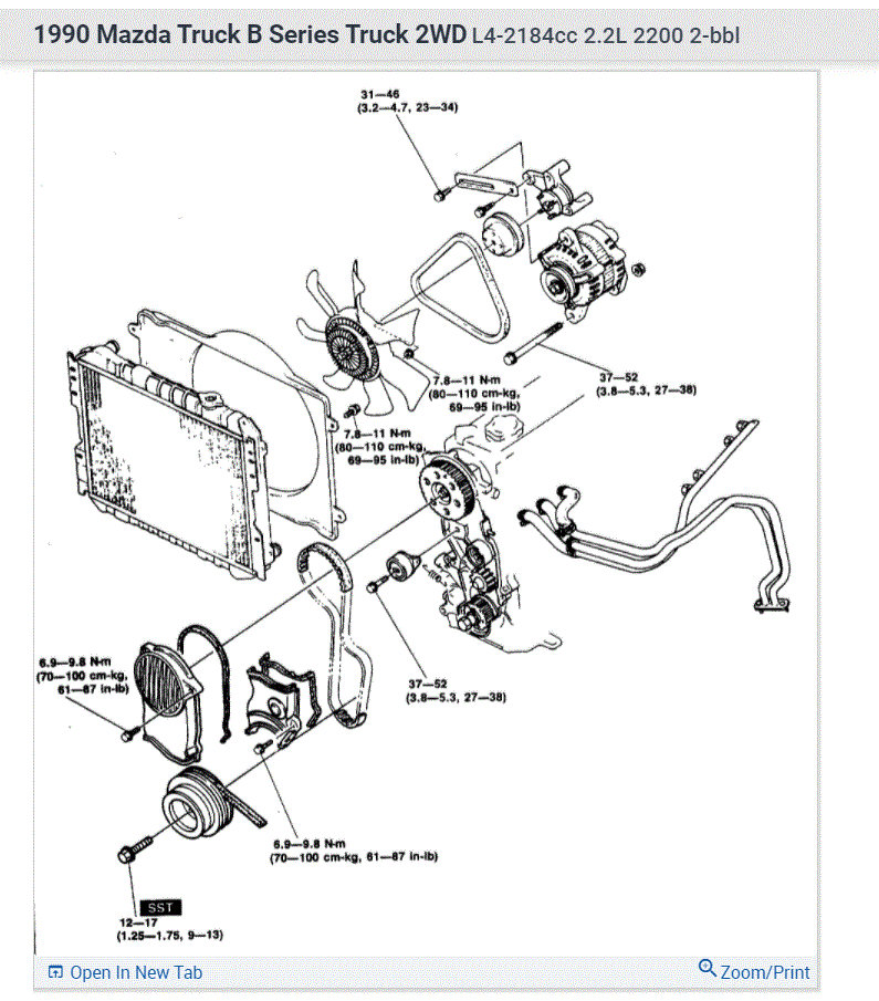
I attached the directions below for the installation of the belt.

Let me know if that helps or if you have other questions.

Take care,

Joe

See pics below.
Dec 29, 2021 at 6:59 PM
Avatar
TOOLS4U
  • MEMBER
  • 3 POSTS
yeah, the cover are all off.
Dec 30, 2021 at 6:40 AM
Advertisement
Avatar
JACOBANDNICKOLAS
  • CERTIFIED EXPERT
  • 110,175 POSTS
Hi,

If the cover is off, follow the directions listed above. If you run into any trouble, let me know.

Let me know how things turn out for you.

Take care and Happy New Year,

Joe
Dec 30, 2021 at 2:54 PM
Avatar
TOOLS4U
  • MEMBER
  • 3 POSTS
hey Joe, thanks for all the help those really helped me, and she runs smooth.
Dec 30, 2021 at 4:36 PM
Avatar
JACOBANDNICKOLAS
  • CERTIFIED EXPERT
  • 110,175 POSTS
Hi,

You are very welcome. I'm glad to hear you got it running. Take care and please feel free to come back anytime in the future. You're always welcome here.

Take care and Happy New Year!!!

Joe
Dec 30, 2021 at 4:54 PM