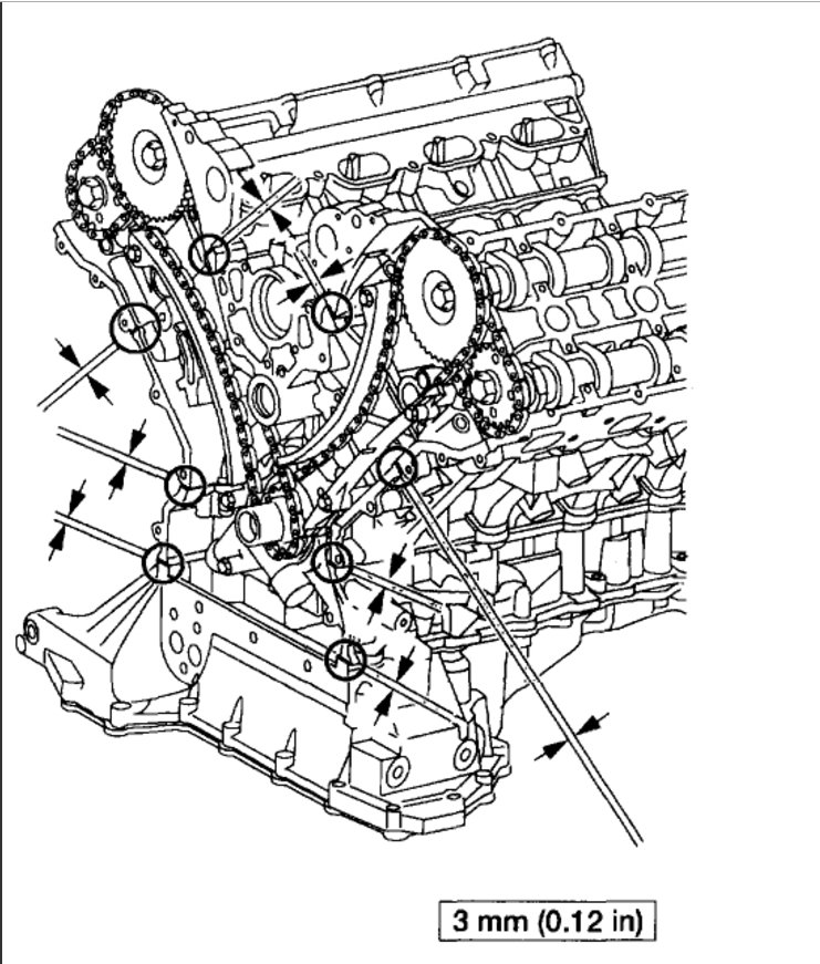
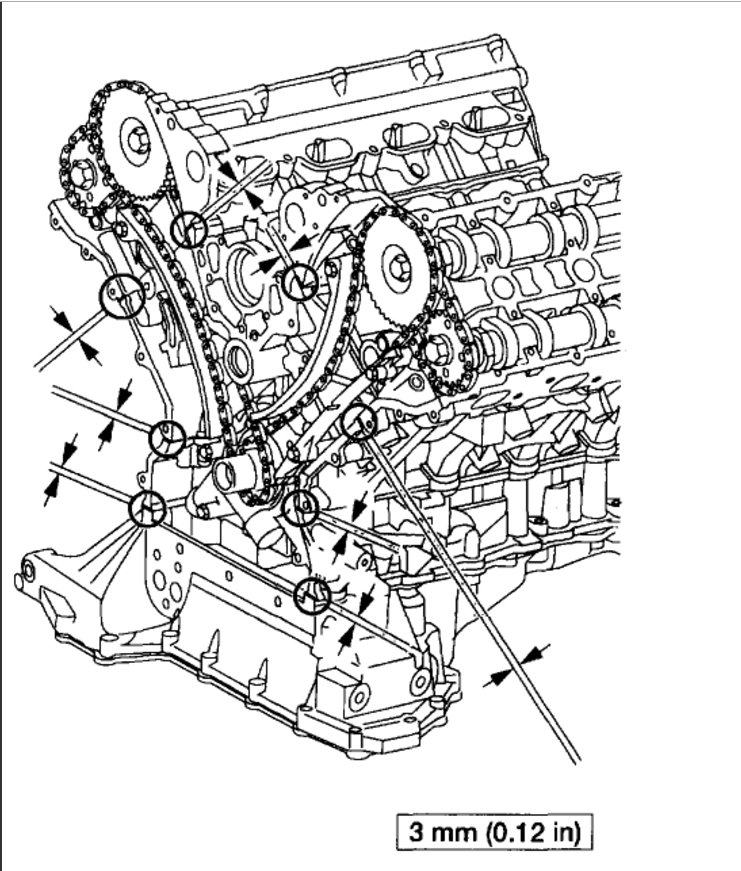
Timing marks

2002 LINCOLN LS
224,500 MILES • 3.9L • V8 • RWD • AUTOMATIC
Avatar
JEFF LINCOLN
  • MEMBER
  • 1 POST
I took the right side head off to fix gasket, now I cannot figure out the timing there are no marks on the gears or chain. please help.
Nov 29, 2016 at 12:33 PM
Advertisement
Avatar
STRAILER
  • CERTIFIED EXPERT
  • 53,855 POSTS
Hey Jeff,

I found this information for you.

Remove the engine front cover. For additional information, see ENGINE FRONT COVER .

Raise the vehicle.

Remove the crankshaft position (CKP) sensor and the torque converter cover.

Fig 2: Removing CKP Sensor

NOTE: There is one window on the ignition pulse wheel that is unique to accept the special tool.
Install the special tool.
Turn the crankshaft to 45 degrees ATDC. The crankshaft keyway will be in the 6 o'clock position.
Install the special tool.
Fig 3: Installing Crankshaft Alignment Gauge

Lower the vehicle.
Make sure the lobes of the camshaft are facing upwards. If not, repeat Step 4.
Fig 4: Locating Correct Cam Position

Install the special tool on the RH cylinder head.
Fig 5: Installing Right Camshaft Aligner

CAUTION: An open-end wrench must be used on the flats of the camshaft or damage to the head will occur.
Loosen the exhaust camshaft sprocket bolt.
Fig 6: Loosening Exhaust Camshaft Sprocket Bolt

CAUTION: An open-end wrench must be used on the flats of the camshaft or damage to the head will occur.
Loosen the intake camshaft sprocket bolt and slide the camshaft sprockets forward on the bolt.

Fig 7: Loosening Intake Camshaft Sprocket Bolt
Remove the RH timing chain tensioner.

Fig 8: Removing Right Timing Chain Tensioner
Remove the tensioner arm.

Fig 9: Removing Tensioner Arm
Remove the timing chain guide.

Fig 10: Removing Timing Chain Guide
Remove the RH primary timing chain.
Remove the special tool from the RH head.

Fig 12: Removing Camshaft Aligner From Right Head
Install the special tool on the LH head.


Fig 13: Installing Camshaft Aligner On Left Head
CAUTION: An open-end wrench must be used on the flats of the camshaft or damage to the cylinder head will occur. Loosen the exhaust camshaft sprocket bolt.

Fig 14: Loosening Exhaust Camshaft Sprocket Bolt
CAUTION: An open-end wrench must be used on the flats of the camshaft or damage to the cylinder head will occur. Loosen the intake sprocket bolt and slide the camshaft sprockets forward on the bolts.

Fig 15: Loosening Intake Camshaft Sprocket Bolt
Remove the LH timing chain tensioner.

Fig 16: Removing Left Timing Chain Tensioner
Remove the tensioner arm.

Fig 17: Removing Tensioner Arm
Remove the timing chain guide.

Fig 18: Removing Timing Chain Guide
Remove the LH primary timing chain and crankshaft sprocket as an assembly.

Fig 19: Removing Left Primary Timing Chain

Installation

Reset the timing chain tensioners.
Hold the lever toward the tensioner piston.
Using finger pressure, compress the tensioner.
Push the lever down and install a drill rod to lock the piston.
Fig 20: Resetting Timing Chain Tensioners
NOTE: The camshaft holding tool should still be installed on the LH cylinder head.
Position the LH timing chain and crankshaft gear.
Position the timing chain over the LH intake camshaft sprocket.
Position the crankshaft gear in the timing chain.
Position the timing chain and crankshaft gear over the crankshaft as an assembly.

Fig 21: Installing Left Timing Chain
Install the LH timing chain guide.

Fig 22: Installing Left Timing Chain Guide
Install the LH timing chain tensioner arm.

Fig 23: Installing Left Timing Chain Tensioner Arm
Install the LH timing chain tensioner.
Install the timing chain tensioner and bolts.
Remove the drill rod.

Fig 24: Installing Left Timing Chain Tensioner
Install a tie strap to take up the slack in the timing chain.

Fig 25: Installing Tie Strap

NOTE: The exhaust camshaft sprocket bolt must be fully tightened before tightening the intake camshaft sprocket bolt.
Using the special tool, apply 10 Nm (89 lb-in) counterclockwise to the LH exhaust camshaft sprocket and tighten the camshaft sprocket bolts in two stages.
Stage 1: Tighten to 20 Nm (15 lb-ft).
Stage 2: Tighten an additional 90 degrees.

Fig 26: Tightening Camshaft Sprocket Bolts
Remove the special tool.

Fig 27: Removing Camshaft Aligner
Remove the tie strap.
Install the special tool on the right cylinder head.

Fig 28: Installing Camshaft Aligner On Right Cylinder Head
Position the RH timing chain over the RH intake camshaft sprocket and over the crankshaft gear.

Fig 29: Installing Right Timing Chain
Install the RH timing chain guide.

Fig 30: Installing Right Timing Chain Guide
Install the RH timing chain tensioner arm.

Fig 31: Installing Right Timing Chain Tensioner Arm
Install the RH timing chain tensioner.
Install the timing chain tensioner and bolts.
Remove the drill rod.

Fig 32: Installing Right Timing Chain Tensioner
Install a tie strap to take up the slack in the timing chain.

Fig 33: Installing Tie Strap
NOTE: The exhaust camshaft sprocket bolt must be fully tightened before tightening the intake camshaft sprocket bolt.
Using the special tool, apply 10 Nm (89 lb-in) counterclockwise to the RH exhaust camshaft sprocket and tighten the camshaft sprocket bolts in two stages.
Stage 1: Tighten to 20 Nm (15 lb-ft).
Stage 2: Tighten an additional 90 degrees.

Fig 34: Tightening Camshaft Sprocket Bolts
Remove the special tool.
Remove the tie strap.

Fig 35: Removing Camshaft Aligner
Raise the vehicle.
Remove the special tool.

Fig 36: Removing Crankshaft Alignment Gauge
Install the CKP sensor and the torque converter cover.

Fig 37: Installing CKP Sensor
Lower the vehicle.

See images below,

Please let us know happens so it will help others.

Best, Ken
Dec 1, 2016 at 1:05 PM
Avatar
NSCURO
  • MEMBER
  • 2 POSTS
I have a 2001 lincoln ls that the secondary tensioners went. I Pulled valve covers and confirmed.. I ordered 2 new chains with master links and two new tensioners. I Cut the old chains off without lining up the motor with the special tools. I did not move the cams but this motor has no timing marks. Any idea how to make sure cams are in time with crank?
Jul 10, 2020 at 12:19 PM (Merged)
Advertisement
Avatar
JACOBANDNICKOLAS
  • CERTIFIED EXPERT
  • 110,175 POSTS
Here are the instruction to remove the timing cover, the marks are in the post above. Check out the diagrams (Below). Please let us know what happens.
Jul 10, 2020 at 12:19 PM (Merged)
Avatar
NSCURO
  • MEMBER
  • 2 POSTS
Thank you i have that diagram.. Thats explaining if i was changing master chains as well.. I had a secondary chain failure and im not touching the main chains at all. my main timing is still untouched but my timing on the exhaust cams may be off im not sure.. From what ive seen and researched there is no timing marks on the cam gears.. Should i do it as if i was lining the whole motor up?
Jul 10, 2020 at 12:20 PM (Merged)
Avatar
JACOBANDNICKOLAS
  • CERTIFIED EXPERT
  • 110,175 POSTS
That is what I would recommend. I can't believe there are no marks. There may be a special tool or something. Ford has several of those.

Have a good Thanksgiving, and let me know how things go.
Joe
Jul 10, 2020 at 12:20 PM (Merged)
Avatar
GOFASTLX
  • MEMBER
  • 1 POST
Six cylinder two wheel drive automatic 102,000 miles.

I am looking for a timing chain diagram to show the marks on the gears for the Lincoln LS 3.0 Duratec. I have one for the Taurus 3.0 Duratec but it does not seem right. I bring the number one piston to TDC and the crank gear is at 11:00 position. When I place the cams with the marks as they are shown in the diagram for the Taurus 3.0 Duratec engine, the exhaust valves hit the piston on the left hand side of the engine. The engine is on a stand and I do not force the cams around to avoid damaging the valves. Do you have a diagram of timing marks for the Lincoln LS 3.0 Duratec 2000? Thanks.
Jul 10, 2020 at 12:20 PM (Merged)
Avatar
IMPALASS
  • CERTIFIED EXPERT
  • 3,112 POSTS
Hello,


https://www.2carpros.com/forum/automotive_pictures/248015_84785203_1.gif

CAUTION:Rotating the crankshaft in a counterclockwise direction may cause engine damage. Crankshaft journals are directionally machined. Rotating the crankshaft counterclockwise can raise burrs on bearing surfaces, reducing engine life. Verify that the crankshaft keyway is in the nine o'clock position.


https://www.2carpros.com/forum/automotive_pictures/248015_84785204_1.gif

Caution:The crankshaft key-way must remain in the nine o'clock position until the cams are located, or damage to the valves may occur. Rotate the left hand and right hand intake and exhaust camshafts to locate them in their neutral positions.
Jul 10, 2020 at 12:20 PM (Merged)
Avatar
LEECOLLIER
  • MEMBER
  • 2 POSTS
I need the timing chain settings for the Lincoln is 3.9 v8 with the primary and secondary chains. you have the picture for v6.
Jul 10, 2020 at 12:20 PM (Merged)
Avatar
BIGGE
  • MEMBER
  • 1 POST
None of my books have any info on how to time a 3.9 i need diagrams and info on how to time engine
Jul 10, 2020 at 12:20 PM (Merged)
Avatar
BLUELIGHTNIN6
  • CERTIFIED EXPERT
  • 16,542 POSTS


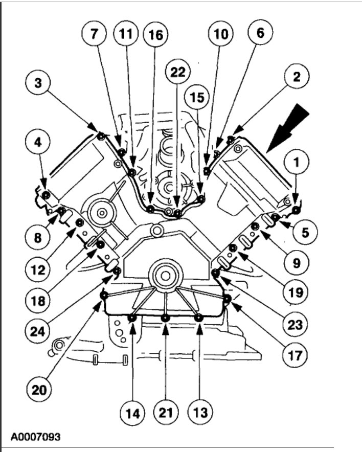
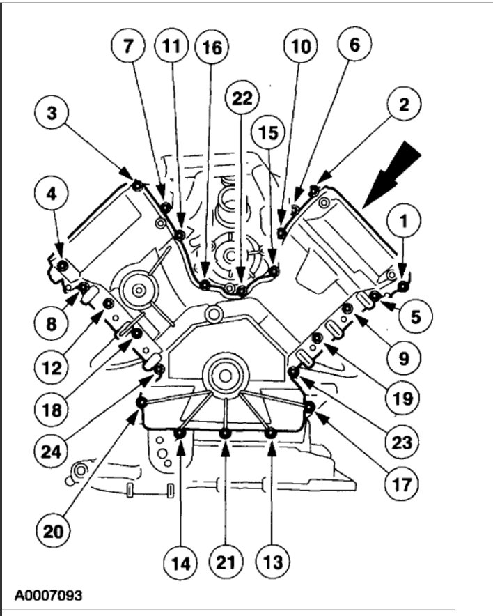
https://www.2carpros.com/forum/automotive_pictures/261618_Noname_2190.jpg


https://www.2carpros.com/forum/automotive_pictures/261618_Noname2_710.jpg


https://www.2carpros.com/forum/automotive_pictures/261618_Noname3_266.jpg

FIG. 1


https://www.2carpros.com/forum/automotive_pictures/261618_1_172.jpg

Jul 10, 2020 at 12:20 PM (Merged)