high beams not working

1999 TOYOTA CAMRY
Avatar
DUFJR
  • MEMBER
  • 2 POSTS
Electrical problem 6 cyl Front Wheel Drive Automatic 121100 miles

My high beams dont work . i already changed the bulbs the dimmer switch still no luck . i found a relay right behind left headlight but don't know how to check if its good or bad or if its the problem . i hope someone can help me out

thanks dufjr
Nov 18, 2008 at 6:47 PM
Advertisement
Avatar
JAMES W.
  • CERTIFIED EXPERT
  • 2,394 POSTS
Hello,

It sounds like the headlight switch itself is bad but to be sure let's check the relays and fuses related to the system. Here are some guides and some headlight wiring diagrams and fuse location.

https://www.2carpros.com/articles/how-to-check-a-car-fuse

and

https://www.2carpros.com/articles/how-to-check-an-electrical-relay-and-wiring-control-circuit

and

https://www.2carpros.com/articles/how-to-use-a-test-light-circuit-tester

(Check out the diagrams below)

Please let us know what you find.

Cheers, Ken
Nov 18, 2008 at 10:41 PM
Avatar
DUFJR
  • MEMBER
  • 2 POSTS
After running some tests that you gave me I figured out the switch was bad once I replaced it everything started working again. Than ks 2Carpros! I love this free site
Nov 19, 2008 at 7:59 AM
Advertisement
Avatar
IMPALASS
  • CERTIFIED EXPERT
  • 3,112 POSTS
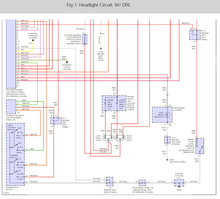
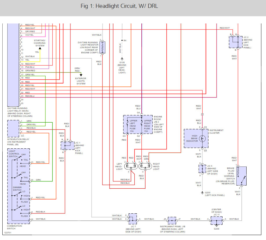
Hello, I was writing this up at the same time you where submitting your response LOL. Glad you got it fixed I hope this information I have gather will help someone else. Next, I have attached the troubleshooting chart for your problem. Based off of the headlights work, just the hi-beams don't work, the first thing they say you changed......the Dimmer Switch. Next is the light control switch. I have attached that for your review and check out. Last you may have some recalls on your vehicle - so if you would like those please provide me with the correct mode.


https://www.2carpros.com/forum/automotive_pictures/248015_Picture13_1.jpg


https://www.2carpros.com/forum/automotive_pictures/248015_Picture14_1.jpg

Okay, so we get on the same page here.......I think the manual is a little confusing and we are saying different things but thinking we are saying the same thing.........see what you think....gee, even my explanation is confusing....... When you said the hi beams only do not work - as you see by the troubleshooting chart below, there are several things - even head lamps work tail lights no. You might check your tail lights though.....do all of these checks to make sure it is really "just" the high beams.


https://www.2carpros.com/forum/automotive_pictures/248015_Troubleshoot_Chart_2.jpg

When you look at the red arrow - that is hi beams only do not work. I understand that to mean low does. So your low beams do work if I understand you. Okay, as you see the first thing it says is probably the Headlight Dimmer Switch. This is where it gets going.....so hold on. You said you replaced the dimmer switch. Below is the pic of the "dimmer switch" in the manual. Probably not what you replaced I am sure.


https://www.2carpros.com/forum/automotive_pictures/248015_Dimmer_Switch_1.jpg

Now it says to go to the Light Control Switch, which I gave you.....but this is actually what you replaced....right?


https://www.2carpros.com/forum/automotive_pictures/248015_1_88.jpg

Okay, this is a two part switch....I have attached these. They have different checks as you see. The headlight dimmer switch is part of the light control switch.....the light control switch has different check.


https://www.2carpros.com/forum/automotive_pictures/248015_Dimmer_Switch_2.jpg


https://www.2carpros.com/forum/automotive_pictures/248015_Light_Control_Switch_1.jpg

I know - well I think I know you replaced this entire switch which should be both of them. But would you please do the separate checks to see how if it works and let me know. Next, I have provided the test for the Head lamp relay


https://www.2carpros.com/forum/automotive_pictures/248015_Head_Lamp_Relay_1.jpg

The test for the dimmer relay


https://www.2carpros.com/forum/automotive_pictures/248015_Dimmer_Relay_1.jpg

The test for the daylight relay


https://www.2carpros.com/forum/automotive_pictures/248015_Daylight_Relay_1.jpg

The location of all to include the two fuses for Rt and Lt headlamps.


https://www.2carpros.com/forum/automotive_pictures/248015_Picture9_3.jpg


https://www.2carpros.com/forum/automotive_pictures/248015_Dim_Relay_location_1.jpg


https://www.2carpros.com/forum/automotive_pictures/248015_Location_1.jpg


https://www.2carpros.com/forum/automotive_pictures/248015_location_2_1.jpg

We love this site too!
Nov 19, 2008 at 11:16 PM
Avatar
DULUXE2000
  • MEMBER
  • 14 POSTS
Hi IMPALASS,

I have similar problem with my Toyota Avalon 2002. I checked fuses and relay, they are ok. Now I need to test the light control switch and dimmer switch, and wonder if the above tests are applicable to my car ?

Btw, where do you get those pictures from ? Which manual did you talk about ? Can I download/order/buy it ?

Thanks,
Apr 15, 2018 at 3:01 AM
Avatar
STRAILER
  • CERTIFIED EXPERT
  • 53,855 POSTS
We can get you any diagram you need to get the problem fixed but this is an old post can you please copy this and make a new post?

Please post your question here.

https://www.2carpros.com/questions/new

Cheers, Ken
Apr 18, 2018 at 11:56 AM
Avatar
STEVE W.
  • CERTIFIED EXPERT
  • 15,113 POSTS
The wiring in the 2002 is different as are the controls. The first question is, do you have the automatic headlamps or a manual switch and DRLs?
Then what is the problem, only the high beams are out or?

We use a few sources of information. Basically the same ones that most shops use. Alldata, Mitchell and a few others depending on the person answering the question.
Some of those are available as DIY sources for a yearly fee. The first two are much better than the last two.
http://www.eautorepair.net/app/YearsMakes.asp
http://alldatadiy.com/
https://www.chiltondiymanuals.com/
https://haynes.com/en-us/car-manuals

Or see if you can get a copy or online access to the factory service books for your car, just do not be surprised if they are very expensive. Until a few years ago you could get printed service manuals for most vehicles, now most are electronic only unless specially ordered.
Apr 18, 2018 at 12:32 PM
Avatar
WADEBRAT
  • MEMBER
  • 3 POSTS
The High beams won't work. I had a low beam burn out, then a month later the high beams wouldn't work either. I've replaced the bulbs & checked the relay by switching it out with another good one. The flash will not work either. Thanks for any help I get!!!
Mar 6, 2019 at 2:14 PM (Merged)
Avatar
RASMATAZ
  • CERTIFIED EXPERT
  • 75,992 POSTS
Check and test all the fuses in the fuse and relay panel, if all okay -test the combo switch/head switch
Mar 6, 2019 at 2:14 PM (Merged)
Avatar
WADEBRAT
  • MEMBER
  • 3 POSTS
[quote:0ba8fd9e33="rasmataz"]Check and test all the fuses in the fuse and relay panel, if all okay -test the combo switch/head switch[/quote:0ba8fd9e33]

Is this the switch on the steering column You're referring to? I have checked the fuses and the relay panel... they're ok...
Mar 6, 2019 at 2:14 PM (Merged)
Avatar
RASMATAZ
  • CERTIFIED EXPERT
  • 75,992 POSTS
Yes the combination switch on the steering column
Mar 6, 2019 at 2:14 PM (Merged)
Avatar
WADEBRAT
  • MEMBER
  • 3 POSTS
[quote:5e3a6e360d="rasmataz"]Yes the combination switch on the steering column[/quote:5e3a6e360d]

Thank You!!!
Mar 6, 2019 at 2:14 PM (Merged)