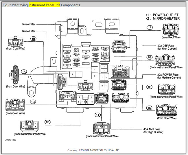
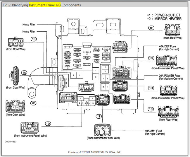
I have a 2000 v6 LE camry with 65K milegage on it. My car's dome light is not glowing and I checked the bulb and it is good. I was trying to check the fuse (one under the change holder and one under the hood) and could not find any fuse labeled by "dome". How could I find and replace it. All other interiors (Radio, dashboard) are working fine.
Thanks and I appreciate your time.
Thanks and I appreciate your time.
May 21, 2007 at 12:06 PM












