Transmission not shifting properly?

2007 JAGUAR XK
70,000 MILES • 4.2L • V8 • 2WD • AUTOMATIC
Avatar
ALEJANDROGODU
  • MEMBER
  • 1 POST
I recently went to shift into park and the shifter on my car shifted all the way into park, but the car registers the vehicle as being in reverse. The car won’t start as it’s in reverse and the shifter won’t move from park back into reverse. Any clue what could cause that?
Nov 15, 2022 at 1:48 PM
Advertisement
Avatar
STRAILER
  • CERTIFIED EXPERT
  • 53,855 POSTS
Yep, this happens when the "not in park" switch is not in adjustment or the shift cable has stretched. You might be able to adjust it by following the instructions in the images below. We should do a CAN scan to see what's going on as well. You can get a CAN scanner (Controller Area Network) from Amazon from about $32.00.

Here is a video to show you how:

https://youtu.be/u-4syLc-ifQ

and

https://www.2carpros.com/articles/can-scan-controller-area-network-easy

Amazon CAN scanner link:

https://amzn.to/3sX8MCX

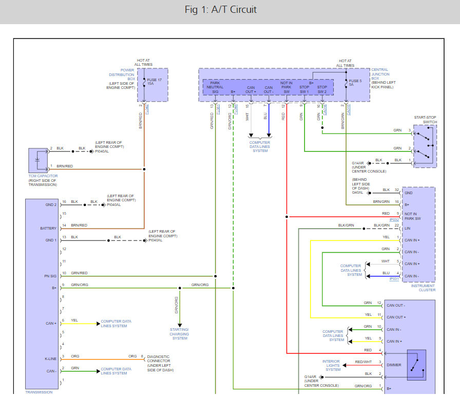
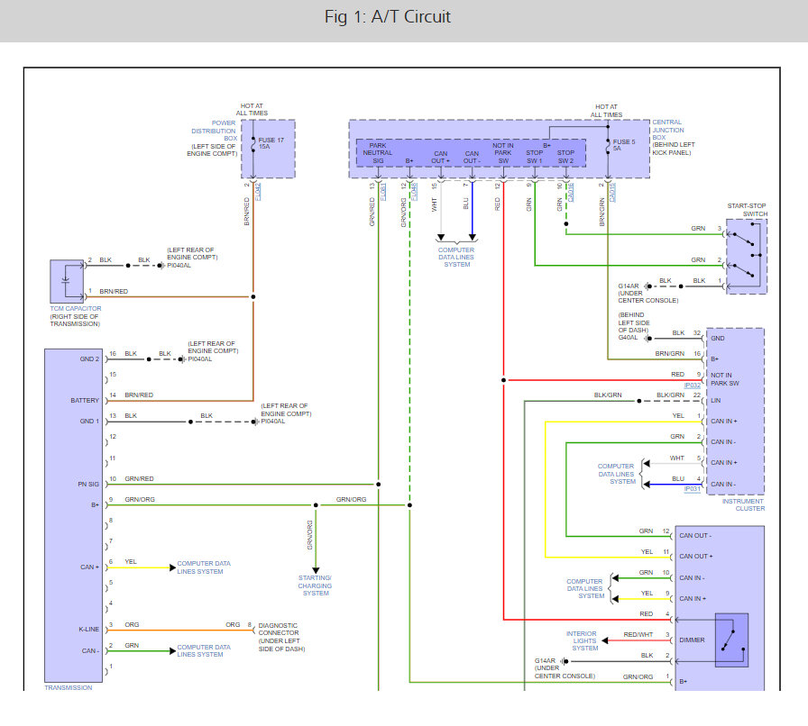
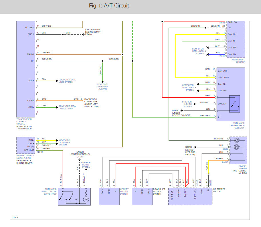
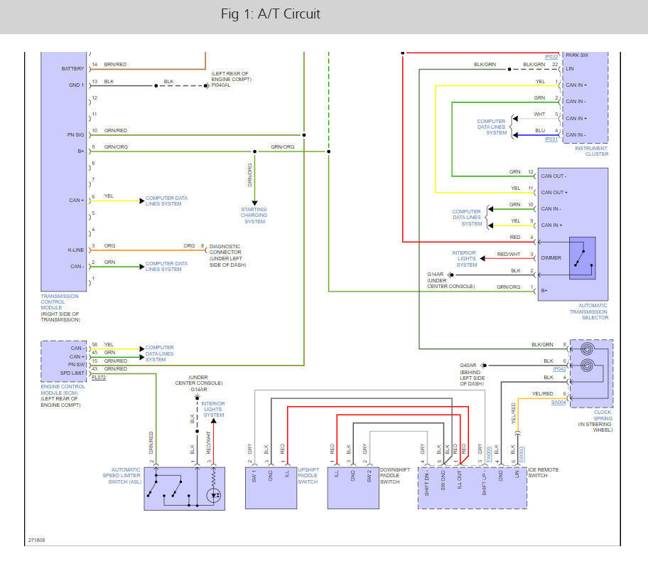
Here is the transmission wiring diagram so you can see how the system works as well. Check out the images (below). Let us know what happens and please upload pictures or videos of the problem.
Nov 16, 2022 at 11:06 AM