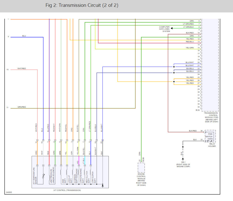
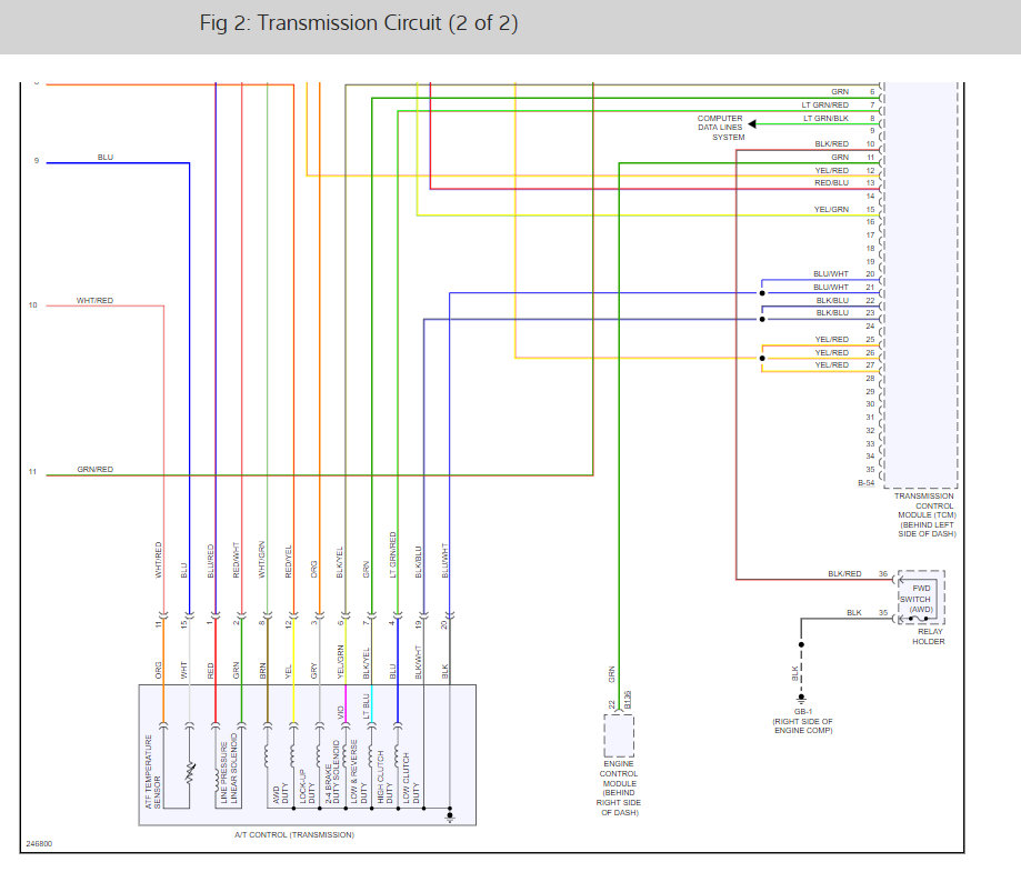
I just changed my head gaskets in my vehicle. now it starts and idles fine no stumbling or knocking it idles smooth. The thing is when you put it in drive it shifts but if you put it to the floor it will go but when it is time to shift it will hit the shut off or rev limiter until you take your foot off it. When it's in high gear and you put it to the floor it will jerk and hit the shut off or rev limiter. It does feel like it's slipping a bit it shifts hard, thing is it didn't do this until I change the head gasket.Is my timing off or what? The engine light is blinking on and off real fast and the AT oil temperature light does the same as the engine light. I had a friend put his code reader on it and it says something about an auto transmission control module is that my whole issue or did I mess up something in the timing? If it is the auto transmission control module where exactly is it?
Jan 15, 2020 at 12:37 PM








