My transmission stopped shifting gears.
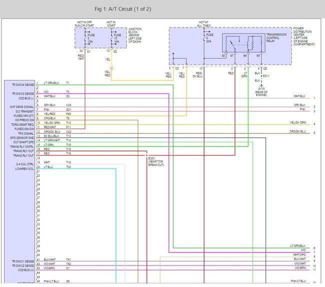
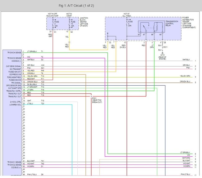
We reset the codes. but it still does not work. The code above is what shows up. My son rechecked the code. It still came up P1748. He did find out that it is listed as a manufactures specific code. It is listed as a low pressure switch in the transmission. Any ideas if this is something we can fix ourselves?
We reset the codes. but it still does not work. The code above is what shows up. My son rechecked the code. It still came up P1748. He did find out that it is listed as a manufactures specific code. It is listed as a low pressure switch in the transmission. Any ideas if this is something we can fix ourselves?
Feb 25, 2017 at 4:58 PM

