Transmission not engaging?

2014 CHEVROLET MALIBU
200,000 MILES • 2.5L • 4 CYL • 2WD • AUTOMATIC
Avatar
DIETERGENSER
  • MEMBER
  • 3 POSTS
Recently my car's transmission light panel instead of showing the P R N D 1 2 M lights in normal colors they turn green and car does not drive. This does not happen every time and during driving if it happens the car loses power. Scanner gave faulty ground on harness and faults on all transmission modules. Got ground fixed and drove okay. Now after a week again it happens again green light on transmission panel and wont engage. Turn off and on then it will again engage. can someone help with this or has somebody have this problem?
Jan 10, 2021 at 5:21 AM
Advertisement
Avatar
ASEMASTER6371
  • CERTIFIED EXPERT
  • 52,796 POSTS
Good morning,

Can you give me the code numbers that were set?

https://www.2carpros.com/articles/checking-a-service-engine-soon-or-check-engine-light-on-or-flashing

How long since you changed the transmission fluid? The dirty fluid will cause this issue.

https://www.2carpros.com/articles/automatic-transmission-problems

https://www.2carpros.com/articles/how-to-service-an-automatic-transmission

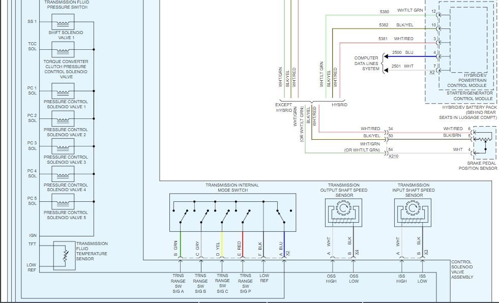
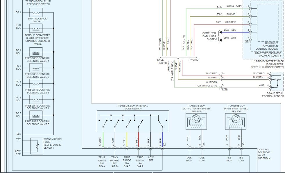
I attached the wiring diagram of the system for you to view.

https://www.2carpros.com/articles/how-to-check-wiring

Roy

Jan 10, 2021 at 7:14 AM
Avatar
DIETERGENSER
  • MEMBER
  • 3 POSTS
Good day thanks for the quick reply. Did change automatic transmission fluid which was indeed dirty and black. But still every now and then the same problem persists. Transmission lever moves but the lights either don't go on or turn green. After restarting a couple of times it will engage normally.
Jan 13, 2021 at 10:05 AM
Advertisement
Avatar
ASEMASTER6371
  • CERTIFIED EXPERT
  • 52,796 POSTS
I would consider changing the fluid a few more times. You need to get clean red fluid so the valve body works right.

Roy
Jan 13, 2021 at 10:25 AM
Avatar
DIETERGENSER
  • MEMBER
  • 3 POSTS
Okay. yes, that is exactly what I will do. I thank you very much for your help.
Jan 13, 2021 at 10:36 AM
Avatar
ASEMASTER6371
  • CERTIFIED EXPERT
  • 52,796 POSTS
You are welcome.

Always glad to help.

Roy
Jan 13, 2021 at 10:49 AM
Avatar
  • MEMBER
  • 6 POSTS
When I start the car and put it in reverse the car does not move. I take the car out to drive and the car like drops out of gear and then catches again. Just started this problem.

Done this to the wife and she is becoming afraid of it. Apparently upon reading there has been many problems with the transmission of this year of car. What should I look for?

Transmission oil was overfilled and is a brownish/black looking but does not smell burnt. Some metal shavings. Please advise if you would.
Jan 29, 2021 at 11:14 AM (Merged)
Avatar
STRAILER
  • CERTIFIED EXPERT
  • 53,855 POSTS
Please drain some fluid out of the transmission to obtain the correct level. Next can I ask if the gear selector lights are working correctly because if they are not the transmission range sensor needs to be replaced. Here is a diagrams to help you see what you are in for when doing the job:

Check out the diagrams (below). Please let us know what happens.

Cheers, Ken
Jan 29, 2021 at 11:14 AM (Merged)
Avatar
  • MEMBER
  • 6 POSTS
You are showing me a diagram for a 3.5.
This is a 2.4 Malibu?
2010 Chevrolet Malibu 2.4 engine?
Does this work the same on 2.4?
Thanks, Rick
Jan 29, 2021 at 11:14 AM (Merged)
Avatar
  • MEMBER
  • 6 POSTS
Gear selector lights are working in each gear.
Please advise?
Thanks Rick
Jan 29, 2021 at 11:14 AM (Merged)
Avatar
STRAILER
  • CERTIFIED EXPERT
  • 53,855 POSTS
Yes it is the same. Let try to service the transmission. Here is a guide and diagrams to show you how. Also, lets run the codes to see if a turbine shaft speed sensor is out.

https://www.2carpros.com/articles/how-to-service-an-automatic-transmission

and

https://www.2carpros.com/articles/checking-a-service-engine-soon-or-check-engine-light-on-or-flashing

Check out the diagrams (below).
Jan 29, 2021 at 11:14 AM (Merged)
Avatar
  • MEMBER
  • 6 POSTS
I used a code reader and there were no codes?
I took the fluid check plug out and it seems like the transmission fluid was overfilled almost a gallon.
It looks grayish black but no burnt smell. There is metal in it and a small chuck of metal seem to have come out of the hole but don't know how?
I am not sure but was hoping for small cost not large.
So whats next. I appreciate your help.
You did not want me to drain the transmission fluid did you?
Thanks Rick
Jan 29, 2021 at 11:14 AM (Merged)
Avatar
STRAILER
  • CERTIFIED EXPERT
  • 53,855 POSTS
Yes, I would drain it all and refill with new fluid careful not to overfill. Here is a guide to help you see what you are in for when doing the job:

https://www.2carpros.com/articles/how-to-service-an-automatic-transmission

Please run down this guide and report back.
Jan 29, 2021 at 11:14 AM (Merged)
Avatar
  • MEMBER
  • 6 POSTS
Okay, everything is changed and done. No change is seen now what? Spent a lot of money to have nothing change? $10.00 a quart for eight quarts of transmission oil plus $55.95 for filter.
Jan 29, 2021 at 11:14 AM (Merged)
Avatar
STRAILER
  • CERTIFIED EXPERT
  • 53,855 POSTS
It is worth a try instead of installing a rebuilt unit when all you had to do is service the unit. The next thing I would try is to replace the pressure control solenoid which when it goes bad will dump pressure causing the transmission to drop out of gear. Let me know.
Jan 29, 2021 at 11:14 AM (Merged)
Avatar
  • MEMBER
  • 6 POSTS
I do not believe I have a diagram for solenoid?
Thanks, Rick
Jan 29, 2021 at 11:14 AM (Merged)
Avatar
STRAILER
  • CERTIFIED EXPERT
  • 53,855 POSTS
Oh sorry, here you go. Check out the diagrams (below). Please let us know what happens.

Cheers, Ken
Jan 29, 2021 at 11:14 AM (Merged)
Avatar
RJVW2008
  • MEMBER
  • 1 POST
I had to just replace the air/smog check valve pump. Since fixing that when you get in to drive car as soon as you try to go faster than thirty mph it sounds like the engine is racing and then the car kicks into gear as soon as you take foot of gas and continues to do this through out the drive. It did not have this issue before the check valve pump only since fixing it. There is now also a hissing sound on the right side of the car.
Jan 29, 2021 at 11:15 AM (Merged)
Avatar
ASEMASTER6371
  • CERTIFIED EXPERT
  • 52,796 POSTS
Good afternoon.

Did you check the fluid in the transmission?

There is no connection between the air pump and the transmission operation unless you disturbed a wire harness.

Is the check engine light on?

Roy

https://www.2carpros.com/articles/automatic-transmission-problems

https://www.2carpros.com/articles/how-to-service-an-automatic-transmission
Jan 29, 2021 at 11:15 AM (Merged)