Transmission solenoid, code p076a

2009 CHRYSLER TOWN AND COUNTRY
147,000 MILES • 3.8L • AUTOMATIC
Avatar
FARR2007
  • MEMBER
  • 244 POSTS
Am getting a p076a code please show me diagrams where solenoid is and how to fix.
Nov 10, 2021 at 12:55 PM
Advertisement
Avatar
SQM
  • CERTIFIED EXPERT
  • 6,383 POSTS
Hello,

The solenoid is located inside the transmission valve body.
Keep mind that the code P076a typically gets triggered due to an issue within the circuit. It may or may not be a faulty solenoid, but rather wiring issue.

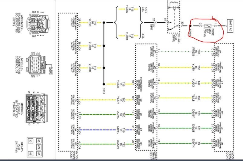
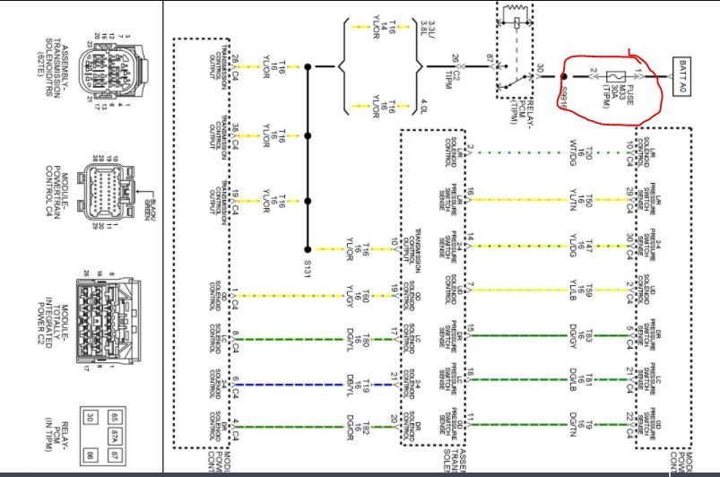
I have attached the trouble shooting steps for the P076a below. Also included the solenoid and valve body replacement procedure for your reference.

Please let me know of any questions.
Thank you.

https://www.2carpros.com/articles/automatic-transmission-problems
Nov 10, 2021 at 1:23 PM
Avatar
FARR2007
  • MEMBER
  • 244 POSTS
P076a how do I fix this problem?
Nov 11, 2021 at 1:58 PM (Merged)
Advertisement
Avatar
ASEMASTER6371
  • CERTIFIED EXPERT
  • 52,796 POSTS
Good morning,

I attached the flow chart for you to follow. From all the indicators, this looks like an electrical issue.

https://www.2carpros.com/articles/automatic-transmission-problems

You need to test all the fuses to be sure they are good. Check for power on both sides with the key in the on position.

https://www.2carpros.com/articles/how-to-check-wiring

https://www.2carpros.com/articles/how-to-check-a-car-fuse

Roy
Nov 11, 2021 at 1:58 PM (Merged)
Avatar
FARR2007
  • MEMBER
  • 244 POSTS
I don’t understand.
Nov 11, 2021 at 1:58 PM (Merged)
Avatar
ASEMASTER6371
  • CERTIFIED EXPERT
  • 52,796 POSTS
You will need to follow the flow chart steps to determine the failure.

It is a process. Follow each step one by one and write down the results. Then get back to me with your results so I can help you more.

Roy
Nov 11, 2021 at 1:58 PM (Merged)
Avatar
FARR2007
  • MEMBER
  • 244 POSTS
I’m sorry I’m having trouble following this.
Nov 11, 2021 at 1:58 PM (Merged)
Avatar
ASEMASTER6371
  • CERTIFIED EXPERT
  • 52,796 POSTS
Maybe you can get someone to help you who is familiar with these checks.

Check the fuse first that is listed.

Roy

Nov 11, 2021 at 2:03 PM