Codes p1406 and p0172

1996 CHEVROLET MONTE CARLO
129,000 MILES • 3.4L • V6 • 2WD • AUTOMATIC
Avatar
LIONELL8732
  • MEMBER
  • 148 POSTS
need some help trying to figure out what is code p1406 and how to fix it on my car listed above with a 3.4 dohc engine. also im having a problem with p0172.. i recently changed out the following parts: oxygen sensor, MAP sensor, throttle position sensor, idle air control valve sensor, fuel pressure regulator, etc., and i'm still getting code p0172.
Apr 6, 2021 at 2:02 PM
Advertisement
Avatar
JACOBANDNICKOLAS
  • CERTIFIED EXPERT
  • 110,175 POSTS
Hi,

As far as the 172, check the engine coolant temperature sensor. If you have a live data scan tool, confirm the sensor's signal is accurate. If it is telling the computer it is colder than it is, the fuel mixture will be rich.

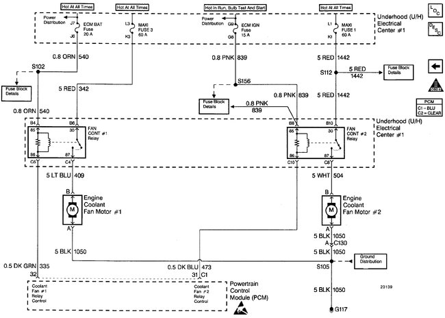
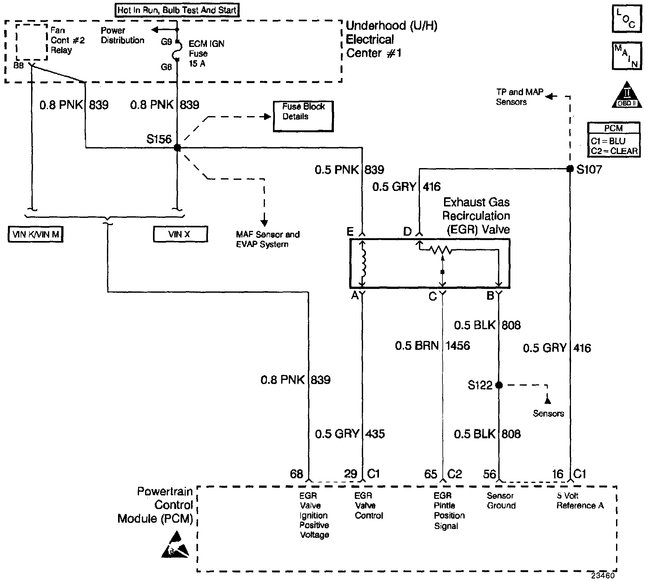
If you look at the attachments below, they provide the diagnostics or a P0172.

Now, 1406 is related to the EGR. You could have a stuck pintel. Interestingly, the 172 could be caused by the computer trying to fix a lean condition. DTCs other than P0172 may (in this case 1406) indicate a condition present that may cause a lean condition. If this is the case, repairing the condition which caused the other DTC will most likely correct the DTC P0172. I'm wondering if the EGR is causing the issue.

Do me a favor. The EGR is in the rear of the engine. See the last pic below. Pull it and check for carbon build-up in the intake and check the pintel on the EGR to make sure it isn't stuck or corroded.

Let me know what you find or if you have other questions.

Take care,
Joe

See pics below.
Apr 6, 2021 at 7:57 PM
Avatar
LIONELL8732
  • MEMBER
  • 148 POSTS
My engine. I will remove tomorrow and spray it with cleaner. Should I remove and replace the temperature sensor as well?
Apr 6, 2021 at 8:37 PM
Advertisement
Avatar
LIONELL8732
  • MEMBER
  • 148 POSTS
i have one of these scan tools. Where is the temperate sensor and coolant level sensor located at on my car?
Apr 6, 2021 at 9:31 PM