Turn engine off

2001 DODGE RAM
135,000 MILES • 5.9L • V8 • 4WD • AUTOMATIC
Avatar
BERTARMK
  • MEMBER
  • 1 POST
It will start but will not shut off with key. I can remove key and it still runs. I put a new starter and cleaned and charged battery. What can I do to fix?
Dec 16, 2017 at 7:22 AM
Advertisement
Avatar
STEVE W.
  • CERTIFIED EXPERT
  • 15,113 POSTS
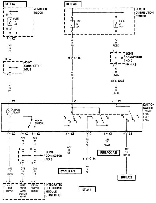
If you have a good scan tool, connect it up and move the key and see if it is registering off/on/start. From the description it sounds like the ignition switch. However, to verify that you need to see what the switch does. A way to do that would be to go to the ignition switch connector. With the key off probe the dark blue, black/white stripe and black/orange stripe wires. None of those should have power with the key off.
Now start the engine, turn the key off and test again. If none of the wires show power on at this point the issue is not the switch, it could be the ASD relay is sticking. If one does show power refer to the wiring diagram and see which fuse powers that wire. Pull the fuse, If the engine shuts off then the switch is faulty and replacing it should let you shut the engine off.
Dec 17, 2017 at 1:17 AM