Turn on high beam's the headlights turn off?

1992 ISUZU TRUCK
152,000 MILES • 2.3L • 4 CYL • 2WD • MANUAL
Avatar
OSFMOOK72
  • MEMBER
  • 2 POSTS
My multifunction switch is on the column. This is the second brand new switch I've installed to try to fix this problem. I know the brights work on the headlight bulbs because I wired them directly to the battery and they come on. By the way they are aftermarket led lights. There's only 3 wires ground/low beams and high beams in the plug. These are plug and play headlights same shape and size as original headlights. Any help would be greatly appreciated, thank you.

Michael
Apr 7, 2023 at 12:19 PM
Advertisement
Avatar
STRAILER
  • CERTIFIED EXPERT
  • 53,855 POSTS
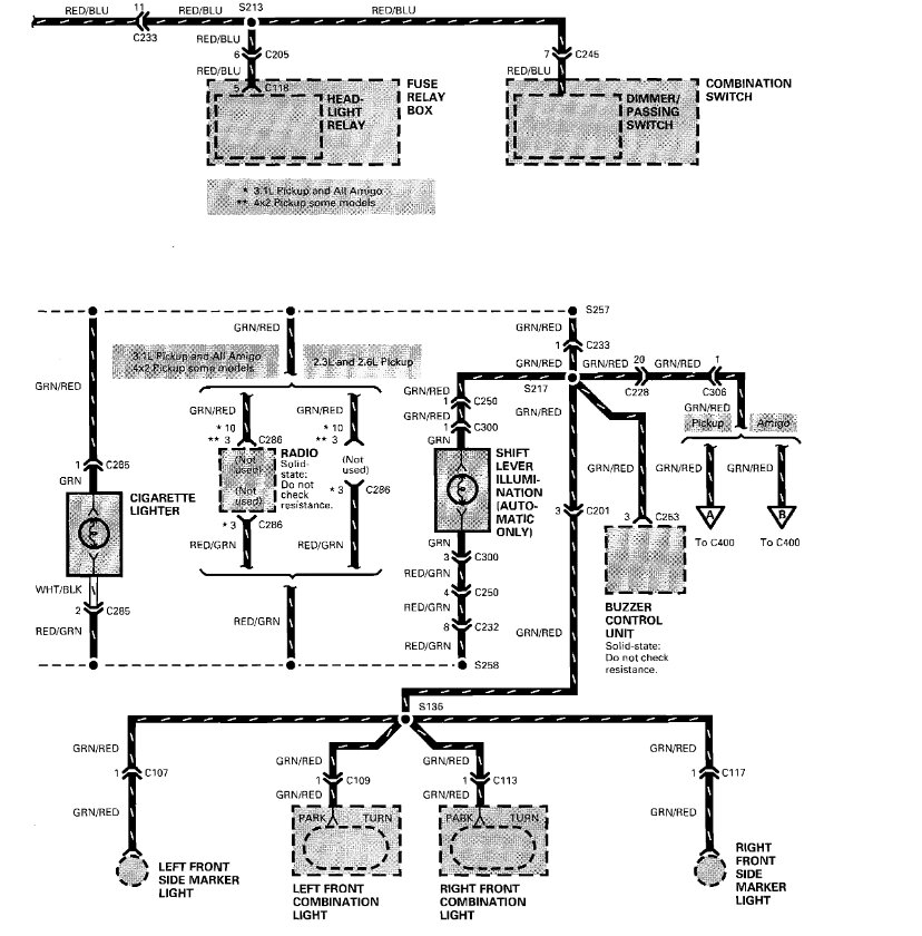
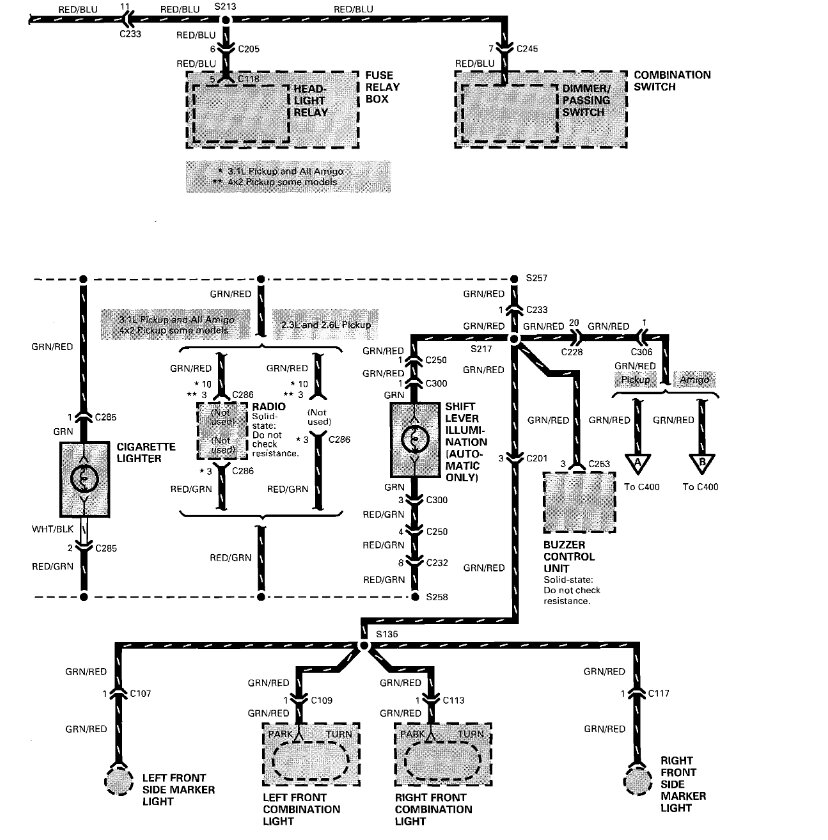
So, this truck has an immunization controller that sounds like it is not working correctly. I would use this guide to help confirm the power outputs and grounds to the headlight system and I have included the headlight wiring diagrams so you can see how the system works and which wires to test.

https://www.2carpros.com/articles/how-to-use-a-test-light-circuit-tester

Check out the images (below). Please let us know what happens.
Apr 8, 2023 at 11:01 AM
Avatar
OSFMOOK72
  • MEMBER
  • 2 POSTS
I'll check that out, thank you.
Apr 8, 2023 at 8:19 PM
Advertisement
Avatar
STRAILER
  • CERTIFIED EXPERT
  • 53,855 POSTS
You are welcome.
Apr 10, 2023 at 2:14 PM