Turn signal not working

2007 CHEVROLET SILVERADO
100,000,000 MILES
Avatar
ED ADAMS
  • MEMBER
  • 1 POST
Right front turn signal not working, rear okay. Changed lower rear socket. Grounds okay. No power at harness plug. Also, hazard does not flash. All others okay.
Dec 22, 2018 at 11:16 AM
Advertisement
Avatar
STRAILER
  • CERTIFIED EXPERT
  • 53,855 POSTS
Hello,

It sounds like the BCM might be bad, but to be sure let's check the fuses that run the system. Here is a guide to help check for power at the fuses and the blinker wiring diagrams below so you can see how it works and the BCM location as well:

https://www.2carpros.com/articles/how-to-check-a-car-fuse

Check out the diagrams (below). Please let us know what you find. We are interested to see what it is.
Dec 24, 2018 at 1:33 PM
Avatar
FOXTECH
  • MEMBER
  • 4 POSTS
i have no left turn signal. the trailer works right and left. right signal on trailer works perfect. left signal on trailer flashes fast like when you have burnt bulb. Problem is no left turn signal on truck front or back. replaced fuse with new one was not burnt. bought and replaced box for all wiring at back of truck still no turn signal checked ground have good ground. Have no power on block for left side or wiring harness. have power on right side, in block and in wire harness were you plug in lights.
any suggestions?
Oct 25, 2020 at 12:01 PM (Merged)
Advertisement
Avatar
JDL
  • CERTIFIED EXPERT
  • 16,098 POSTS
Did you check for voltage at left turn fuse, everything turned on? The circled fuse gets voltage from flasher module. If no voltage, could be flasher module problem or wiring to the fuse?
Oct 25, 2020 at 12:01 PM (Merged)
Avatar
FOXTECH
  • MEMBER
  • 4 POSTS
is there a certain voltage?
Oct 25, 2020 at 12:02 PM (Merged)
Avatar
JDL
  • CERTIFIED EXPERT
  • 16,098 POSTS
Any voltage at all? With key on, engine off, what is voltage reading across battery posts? The reading should be close to the same at the fuse. Generally around 12 volts, maybe a little less if engine isn't running.

Compare voltage at other turn fuses, the ones that work.

Oct 25, 2020 at 12:02 PM (Merged)
Avatar
FOXTECH
  • MEMBER
  • 4 POSTS
Ok no power so. I guess I'll try the relay out of my 2003 silverado till I can get a new one
Oct 25, 2020 at 12:02 PM (Merged)
Avatar
JDL
  • CERTIFIED EXPERT
  • 16,098 POSTS
Yeah, a flasher module, if the same.
Oct 25, 2020 at 12:02 PM (Merged)
Avatar
FOXTECH
  • MEMBER
  • 4 POSTS
2003 - 2007 classic will fit most parts. it worked all working. thanks
Oct 25, 2020 at 12:02 PM (Merged)
Avatar
JDL
  • CERTIFIED EXPERT
  • 16,098 POSTS
Glad you got it going your way.
Oct 25, 2020 at 12:02 PM (Merged)
Avatar
CARLOS PALACIOS
  • MEMBER
  • 1 POST
When I put my turn signal and step on the brake it stops working.
Oct 25, 2020 at 12:02 PM (Merged)
Avatar
MHPAUTOS
  • CERTIFIED EXPERT
  • 31,937 POSTS
sounds as if you have a short across the brake and indicator light, do you have a trailer plug fitted? if so make sure all wires in the back of the plug are insulated and free from rust and contamination that my case a short. if no plug, pull the globes from the brake lights and see if the indicators still stop with your foot on the brake, if yes, replace one globe and re test, if fault returns you know which side to start looking for short.
Oct 25, 2020 at 12:02 PM (Merged)
Avatar
NOAH VENUS
  • MEMBER
  • 2 POSTS
I just got the truck and when I got it the right front blinker was not working (it will turn on but not blink) and my right low beam was not working. I got the truck home and replaced the bulbs and when I replaced the blinker it still did not work. When I replaced the bulb on the right side low beam my left side low beam stopped working. All other lights work even high beams and all other blinkers work as should. I am getting power everywhere but the sockets for these bulbs appear to maybe be grounding out but I cannot find where. The bulbs in these sockets are new and work when I put them on a different socket. Any input is appreciated.
Oct 25, 2020 at 12:02 PM (Merged)
Avatar
STRAILER
  • CERTIFIED EXPERT
  • 53,855 POSTS
Hello.

It sounds like you have a wiring problem or the BCM is bad and needs to be replaced but to be sure lets check all fuses for the truck none can be out.

https://www.2carpros.com/articles/how-to-check-a-car-fuse

Next you need to check the wiring for the system. here is a guide and the wiring diagrams along with the BCM and fuse locations:

https://www.2carpros.com/articles/how-to-check-wiring

Check out the diagrams (below). Please let us know what happens. If it is the BCM you may need to have it programmed if you cannot find a used one.

Cheers, Ken
Oct 25, 2020 at 12:02 PM (Merged)
Avatar
NOAH VENUS
  • MEMBER
  • 2 POSTS
I checked all the fuses related to my lighting system and they were good. Should I check all of them even if unrelated to lighting? I hooked the scanner to my truck today at work and it threw a code on the BCM but it was not anything to do with lighting and I cleared the code to see if it returns.
Oct 25, 2020 at 12:02 PM (Merged)
Avatar
STRAILER
  • CERTIFIED EXPERT
  • 53,855 POSTS
Yes, check all fuses. Also, check the wiring continuity and if everything checks out I would replace the BCM.
Oct 25, 2020 at 12:02 PM (Merged)
Avatar
JOHN FULLER
  • MEMBER
  • 1 POST
My left turn signal works properly. When I use my right turn signal, it appears that my flashers come on or all 4 corners flash as well as my inside indicators. I have replaced the turn signal switch. Any ideas as to the problem or fix?
Oct 25, 2020 at 12:02 PM (Merged)
Avatar
JDL
  • CERTIFIED EXPERT
  • 16,098 POSTS
Hello,

It sounds like the flasher module has gone out but to be sure here is the blinker wiring diagrams and a guide to help check the power and ground circuits with the location of the flasher module below.

https://www.2carpros.com/articles/how-to-check-wiring

Check out the diagrams (Below). Please let us know what you find. We are interested to see what it is.
Oct 25, 2020 at 12:02 PM (Merged)
Avatar
BROWNN
  • MEMBER
  • 1 POST
Thanks for this post I had this problem and had to get a new flasher module cost me $53.00 I love this site.
Oct 25, 2020 at 12:02 PM (Merged)
Avatar
TREMBLAY
  • MEMBER
  • 1 POST
I have a factory round trailer plug and have no turn signals coming from the plug. I have checked all fuses in the cab and under the hood.I also checked for power at the wires in back of the plug, no power there. I have parking lights and not sure about brake lights. What else can I check ? It's a 2004 Silverado 2500HD with a 6.0L gas.
Oct 25, 2020 at 12:02 PM (Merged)
Avatar
DRCRANKNWRENCH
  • CERTIFIED EXPERT
  • 3,380 POSTS
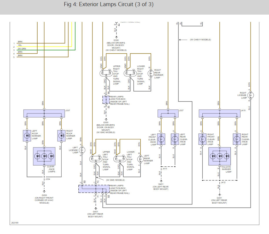
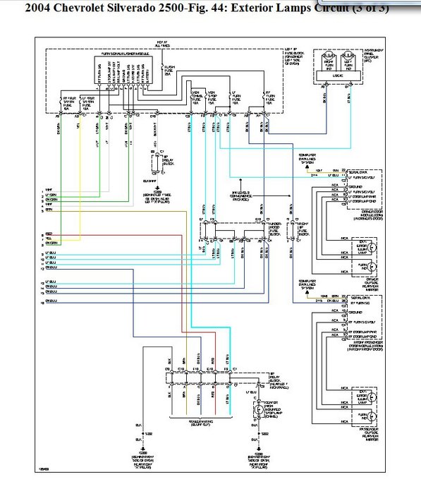
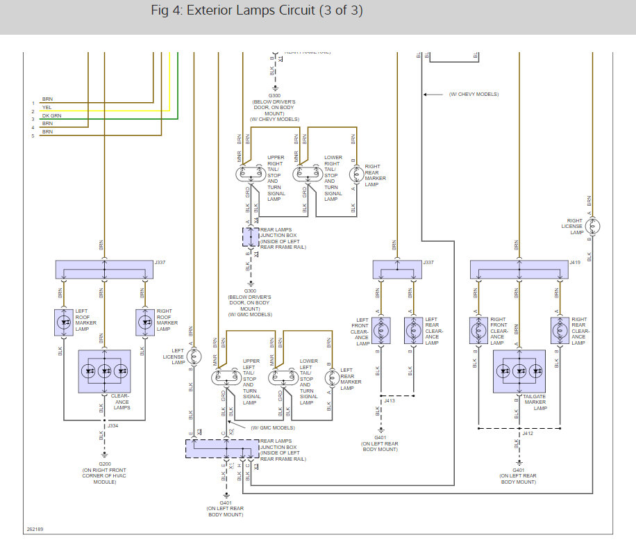
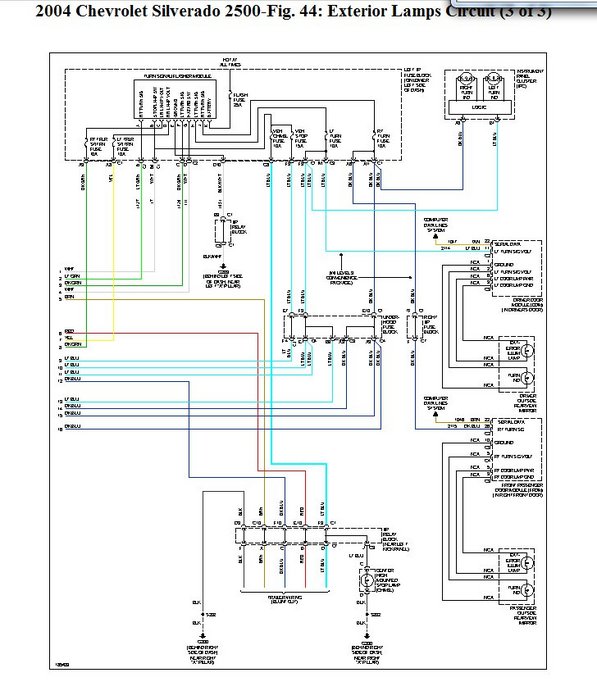
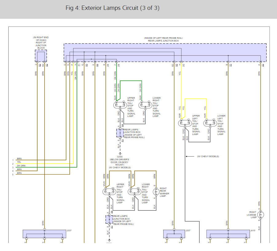
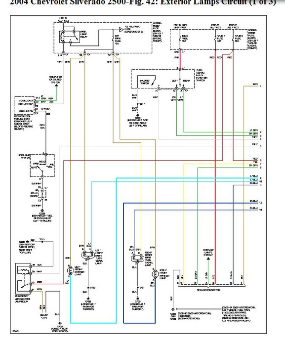
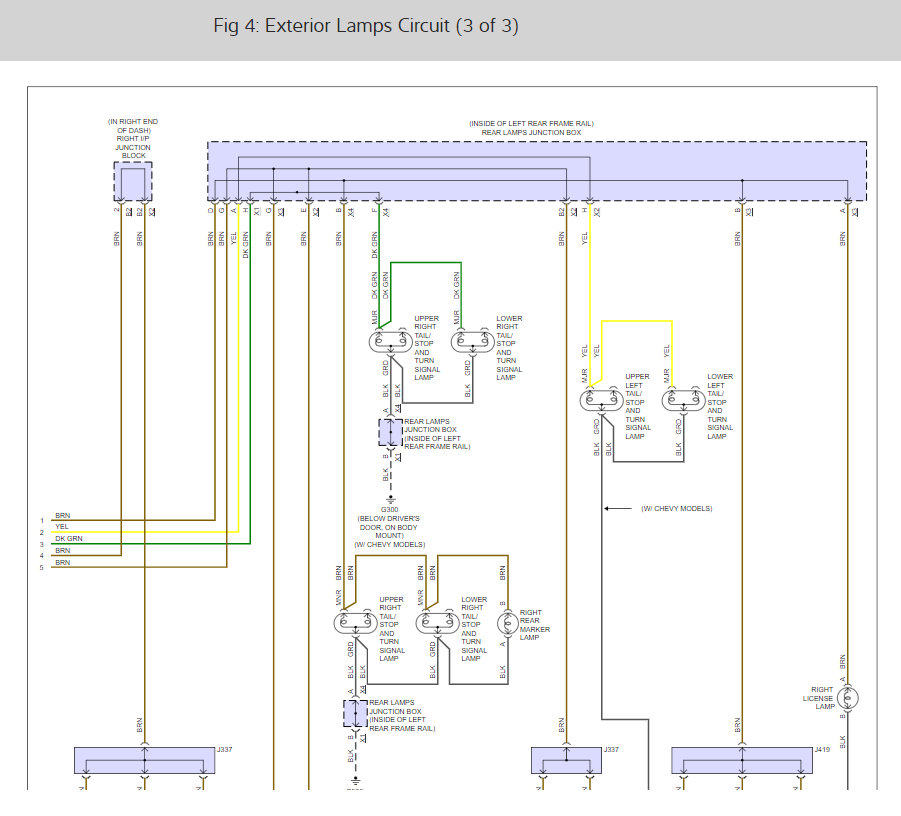
I just wanted to provide you the wiring diagrams so you can check wires and make sure you got the correct fuses. The reason I say that is that the wiring layout for the triler lights on this truck are confusing and use there own circuit fuses as well as some of the trucks light system fuses.
The first diagram shows the , "STUD #!" fuse which is a 40 Amp fuse. The second diagram is harder to follow wires, 1 to the Trailer fuse 15 Amp, wire7 to Left Trailer turn signal fuse 10 Amp, Wire 8 to right Trilaer Turn signal fuse 10 Amp and wire 11 to the under hood fuse/relay box to the Left turn signal 10 Amp.
Then back in the cab at the Light control box in the fuse box under dash, there is a main fuse for the Flash Unit that is 25 Amps.

Otherwise follow turn signal wires for coninutiy with a multi-meter up to the fuse box and check the connector and terminals at the fuse box.

Let me know if you have any questions.
Oct 25, 2020 at 12:02 PM (Merged)
Avatar
RASMATAZ
  • CERTIFIED EXPERT
  • 75,992 POSTS
Check the turn signal flasher module in Left I/P fuse block on lower left side of dash
Oct 25, 2020 at 12:02 PM (Merged)
Avatar
RASMATAZ
  • CERTIFIED EXPERT
  • 75,992 POSTS
Check and test the trun signal module
Oct 25, 2020 at 12:02 PM (Merged)
Avatar
RASMATAZ
  • CERTIFIED EXPERT
  • 75,992 POSTS
Check and test the turn signal module
Oct 25, 2020 at 12:02 PM (Merged)
Avatar
RASMATAZ
  • CERTIFIED EXPERT
  • 75,992 POSTS
Check and test the turn signal flasher module
Oct 25, 2020 at 12:02 PM (Merged)
Avatar
JD BROWN
  • MEMBER
  • 1 POST
2002 Chevy Silverrado 1500--The right front blinker does not work,new bulb and the fuse r f turn is good
Oct 25, 2020 at 12:02 PM (Merged)
Avatar
QUAGMIRE86
  • CERTIFIED EXPERT
  • 98 POSTS
Well, if you are getting an electical signal to the right rear, then the circuit from the relay would be good. I would check to ensure that the bulb that you have in the socket (right front) is the correct bulb for the application. If the bulb is the correct one for the socket, I would take an emery file (fingernail file) and clean the contact points on the socket contact points. Also, make sure that the ground and or positive wires for the right front signal is getting power.
Oct 25, 2020 at 12:02 PM (Merged)
Avatar
2CP-ARCHIVES
  • MEMBER
  • 4,540 POSTS
Left rear amber signal light stopped working. Changed bulb with right bulb that has been working fine. Flashers work front only.
After trouble shooting wires, there is power to sockets, but now the right side has decided not to work also.
Oct 25, 2020 at 12:02 PM (Merged)
Avatar
ASEMASTER6371
  • CERTIFIED EXPERT
  • 52,796 POSTS
the socket grounds may be the issue. clean the contacts real well.

Roy
Oct 25, 2020 at 12:02 PM (Merged)
Avatar
ANSLOAN7
  • MEMBER
  • 1 POST
My 2000 silverado's back driver side turn signal does not work, and I tried replacing the bulb, and checked the fuses they were all good, and I was wondering what else I should check
Oct 25, 2020 at 12:03 PM (Merged)
Avatar
JDL
  • CERTIFIED EXPERT
  • 16,098 POSTS
Hello, does the driver side front turn signal work? If it does, check the bulb socket at the rear for B+ and ground. I believe the voltage wire is lite blue and the ground is usually black. Use a testlite, key on, turn signal activated.
Oct 25, 2020 at 12:03 PM (Merged)
Avatar
CADY
  • MEMBER
  • 1 POST
Electrical problem
2000 Chevy Silverado V8 Four Wheel Drive Automatic 125xxx miles

i have a 2000 chevy 1500 silverado with a little more then 125000 on it. my dash seems to become a christmas tree in the fact that the lights come on and go off and come on agian and then maby go off. sometimes they stay on for a while. here is what happens and what comes on.
the abs light will come on, and then the parking break light will come on. and when they come on the blinkers wont work. along with the blinkers not working they will come on and then go dim. seems to go along with the rev of the engine. and when all this is happening alot of times, not always, the odometer will shut off, then come back on. it dont reset or anything. it just does not show. the fuel gauge will drop then go back, and the battery light will come on. when all of this happends at once sometimes the engine will bog down. and when that happends the speedo and the tac will drop along with all the other gauges...HELP ME PLEASE!!!
Oct 25, 2020 at 12:03 PM (Merged)
Avatar
DHD
  • MEMBER
  • 5 POSTS
I dont know about engine power problem but dash problem maybe dash Belive it or not it is grounded behind the right head! Grab the small harness going down the firewall behind the head and pull. If you find them broken ground them some were else on the engine.
Oct 25, 2020 at 12:03 PM (Merged)