Hi,
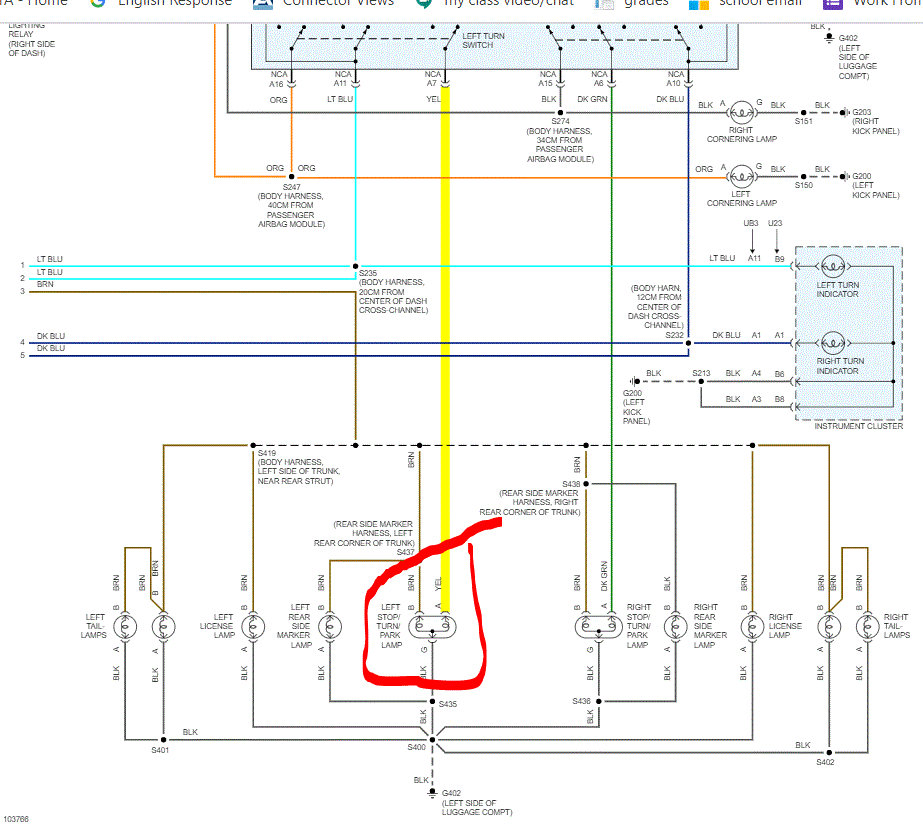
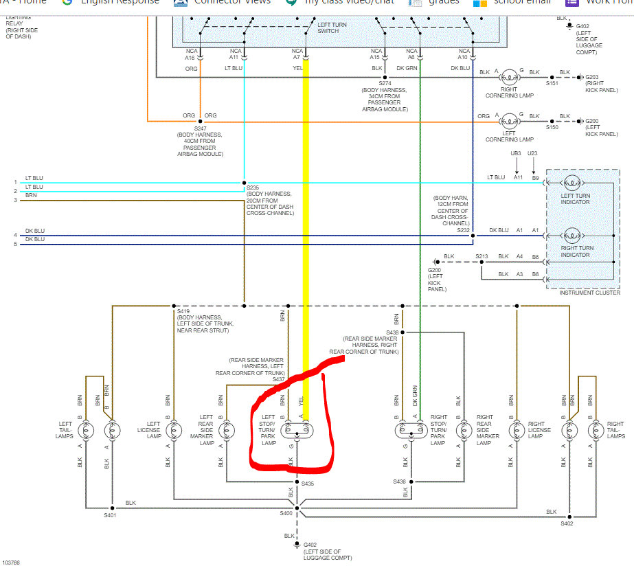
I attached a couple pics from the wiring schematic. The first one shows power from the brake light switch which goes through the signal/hazard switches and then to the brake lights. The second pic is a larger part of the schematic. I circled the brake light/signal bulb.
What I need you to do first is this. Remove the left duel element brake/signal bulb and check to see if there is power to the yellow wire going to it. You will need a helper to actuate the brakes and signals. Let me know what you find.
Also, let me know if the third brake light (center high mount) is working. If it is, then the problem lays between the signal switch and the rear of the vehicle.
Let me know what you find.
Joe
Images (Click to enlarge)
Jun 20, 2020 at 8:47 PM