Turn signal conversion from incandescent to led

2003 VOLVO S60
95,000 MILES
Avatar
BRIAN DIGIOVANNI
  • MEMBER
  • 2 POSTS
Hi, I am converting my front left turn signal from incandescent bulbs to led using a resistor. The three wires on the wiring harness are a brown with a stripe, and a white wire and green wire. The resistor has a black and red wire. What color do I connect my hot wire on my resistor to on my wire harness and what color do I connect my black wire on my resistor to on my wire harness? so that i can hook up my resistor so my LED's flash correctly. Thank you. Brian.
Oct 27, 2016 at 11:13 AM
Advertisement
Avatar
STRAILER
  • CERTIFIED EXPERT
  • 53,855 POSTS
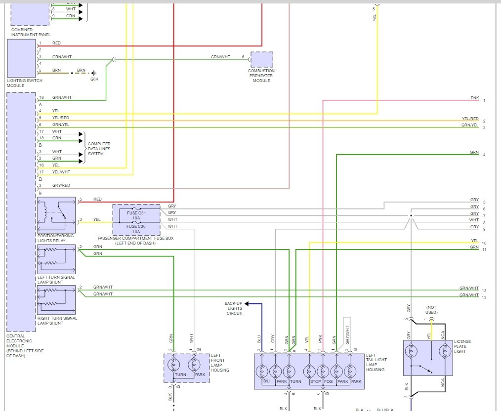
This is hard to say, does the instructions in the kit let you know? Here is a wiring diagram to help you.

Let me know if you need more diagrams

Best, Ken

Oct 31, 2016 at 10:24 PM
Avatar
BRIAN DIGIOVANNI
  • MEMBER
  • 2 POSTS
Thanks this will help
Nov 1, 2016 at 4:37 AM
Advertisement
Avatar
STRAILER
  • CERTIFIED EXPERT
  • 53,855 POSTS
Please let us know what you find so it will help others.

Best, Ken
Nov 1, 2016 at 9:47 AM