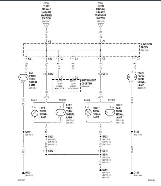
When turn signal or hazards are on the flasher relay makes buzzing noise. Lights work when turned on.
Replaced flasher relay, fuse, and multifunction switch.
Looked over for any obvious grounding or cut wires. Can't find anything.
Any ideas on how to troubleshoot?
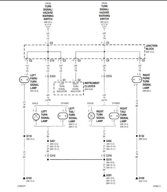
Replaced flasher relay, fuse, and multifunction switch.
Looked over for any obvious grounding or cut wires. Can't find anything.
Any ideas on how to troubleshoot?
Sep 7, 2019 at 3:25 PM
