Turn signals will not work

1987 OLDSMOBILE CUTLASS
63,331 MILES • 2.8L • V6 • 2WD • AUTOMATIC
Avatar
YEETICUS
  • MEMBER
  • 1 POST
Bulbs are not burnt, I have replaced the fuse and still nothing. Hazards and everything else work.
Oct 11, 2018 at 9:51 PM
Advertisement
Avatar
ASEMASTER6371
  • CERTIFIED EXPERT
  • 52,796 POSTS
Good morning.

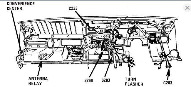
The older cars have a separate flasher for the turn signals and hazards. I attached a picture of the location for you. Try replacing this flasher. You should be able to reach under the dash and remove it.

Roy

The turn flasher is located behind I/P, right of steering column.
Oct 12, 2018 at 3:20 AM