Good afternoon,
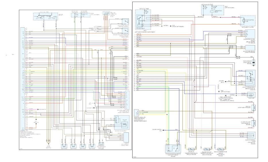
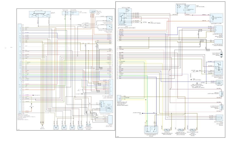
I attached readings for both engines.
As far as the drop in pressure that could come from an injector leaking down, pressure regulator failure or the pump itself which is what I think it is.
Roy
1.6
FUEL PRESSURE VALUES
Key ON, engine OFF, FP - B+ jumped .................... 265 - 304 kPa (38 - 44 psi)
At idle, vacuum hose disconnected .................... 265 - 304 kPa (38 - 44 psi)
At idle, vacuum hose connected .................... 206 - 255 kPa (31 - 37 psi)
Residual pressure after 5 minutes .................... 147 kPa (21 psi or more)
1.8
FUEL PRESSURE VALUES
Key ON, engine OFF, FP - B+ jumped .................... 265 - 304 kPa (38 - 44 psi)
At idle, vacuum hose disconnected .................... 265 - 304 kPa (38 - 44 psi)
At idle, vacuum hose connected .................... 206 - 255 kPa (31 - 37 psi)
Residual pressure after 5 minutes .................... 147 kPa (21 psi or more)
Images (Click to enlarge)
Apr 25, 2019 at 1:41 PM