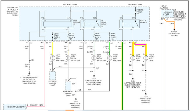
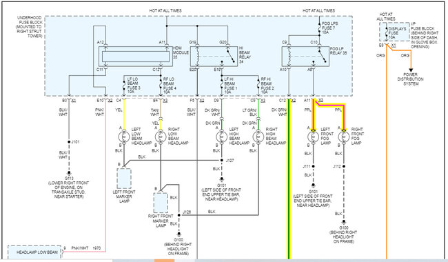
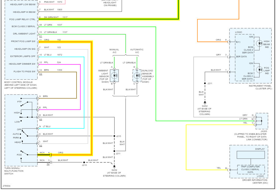
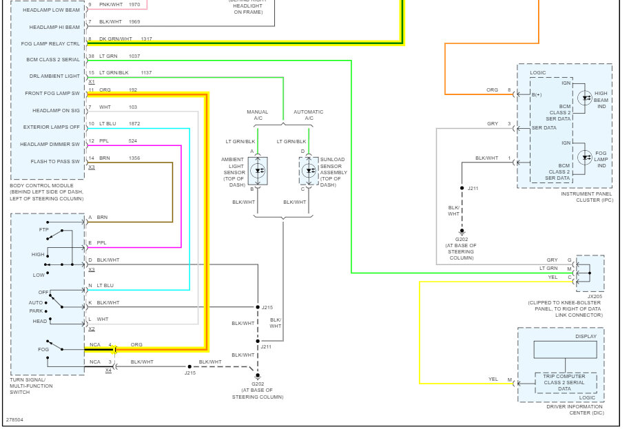
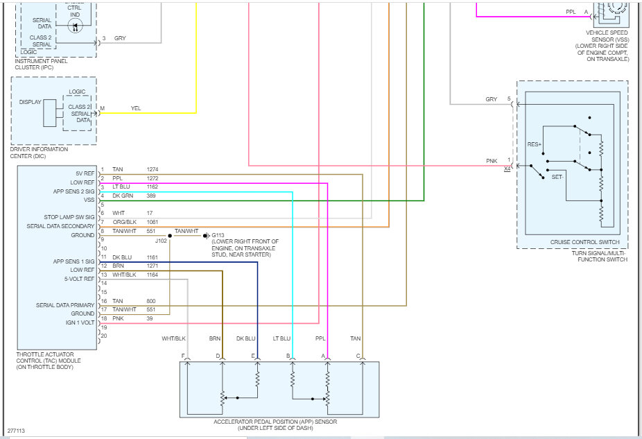
I know on this vehicle you can upgrade from a 3-button info center to a 5-button info center, and it will work. Would you have any idea if I upgrade the multifunction switch (turn signal) to one with extra functions not on the original if any new functions will work? For instance, fog light control and cruise control. Those 2 functions weren't on the original switch. My guess is that I might gain the fog light on /off control, but maybe not the cruise control. I'm guessing all the wiring plugs will be the same, regardless of which version of switch I get. Thanks, loads.
Jan 19, 2023 at 2:25 PM



