The material I have on the 1.0 S-Tec engine shows:
Engine Cold
Intake 0.15±0.02 mm (0.0059±0.0008 in.)
Exhaust 0.2±0.02 mm (0.00787±0.0008 in.)
Engine Hot (run until cooling fans cycle on, then shut off engine)
Intake 0.25±0.02 mm (0.0098±0.0008 in.)
Exhaust 0.3±0.02 mm (0.0118±0.0008 in.)
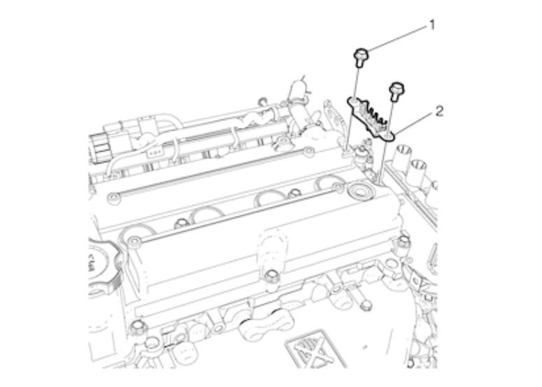
Procedure is to set the engine at TDC on the compression stroke of cylinder 1 as in the first image then adjust the intake valves on cylinders 1 and 2 and the exhaust valves on cylinders 1 and 3.
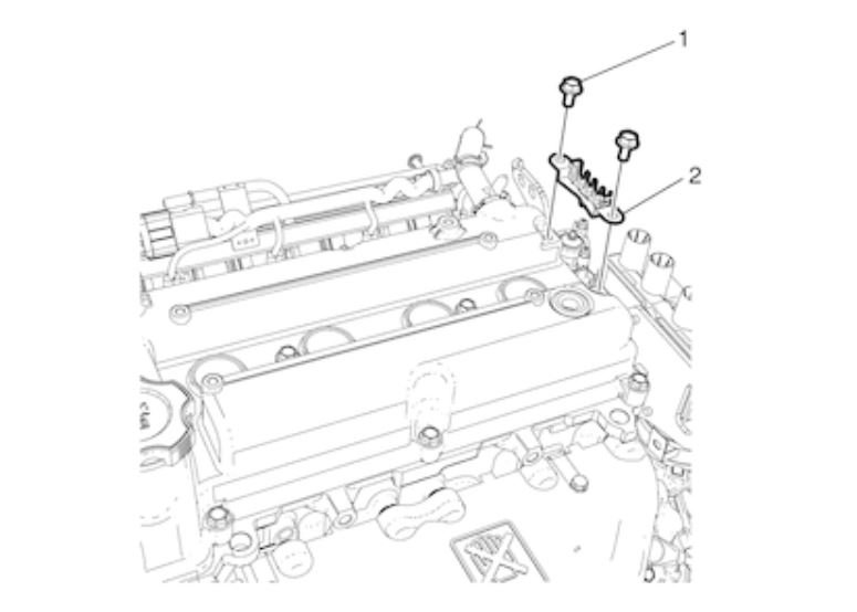
Then rotate the crankshaft one rotation and bring cylinder 1 to top dead center on the exhaust stroke as in image 2
Now you can adjust the intake valves on cylinders 3 and 4 and the exhaust valves on cylinders 2 and 4.
Images (Click to enlarge)
Dec 12, 2020 at 9:46 AM
(Merged)