Valve cover or intake manifold

2003 FORD EXPLORER
200,000 MILES • 4.0L • V6 • 2WD • AUTOMATIC
Avatar
ARIANADANIELLE5345
  • MEMBER
  • 393 POSTS
I recently had to have my transmission worked on because my torque converter locked up. While they had my transmission out I asked them to replace my rear main seal and supplied them with the one I bought because I was going to do it myself originally. When my car went in it had three leaks, all pretty minor. Now there's two, but one of them got a lot worse. I don't know which one is all of a sudden leaving a huge puddle under my car, but my oil pan gasket and valve cover are where the leaks are. Oil pan gasket is pretty obvious. The other one is where I'm having trouble. I was told by another mechanic it was my valve cover gasket but the guy that did my transmission said the valve cover itself is warped so replacing the gasket wouldn't do anything. He gave me a part number because I was going to do the work myself but the part number he gave me is for an intake manifold and when I told him that he said it's the same thing and said I need the whole assembly upper and lower. How do I know if I need a new intake or if it's my head gaskets or if it's just my valve cover gasket.
Mar 11, 2021 at 4:37 PM
Advertisement
Avatar
JACOBANDNICKOLAS
  • CERTIFIED EXPERT
  • 110,175 POSTS
Hi,

The upper intake won't be leaking oil. Actually, I don't think the bottom one would either, but it's possible

Here is the interesting part. To remove the valve covers, the intake needs to be removed first. So, plan to replace the valve covers knowing the intake will be removed as well. That way, you will have them all replaced. Also, once the upper is removed, you will be able to see if the lower is leaking.

Here are the directions specific to your vehicle. I will start with the intake and then move to the valve covers. The pics attached below correlate with the directions.

____________________________

Intake

2003 Ford Truck Explorer 4WD V6-4.0L VIN E
Procedures
Vehicle Engine, Cooling and Exhaust Engine Intake Manifold Service and Repair Procedures
PROCEDURES
Intake Manifold

Removal and Installation
1. Disconnect the battery ground cable.
2. Remove the air cleaner outlet pipe.


pic 1


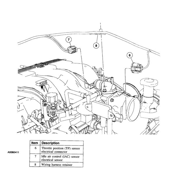
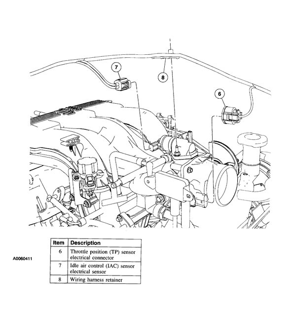
3. Illustration 1 of 4 Remove the components in the order indicated.


pic 2


4. Illustration 2 of 4 Remove the components in the order indicated.


pic 3


5. Illustration 3 of 4 Remove the components in the order indicated.


pic 4


6. Illustration 4 of 4 Remove the components in the order indicated.
7. To install, reverse the removal procedure.

Items 1 and 2: Accelerator Cable and Speed Control Cable Removal Note


pic 5


1. Disconnect the accelerator and the speed control cables from the throttle body.


pic 6


2. Remove the accelerator cable and the speed control cable from the bracket. Position the cables away from the intake manifold.

pic 7


3. Disconnect the accelerator cable and the speed control cable routing clips. Disconnect the vacuum hose.


pic 8


4. CAUTION: It is important to twist the spark plug wire boots while pulling upward to avoid possible damage to the spark plug wires.

NOTE: Spark plug wires must be connected to the correct ignition coil terminal. Mark spark plug wire locations before removing them.

Disconnect the spark plug wires.


pic 9


5. Disconnect the Knock Sensor (KS) electrical connector retainer.

Item 21: Intake Manifold Gaskets Removal Note


pic 10


1. CAUTION: Do not use metal scrapers, wire brushes, power abrasive discs or other abrasive means to clean the sealing surfaces. These tools can cause scratches and gouges which can make leak paths.

Clean the sealing surfaces, inspect the gaskets and install new gaskets if necessary.

__________________________________

Valve Cover LH

2003 Ford Truck Explorer 4WD V6-4.0L VIN E
Valve Cover LH
Vehicle Engine, Cooling and Exhaust Engine Cylinder Head Assembly Valve Cover Service and Repair Procedures Valve Cover LH
VALVE COVER LH
Valve Cover LH

Removal and Installation
1. Remove the intake manifold.


pic 11

2. Illustration 1 of 2. Remove the components in the order indicated.


pic 12


3. Illustration 2 of 2. Remove the components in the order indicated.
4. To install, reverse the removal procedure.

Item 2: Ignition Coil Electrical Connector Removal Note
1. Detach the pin-type retainer on the wiring harness near the ignition coil electrical connector.


pic 13


2. Disconnect the fuel injector electrical connectors and the harness standoff clips.

Item 3: Accelerator Cable Removal Note


pic 14


1. Disconnect the accelerator cable from the routing clip and position it aside.

Item 4: Spark Plug Wires Removal Note


pic 15


1. Disconnect the standoff clips and position the spark plug wires aside.

Item 7: Valve Cover Gasket Removal Note


pic 16


1. CAUTION: Do not use metal scrapers, wire brushes, power abrasive discs or other abrasive means to clean sealing surfaces. These tools cause scratches and gouges which make leak paths.

Clean and inspect the sealing surfaces. Install a new gasket, if necessary.

_________________________________

Valve Cover RH

2003 Ford Truck Explorer 4WD V6-4.0L VIN E
Valve Cover RH
Vehicle Engine, Cooling and Exhaust Engine Cylinder Head Assembly Valve Cover Service and Repair Procedures Valve Cover RH
VALVE COVER RH
Valve Cover RH

Removal and Installation
1. Release the fuel system pressure.
2. Remove the intake manifold.

Part 1 Of 2

pic 17

Part 2 Of 2

pic 18


3. Illustration 1 of 2. Remove the components in the order indicated.


pic 19


4. Illustration 2 of 2. Remove the components in the order indicated.
5. To install, reverse the removal procedure.

Item 4: Fuel Supply Manifold Spring Lock Coupling Removal Note


pic 20


1. Disconnect the fuel injector electrical connectors and routing clips.


pic 21


2. Install the special tool.


pic 22


3. Press the special tool into the open end of the cage.


pic 23


4. Separate the fuel line fitting.

Item 7: Fuel Supply Manifold Removal Note

1. CAUTION: Use O-ring seals that are made of special fuel-resistant material. Use of ordinary O-ring seals can cause the fuel system to leak.

Discard the fuel supply manifold O-ring and install a new O-ring.

Item 8: Spark Plug Wires Removal Note


pic 24


1. Disconnect the retaining clips and position the spark plug wires aside.

Item 11: RH Valve Cover Gasket Removal Note


pic 25


1. CAUTION: Do not use metal scrapers, wire brushes, power abrasive discs or other abrasive means to clean sealing surfaces. These tools cause scratches and gouges which make leak paths.

Clean and inspect the sealing surfaces. Install a new gasket, if necessary.

__________________________

I hope this helps. Let me know if you have other questions.

Take care and God Bless.

Joe
Mar 11, 2021 at 6:55 PM
Avatar
ARIANADANIELLE5345
  • MEMBER
  • 393 POSTS
What are all the tools I will need?
Mar 11, 2021 at 7:21 PM
Advertisement
Avatar
JACOBANDNICKOLAS
  • CERTIFIED EXPERT
  • 110,175 POSTS
In all honesty, there really isn't anything special. Sockets, a few open-ended wrenches, screwdrivers, and so on.

If you run into trouble, I'm here. Let me know what I can do to help.

Take care,
Joe
Mar 11, 2021 at 9:23 PM
Avatar
ARIANADANIELLE5345
  • MEMBER
  • 393 POSTS
I cannot get this bolt out. It is stripped. l've tried multiple different extractors. Any advice?
Mar 17, 2021 at 4:20 PM
Avatar
JACOBANDNICKOLAS
  • CERTIFIED EXPERT
  • 110,175 POSTS
What kind of extractors have you used? I attached a pic below of the type I use. Did you try that style?

Joe
Mar 17, 2021 at 6:32 PM
Avatar
ARIANADANIELLE5345
  • MEMBER
  • 393 POSTS
Yes I tried those. I ended up getting it by drilling through a socket to put an extractor in in it.
Mar 19, 2021 at 9:05 AM
Avatar
ARIANADANIELLE5345
  • MEMBER
  • 393 POSTS
There's a curved tube from the EGR that goes into the upper intake. How do I get that out so i can take the intake off?
Mar 19, 2021 at 9:05 AM
Avatar
JACOBANDNICKOLAS
  • CERTIFIED EXPERT
  • 110,175 POSTS
Hi,

Good job getting the bolt removed. They can be a pain. As far as the tube, I believe you are referring to the EGR tube that ties the intake and exhaust manifold. If you take a look at the pic below, you'll see it is screwed in at each end.

Take a look at the pic and let me know if it helps.

Joe
Mar 19, 2021 at 7:03 PM
Avatar
ARIANADANIELLE5345
  • MEMBER
  • 393 POSTS
I ran into a couple more problems. The pintle cap on my injector cracked so i bought a new one but the holes are at a different angle. The part store took my old one to match it so I'm assuming its the right one. Does it matter that they're different? First one is original second is new. Also, found small pieces of what I think is my timing chain guide in my oil pan. There's no grinding noise or anything so do i have to replace he guide? If so, do i have to remove my engine?
Mar 22, 2021 at 5:40 PM
Avatar
JACOBANDNICKOLAS
  • CERTIFIED EXPERT
  • 110,175 POSTS
Hi,

Did you save what was found in the pan? If you did, can you take a pic of it and upload it for me to see. As far as the injector, that doesn't sound right. If they used yours as a guide, didn't they notice the difference? Also, the engine doesn't need to be removed for a timing chain but send me the pic. If it is guide material, I will provide the directions. You will need to remove the radiator, but not the engine.

Joe
Mar 22, 2021 at 6:31 PM
Avatar
ARIANADANIELLE5345
  • MEMBER
  • 393 POSTS
I would assume they would notice. After seeing the picture of the injectors, can you tell if I can use it or not? Here are the pieces from the oil pan:
Mar 22, 2021 at 7:56 PM
Avatar
JACOBANDNICKOLAS
  • CERTIFIED EXPERT
  • 110,175 POSTS
Hi,

That is either from the guides or even could be from the gears. Some had a nylon covering. As far as the injector, it doesn't even appear as though it would fit. The diameter where it seats looks twice as big.

Let me know. Let me know if you want to replace the timing components as well.

Also, the OEM part number for the injector is 1L2Z9F593CA. See if the injector they provided crosses.

Take care,
Joe
Mar 22, 2021 at 8:23 PM
Avatar
ARIANADANIELLE5345
  • MEMBER
  • 393 POSTS
Yes, I am going to replace it. I bought a new one.
Mar 26, 2021 at 12:33 AM
Avatar
ARIANADANIELLE5345
  • MEMBER
  • 393 POSTS
But I'm not 100% positive if it's the front or rear or left or right. I think it's the front left but I don't know how to see for sure which one broke.
Mar 26, 2021 at 9:03 AM
Avatar
JACOBANDNICKOLAS
  • CERTIFIED EXPERT
  • 110,175 POSTS
As far as the injector position, it doesn't matter which cylinder gets the new one. If you have the correct one, you can place it anywhere. Just make sure all o-rings are good. I always lubricate them with Vaseline before installing them. That helps prevent damage from being done to the o-ring.

Let me know how things go for you or if you have other questions.

Take care,
Joe
Mar 26, 2021 at 6:37 PM
Avatar
ARIANADANIELLE5345
  • MEMBER
  • 393 POSTS
I meant the front or left for the timing chain guide. I bought a new guide.
Mar 26, 2021 at 8:16 PM
Avatar
JACOBANDNICKOLAS
  • CERTIFIED EXPERT
  • 110,175 POSTS
LOL, I was thinking of the fuel injector. The only thing you can do is take things apart until you see which one is bad.
Mar 26, 2021 at 9:09 PM
Avatar
ARIANADANIELLE5345
  • MEMBER
  • 393 POSTS
Okay, will do. I removed my radiator. What's next?
Mar 27, 2021 at 12:34 AM
Avatar
ARIANADANIELLE5345
  • MEMBER
  • 393 POSTS
Although the more I look at the parts that I found in the pan the less clear their original placement becomes. In the new one and in all the pictures I've seen, the little square cutouts are deep. This one seems to be shallow.
Mar 27, 2021 at 11:08 AM
Avatar
JACOBANDNICKOLAS
  • CERTIFIED EXPERT
  • 110,175 POSTS
Hi,

You need to remove the timing chain cover (front engine cover). If you look at the pics below, they are the directions.

Let me know if you need help.

Joe
Mar 27, 2021 at 6:54 PM
Avatar
ARIANADANIELLE5345
  • MEMBER
  • 393 POSTS
Do I need to remove the harmonic balancer?
Mar 30, 2021 at 8:10 AM
Avatar
JACOBANDNICKOLAS
  • CERTIFIED EXPERT
  • 110,175 POSTS
Hi,

Yes, it will need to be removed. I believe the oil pan bolts on the front of the pan will need to be removed as well. Let me know what you find or if you have other questions.

Take care,
Joe
Mar 30, 2021 at 5:55 PM
Avatar
ARIANADANIELLE5345
  • MEMBER
  • 393 POSTS
I finally got the balancer off but do I need to remove the two bolts in front of oil pan?
Apr 3, 2021 at 8:35 AM
Avatar
JACOBANDNICKOLAS
  • CERTIFIED EXPERT
  • 110,175 POSTS
Hi,

It's hard to tell what I'm looking at in the pic. However, it looks like I'm seeing pan bolts removed. There shouldn't be anything else.

Let me know.

Joe
Apr 3, 2021 at 8:50 PM
Avatar
ARIANADANIELLE5345
  • MEMBER
  • 393 POSTS
I don't see anything that the broken pieces could belong to. That's bad news, right? Doesn't it mean my engine has to be removed because it's in the back? It looks like it belongs on here.
Apr 4, 2021 at 5:53 PM
Avatar
JACOBANDNICKOLAS
  • CERTIFIED EXPERT
  • 110,175 POSTS
Hi,

That's odd. There is nothing that indicates a problem? As far as removing the engine, I don't see a need. I'm not sure what you mean by the back.

Joe
Apr 4, 2021 at 8:55 PM
Avatar
ARIANADANIELLE5345
  • MEMBER
  • 393 POSTS
The rear chain guides. Don't you have to remove the engine to get to those?
Apr 5, 2021 at 6:44 AM
Avatar
ARIANADANIELLE5345
  • MEMBER
  • 393 POSTS
Nevermind, i think i found it. The chain is incredibly loose right here and there's another broken off piece of plastic underneath it.
Apr 5, 2021 at 12:15 PM
Avatar
JACOBANDNICKOLAS
  • CERTIFIED EXPERT
  • 110,175 POSTS
That is yet another guide. It's very possible that is where it came from.

Let me know if you have questions.

Joe
Apr 5, 2021 at 6:12 PM
Avatar
ARIANADANIELLE5345
  • MEMBER
  • 393 POSTS
Since i'm in here and since my gasket set came with new ones, should i go ahead and change the head gaskets? If so, would you happen to have the procedure for that too?
Apr 6, 2021 at 7:17 AM
Avatar
JACOBANDNICKOLAS
  • CERTIFIED EXPERT
  • 110,175 POSTS
Hi,

That is a good question. I have always been taught if it isn't broken, don't fix it. However, you have a lot of the work already done. If your luck is anything like mine, if you don't replace them, you'll have a problem within a month. LOL

What I need you to do is start a new post with the head gasket instructions requested. We try to keep the posts specific to one topic. That way, it helps others.

Here is the link:

https://www.2carpros.com/questions/new

I hope you understand. Also, to answer your question, I suspect I would do it at this point.

Take care,

Joe



Apr 6, 2021 at 6:55 PM