starter wiring diagrams

2012 TOYOTA COROLLA
108,456 MILES • 4 CYL • 2WD • AUTOMATIC
Avatar
BLESSING EWOBOR
  • MEMBER
  • 754 POSTS
Hello, the vehicle is just silent when the ignition switch is turned to start position. I have tested the fuse and relay they are all working fine, I have tested the starter motor by connecting the solenoid wire directly to the battery, then the vehicle started properly. When I tested for power on the solenoid wire I could find any. I am suspecting the neutral safety switch but I need the diagram, that I may be able to by pass it and to see if there is any other things I supposed to check for.
Sep 16, 2020 at 10:04 PM
Advertisement
Avatar
4DRTOM
  • CERTIFIED EXPERT
  • 467 POSTS
Hello,

The safety switch is located on the side of the transmission. I have attached a picture for you.

Here is an article to test it:

https://www.2carpros.com/articles/how-a-neutral-safety-switch-works

Tom
Sep 17, 2020 at 9:12 AM
Avatar
BLESSING EWOBOR
  • MEMBER
  • 754 POSTS
Thank you, but I asked for the circuit diagram.
Sep 17, 2020 at 10:46 AM
Advertisement
Avatar
DANNY L
  • CERTIFIED EXPERT
  • 5,648 POSTS
Hello, I'm Danny.

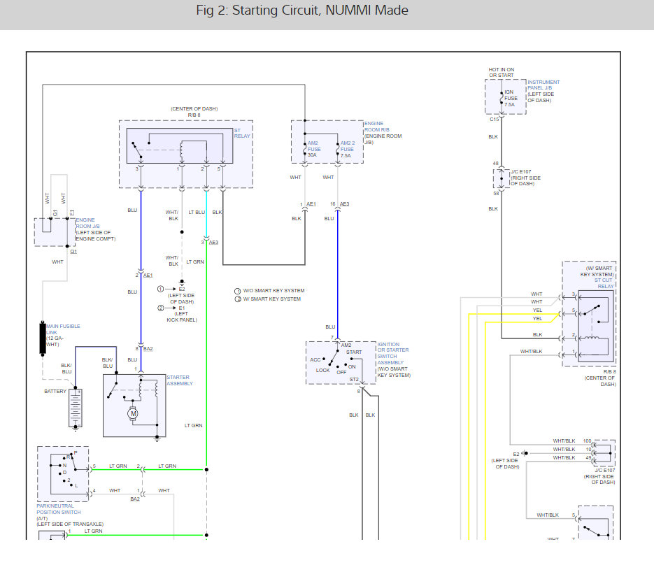
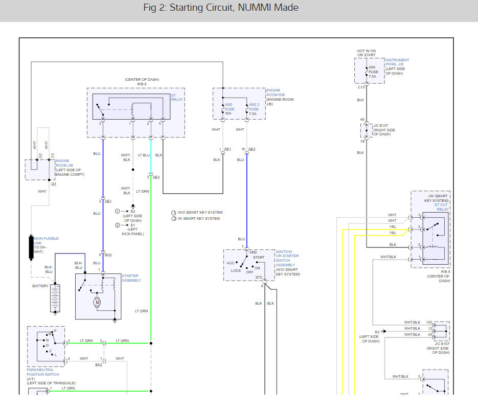
Here is the transmission wiring diagram you asked for. This diagram is based on the 1.8L engine since you didn't include that information on your post. I've attached below and cut the pictures in half for you to view larger.The wires for the neutral safety switch are numbers 6-12 on the diagram that come from the ECM to the switch. I've attached them below again. Check out the diagrams (Below). Please let us know what you find. We are interested to see what it is. Thanks again for using 2CarPros.
Sep 17, 2020 at 10:29 PM
Avatar
BLESSING EWOBOR
  • MEMBER
  • 754 POSTS
Thank you.
Sep 18, 2020 at 7:08 PM
Avatar
DANNY L
  • CERTIFIED EXPERT
  • 5,648 POSTS
You're welcome!
Keep us updated as to your progress. Hope this helps and thanks again for using 2CarPros.

Danny-
Sep 18, 2020 at 8:06 PM
Avatar
BLESSING EWOBOR
  • MEMBER
  • 754 POSTS
Please can I have the complete starting circuit diagram like the first one you sent but clearer ones.
Sep 18, 2020 at 10:03 PM
Avatar
STRAILER
  • CERTIFIED EXPERT
  • 53,855 POSTS
Hello, please recheck the wiring diagrams from above. I updated them. also here is a guide to help you check them:

https://www.2carpros.com/articles/how-to-check-wiring

Please run down this guide and report back.
Sep 19, 2020 at 12:20 PM