Wastegate parameters?

2018 INFINITI Q50
99,000 MILES • 6 CYL • TURBO • 2WD • AUTOMATIC
Avatar
BHAMDOC1973
  • MEMBER
  • 2,008 POSTS
Can you find out for me what the live data parameters should be on the turbos? Goes in limp mode then can be cleared and driven until the next cycle. Code p2563 i believe. Infiniti sells the whole turbo with the wastegate. I need to know what numbers i should be getting from the wastegates when started cold and once warm if there is a difference. Also, if possible, to measure the wastegate actuator using a multimeter.
Apr 12, 2025 at 6:32 AM
Advertisement
Avatar
STEVE W.
  • CERTIFIED EXPERT
  • 15,113 POSTS
To test it fully you need a scan tool that can step it through the test while you watch the voltages. Without a scan tool you basically apply voltage and see if it moves. This is the OE process. Basically it's - Test it, if it isn't working, replace the turbo assembly. I'm expecting in the next couple of years to just see "Does the engine start? No- Replace engine module"

With CONSULT
Turn ignition switch ON.
On CONSULT screen, select “ENGINE”>>“Active Test”>>“WASTEGATE ACTUATOR”.
Select the following monitor items:
Wastegate ACTUATOR POSITION B1
Wastegate ACTUATOR POSITION B2
Wastegate ACTUATOR POSI SEN B1
Wastegate ACTUATOR POSI SEN B2

Perform the test.
Check that the relationship of the values displayed on the monitor items as the following.
Monitor item

ACTUATOR POSITION B1-B2 (m) SEN B1-B2 (V)
Position Value 0.0073 – 0.0087 3.61 – 4.11
Position Value 0.0033 – 0.0047 2.25 – 2.75

Is the inspection result normal?
YES >>
INSPECTION END
NO >>
Replace turbocharger assembly.

3. CHECK ELECTRIC WASTEGATE CONTROL ACTUATOR (BANK 1)

Without CONSULT
Turn ignition switch OFF.
Disconnect Wastegate control actuator harness connector.
While checking the POSITION SENSOR OUT voltage with an oscilloscope, apply a voltage of 12 V to the positive or negative terminal.
Does ACTUATOR SHAFT visually operate and POSITION SENSOR OUT voltage change?
YES >>
INSPECTION END
NO >>
Replace turbocharger assembly.
Apr 12, 2025 at 10:43 AM
Avatar
BHAMDOC1973
  • MEMBER
  • 2,008 POSTS
So actuator position bank 1 should be between 0.0073 and 0.0087? And voltage 3.61-411v? Just so I am following it correctly. And yes, i have a scanner. Will check these data with engine off ignition on.
Apr 12, 2025 at 11:13 AM
Advertisement
Avatar
BHAMDOC1973
  • MEMBER
  • 2,008 POSTS
Also yesterday i asked my son to use a regular scanner to scan what he can with regards to both actuators he did this when car was cold first then after clear inf the code, but I will use my Autel later to see what i can find.
Apr 12, 2025 at 11:31 AM
Avatar
STEVE W.
  • CERTIFIED EXPERT
  • 15,113 POSTS
The formatting got a bit messed up. However, the basics are that for the voltage range of 2.5-2.75 volts the gate should open .003-.005 then from 3.5-4 volts it should open twice that far. The idea being that it uses PWM and average voltages to control it, not a steady voltage. If you applied say a straight 12 volts it would act like a solenoid, by using PWM they can control the bypass through it like you were turning a volume control.
Apr 12, 2025 at 1:58 PM
Avatar
BHAMDOC1973
  • MEMBER
  • 2,008 POSTS
I see. So how should i change the voltage to see the change? Rev it?
Apr 12, 2025 at 2:13 PM
Avatar
STEVE W.
  • CERTIFIED EXPERT
  • 15,113 POSTS
That is why you use the scan tool. You can set the desired amount and then read what it actually does. The non scan tool test simply tells you that it opens and closes, but not how it actually operates under computer control. You would need a variable DC voltage and a chart telling you the percentage for each voltage step.
A PWM supply is very handy for testing various items on modern vehicles. I've got 3 of them in my toolbox as well as a waveform generator. Getting to the point that you need more electronics than steel tools.
Apr 12, 2025 at 2:21 PM
Avatar
BHAMDOC1973
  • MEMBER
  • 2,008 POSTS
Problem is there is no way to get to the actuator and test it with the multimeter, it's super tight. I will see what the auto offers. PWM I may not understand it enough to work with it.
Apr 12, 2025 at 2:29 PM
Avatar
STEVE W.
  • CERTIFIED EXPERT
  • 15,113 POSTS
Take a switch in a circuit with a bulb and power source. PWM is basically the ratio between the switch being on or off. Say you have a 12-volt source and turn the switch on and off very rapidly at 50% pulse width, the result would be that the light would see 6 volts. 75% = 9 volts and so on. Most of the devices I have can be sine wave or square wave. The sine wave can mimic the signal from something like a wheel speed sensor as it raises and lowers the overall voltage. The square wave can emulate a cam sensor or active sensor that only turns on and off.
Yep, that is why the scan tool is needed. There are a lot of items that need you to control signals while monitoring them. Looking at the wiring there are no connectors between the turbo and the PCM and monitoring it at the PCM won't show what the valve is actually doing without the translation of the PCM for the signals.
Apr 12, 2025 at 4:59 PM
Avatar
BHAMDOC1973
  • MEMBER
  • 2,008 POSTS
But there is the electrical waste gate actuator.
Apr 12, 2025 at 5:55 PM
Avatar
STEVE W.
  • CERTIFIED EXPERT
  • 15,113 POSTS
There are two, one for each turbo and they are not replaceable without the complete turbo assembly.
Apr 13, 2025 at 1:59 PM
Avatar
BHAMDOC1973
  • MEMBER
  • 2,008 POSTS
I could go up and down with the wastegate in "m" values and both respond as well as voltages and i can hear both.
Apr 13, 2025 at 2:09 PM
Avatar
BHAMDOC1973
  • MEMBER
  • 2,008 POSTS
I could go up and down with the wastegate in "m" values and both respond as well as voltahes and i can hear both
Apr 13, 2025 at 2:09 PM
Avatar
BHAMDOC1973
  • MEMBER
  • 2,008 POSTS
yes, I know there are two and I can see the connector to them, manual says they are not replaceable and Nissan sells the assembly as a whole, but they are sold online aftermarket, if I know for sure one is bad I can manage to change it but hard to know as I hear both moving and I see the voltage changes when I change the values. I don't want to play with the nut adjustment, it is out there in steps, but that is usually or should be done when installing new turbos I believe.
Apr 13, 2025 at 2:36 PM
Avatar
STEVE W.
  • CERTIFIED EXPERT
  • 15,113 POSTS
If they are both moving, they are likely not the problem. It is likely an issue in the wiring that sends the position back to the PCM.
Apr 13, 2025 at 4:17 PM
Avatar
BHAMDOC1973
  • MEMBER
  • 2,008 POSTS
Just did it when thecar is cold, and it shows it's out of range. The voltage didn't change when changing bank 1 up or down.
Apr 13, 2025 at 5:02 PM
Avatar
STEVE W.
  • CERTIFIED EXPERT
  • 15,113 POSTS
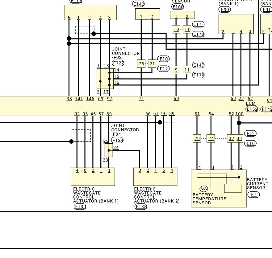
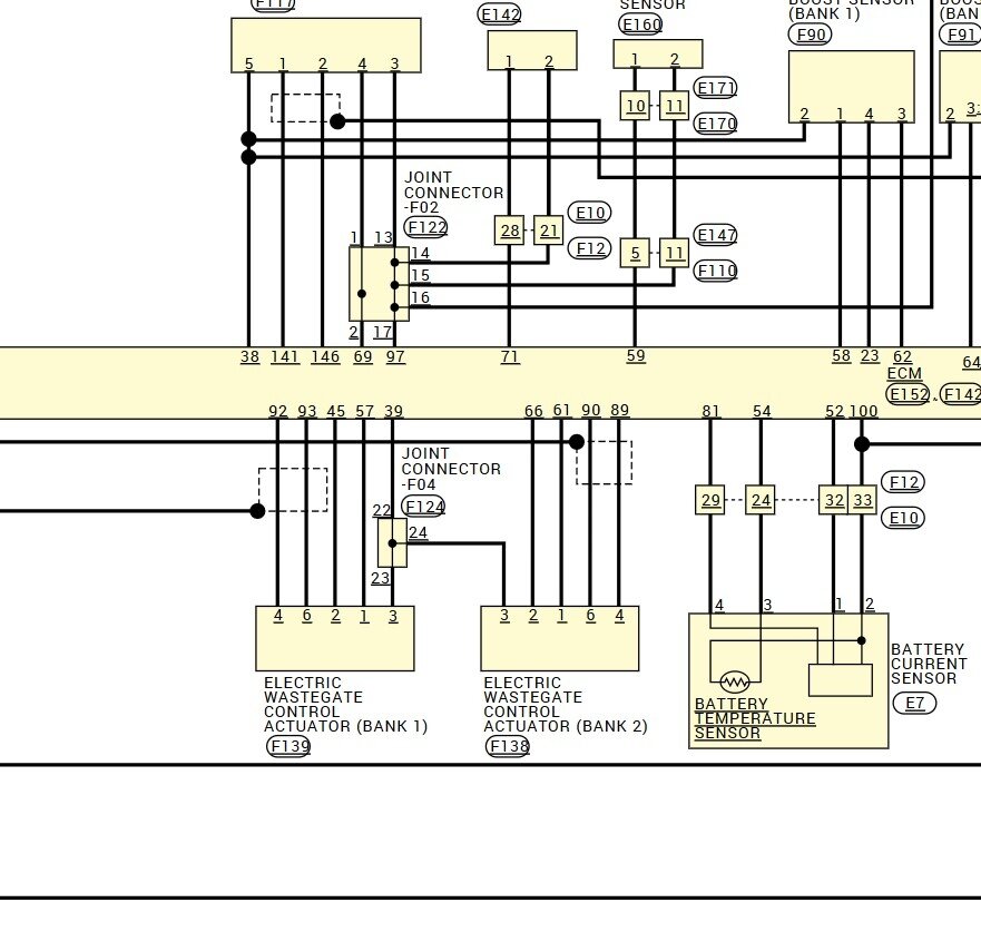
Okay, if you actuated it and nothing changed it's either the actuator or the wiring to it. That means you need to get to the wiring and unplug it, then test with a meter in place of the actuator. If you command different opening levels the meter should change if the wiring is okay. If it changes the actuator is suspect. If not it's the wiring. This is the wiring to that gate. Note that the two blue wires are entirely different though.

Apr 14, 2025 at 10:54 AM
Avatar
BHAMDOC1973
  • MEMBER
  • 2,008 POSTS
I started to fool with it, removed the boot that gas a MAF sensor in it, which connects from the air filter box to the turbo. Turns out someobe has already taped the boot with tape previously as it has a big hole in it but that didnt hold up. Ao i just re-taped it right and put it back and i want to see if the extra air going into the boot or the pressure leaving through the hole is what was causing this code.
Apr 29, 2025 at 2:00 PM
Avatar
STEVE W.
  • CERTIFIED EXPERT
  • 15,113 POSTS
Yeah a hole in the aid ducts can cause a lot of different errors on a turbo car. You can get replacement ducts made of silicone for many vehicles. Just measure the interior and length of the damaged one, they normally use a conventional hose clamp that you might need.
Apr 29, 2025 at 4:06 PM