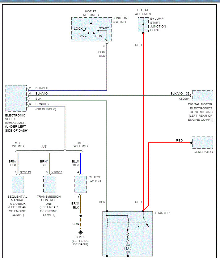
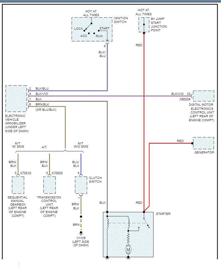
I have been trying to track this problem down and it’s driving me crazy. My car will randomly have a weak start or sluggish start. It’s been like this since I bought the car in used condition and then the car finally stopped running. Changed the starter for another one that was off another BMW and same problem. so I thought alright this time I’ll buy new. Well, I bought a brand new Bosch starter and same problem happens from time to time. AutoZone says battery and alternator checks out. I checked the engine ground cable and it looks fine. What am I missing?
Oct 4, 2020 at 6:23 PM
