Rear upper control arms need to be replaced

2003 GMC ENVOY
150,000 MILES • 4.2L • V6 • 2WD • AUTOMATIC
Avatar
KöNIG SEKULICH
  • MEMBER
  • 2 POSTS
My rear upper control arms needed replaced. When I took them off the inner part of the sub frame it attaches to was rusty and rusted out when I took the control arm off. Can I weld a plate or something so I can attach the control arm or would the sub frame need replaced. I have a picture if you need to see it.
Mar 9, 2020 at 5:52 PM
Advertisement
Avatar
JACOBANDNICKOLAS
  • CERTIFIED EXPERT
  • 110,175 POSTS
Hi,

Repair is really based on condition of what is left. This is an important component which must be strong. Can you take a few pics of what you are dealing with so I can see?

I'm going to provide directions for removal and install of the control arm I'm adding them so you have the procedure and torques specs.

________________________

2003 GMC Truck Envoy 2WD L6-4.2L VIN S
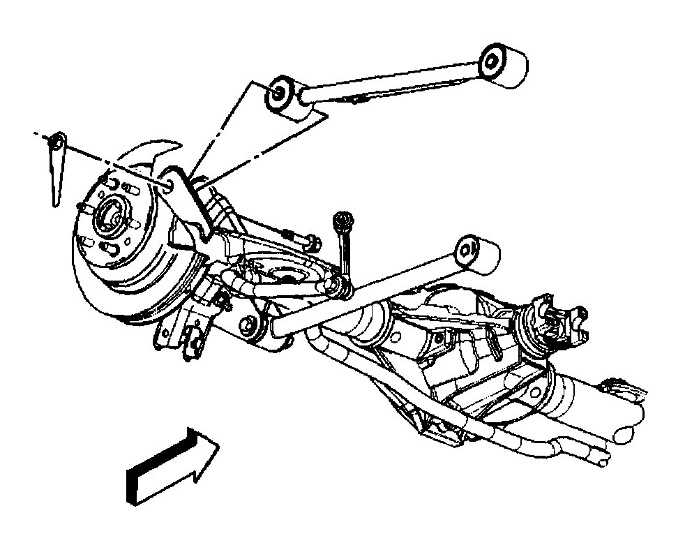
Rear Axle Upper Control Arm Replacement
Vehicle Steering and Suspension Suspension Control Arm Service and Repair Procedures Rear Suspension Rear Axle Upper Control Arm Replacement
REAR AXLE UPPER CONTROL ARM REPLACEMENT
Rear Axle Upper Control Arm Replacement

Removal Procedure
1. Raise and support the vehicle. Refer to Vehicle Lifting.
2. Remove the tire and wheel.
3. Remove the wheelhouse panel.


pic 1


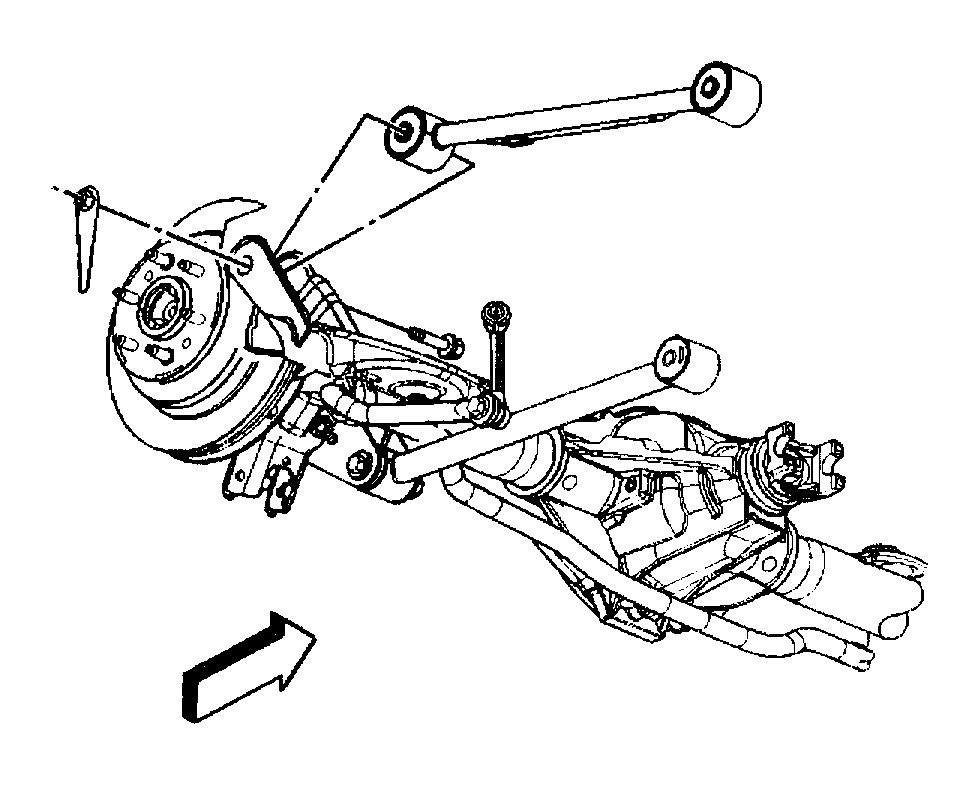
4. Raise and support the rear axle at the designed D - height.
5. If equipped with air suspension, Repressurize the air suspension system.
6. If equipped with air suspension, disconnect the air suspension leveling sensor link from the rear axle upper control arm.


pic 2


7. Remove the rear axle upper control arm to axle mounting bolt and nut.


pic 3


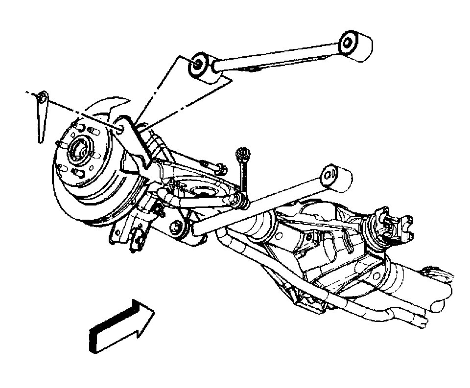
8. Remove the rear axle upper control arm to frame mounting bolt.
9. Remove the rear axle upper control arm.

Installation Procedure


pic 4


1. Install the rear axle upper control arm.
2. Install the rear axle upper control arm to frame mounting bolt.

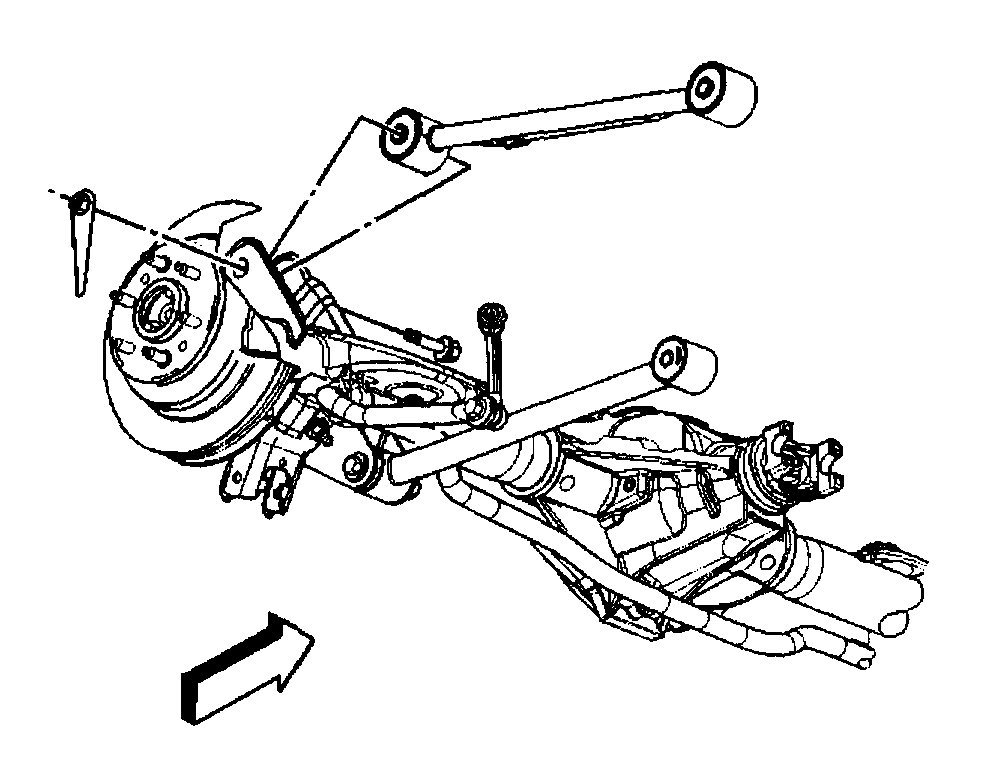
Notice: Refer to Fastener Notice in Service Precautions.


pic 5


3. Install the rear axle upper control arm to axle mounting nut and bolt.
Tighten the rear axle upper control arm mounting bolts to 130.5 Nm (96 ft. lbs.).
4. If equipped with air suspension, connect the air suspension leveling sensor link to the rear axle upper control arm.


pic 6


5. Remove the rear axle support.
6. Install the wheelhouse panel.
7. Install the tire and wheel.
8. Lower the vehicle.

_______________

I will watch for your pictures.

Take care,
Joe
Mar 9, 2020 at 8:25 PM
Avatar
KöNIG SEKULICH
  • MEMBER
  • 2 POSTS
See where the inner part of the sub-frame is rusted out? Is this patch-able or does the sub-frame need replaced?
Mar 9, 2020 at 9:25 PM
Advertisement
Avatar
JACOBANDNICKOLAS
  • CERTIFIED EXPERT
  • 110,175 POSTS
I have to be honest, I would replace it. That takes a lot of stress. If that spot is that bad, around it will not be much stronger. You may blow through with the weld if it's too thin.

Not being there, that is what I suggest. However, if you know a good welder that can check it, I recommend having it looked at before spending the money to try a repair.

Let me know if there is any way I can help.

Joe
Mar 10, 2020 at 8:26 PM