Thermostat location

2008 CHEVROLET UPLANDER
169,000 MILES • 3.9L • V6 • 2WD • AUTOMATIC
Avatar
TED FINLEY
  • MEMBER
  • 10 POSTS
Gets hot need to replace thermostat.
May 2, 2019 at 5:32 PM
Advertisement
Avatar
ASEMASTER6371
  • CERTIFIED EXPERT
  • 52,796 POSTS
Good evening,

I posted the procedure below and attached a couple of pictures for you to view.

It is a little tight to access but is not that hard.

Roy

Engine Coolant Thermostat Housing Replacement

Tools Required

J 38185 (SA9111E) Hose Clamp Pliers

Removal Procedure

Important: Use the J 38185 (SA9111E) to gently release tension on the hose clamp until the hose clamp lock feature engages allowing removal of the hose.



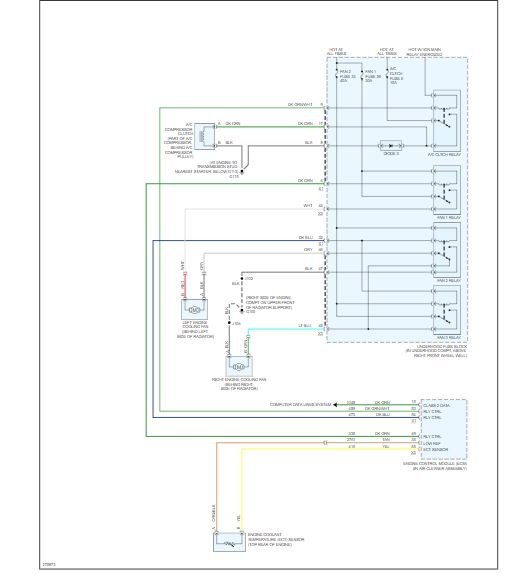
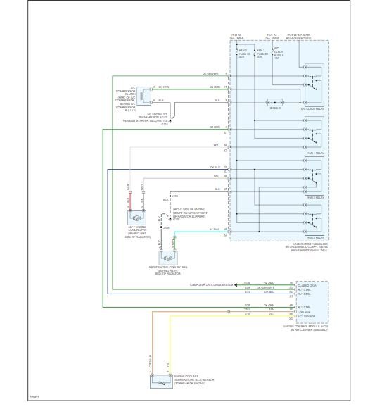
imageOpen In New TabZoom/Print

1. Drain the cooling system. Refer to Cooling System Draining and Filling (Static Fill LZ9) (See: Cooling System > Removal and Replacement)Cooling System Draining and Filling (Vac-N-Fill) (See: Cooling System > Removal and Replacement).
2. Using the J 38185 release the tension on the hose clamp at the thermostat housing and reposition the clamp.
3. Remove the radiator outlet hose from the thermostat housing.


imageOpen In New TabZoom/Print

4. Remove the thermostat housing bolt/stud.
5. Remove the thermostat housing.
May 2, 2019 at 7:15 PM
Avatar
TED FINLEY
  • MEMBER
  • 10 POSTS
Thank's Roy, this will be of great help to me!
May 3, 2019 at 6:52 AM
Advertisement
Avatar
ASEMASTER6371
  • CERTIFIED EXPERT
  • 52,796 POSTS
You are welcome.

always glad to help.

Roy
May 3, 2019 at 7:37 AM
Avatar
TED FINLEY
  • MEMBER
  • 10 POSTS
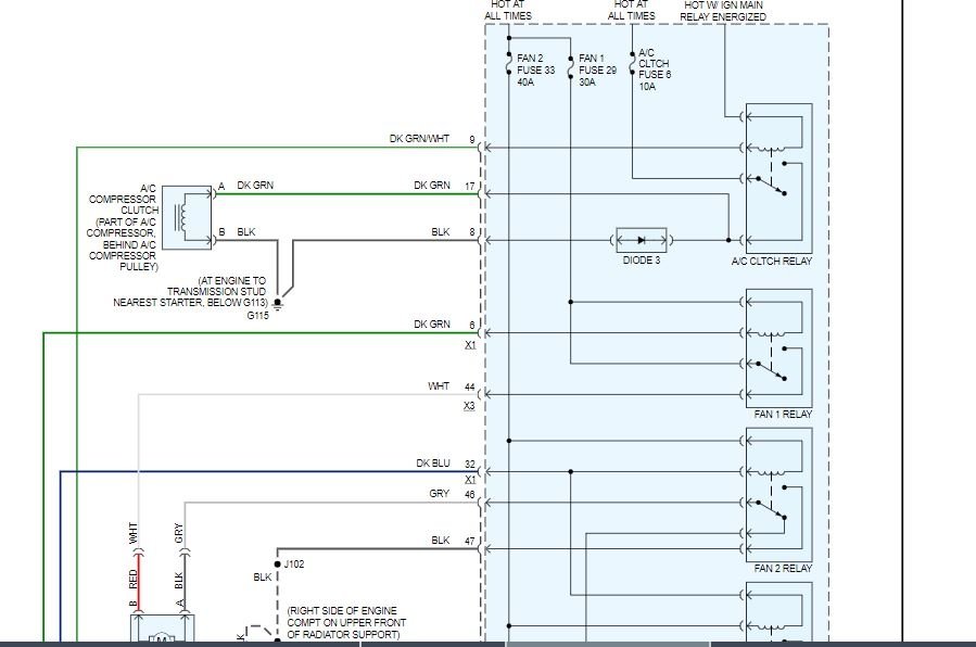
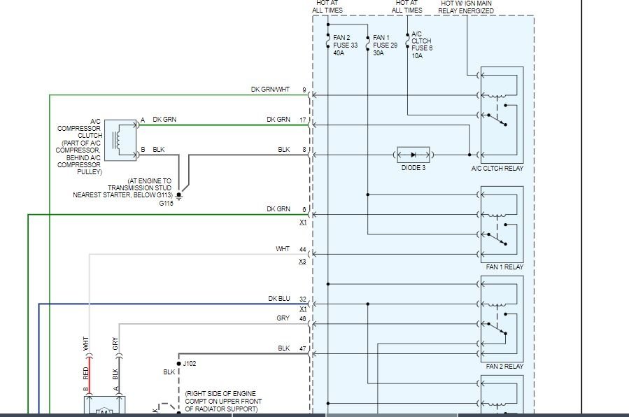
still having fan trouble. this is what I have checked: fans come on if I use A/C low speed only . Changed engine cool sensor and hook up plug . if I unplug fan while engine running fan will come on high speed then cut off. Checked relays if using tester hooked to ground and check relay when I touch tester to relay on all three at different times both fan will cone on high speed. I guess I need to know what and what else to do or check. any help would be needed. thanks.
May 3, 2019 at 4:41 PM
Avatar
ASEMASTER6371
  • CERTIFIED EXPERT
  • 52,796 POSTS
Okay, unplug which fan?

The PCM controls the grounds on the relays for the fan based on the reading from the coolant sensor.

Roy
May 3, 2019 at 6:02 PM
Avatar
TED FINLEY
  • MEMBER
  • 10 POSTS
the radiator and A/C cooling fans that cool the radiator then they cool on high speed about 45 seconds. the cooling sensor is new , fans are new. we had one on the other fans not working we checked and one was bad.
May 3, 2019 at 8:02 PM
Avatar
ASEMASTER6371
  • CERTIFIED EXPERT
  • 52,796 POSTS
Okay, did you replace the bad fan?

What temperature thermostat did you use when you replaced the thermostat?

How hot does the motor get?

Roy
May 6, 2019 at 4:22 AM