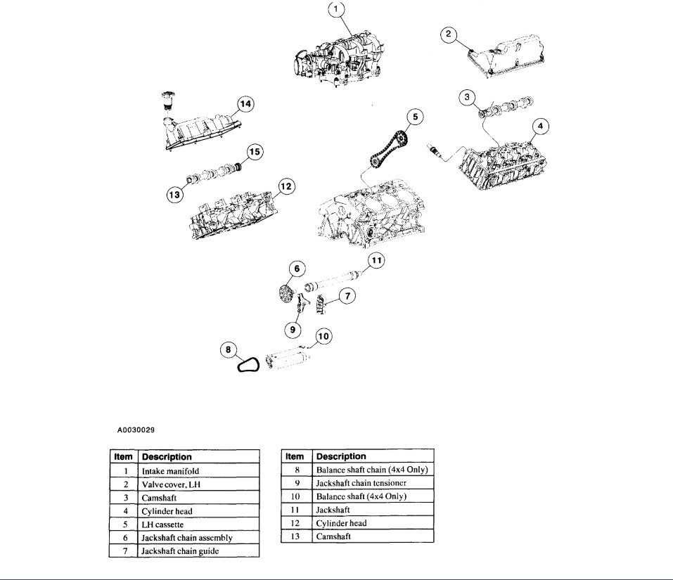
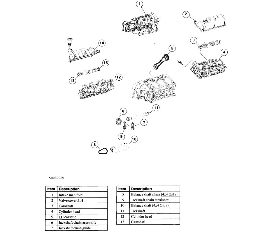
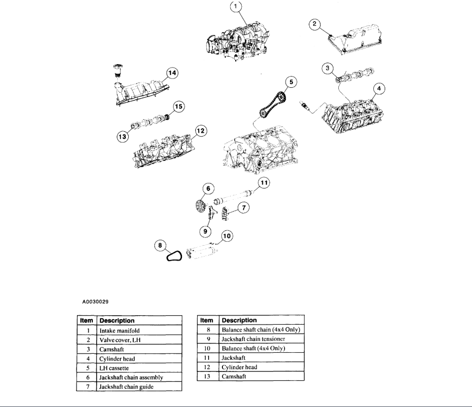
My truck listed above has a different engine in it than what it had when it came from the factory and I am trying to figure out what engine it is so I can order the right parts. The engine has no balance shaft, from what I understand all of the Ford vehicles with 4x4 4.0 v6 engine From 01- 09 have balance shafts. Trying to figure out where I can look On the engine to find what the model is or what year it is to verify the parts I need before buying. One issue that occurred when taking the engine apart is the front jackshaft sprocket got stuck into place when I placed it back on to get the rear sprocket/bolt off. I believe some material may have been on the sprocket when I placed it back on the jackshaft. How can I safely remove this without damaging components?,other than the sprocket which I will replace anyways. Any insight on either of my issues would be greatly appreciated. Also what’s a good easy way to clean head gasket sealing surfaces? Thanks
-Shane
-Shane
Jul 4, 2020 at 11:59 PM


