What potential issues will I face, changing my fuel Injector

2003 CHEVROLET BLAZER
165,000 MILES • V6 • 4WD • AUTOMATIC
Avatar
CHARLES VAN B
  • MEMBER
  • 5 POSTS
I need to either replace my Electronic Fuel Injector or Clean (the suspected dirt) from the gas tank in my vehicle listed above.

What potential "issues" will I face by dropping the gas tank to clean-out the dirt that clogs the EFI in my car?
May 21, 2020 at 9:35 PM
Advertisement
Avatar
STEVE W.
  • CERTIFIED EXPERT
  • 15,113 POSTS
There are two filters in that fuel system that should keep any dirt in the tank out of the system. One is the sock filter inside the tank and the other is mounted to the frame rail below the drivers door. What is the issue you are having that makes you think you are getting dirt into the injector unit?
May 22, 2020 at 6:04 AM
Avatar
ASEMASTER6371
  • CERTIFIED EXPERT
  • 52,796 POSTS
Good morning,

The upper cover has to be removed to gain access to the spider. It is not a difficult job but it is a tight job. Make sure you move everything out of the way when removing. Do not take short cuts. You have wiring and plastic vacuum lines that are fragile.

Roy


FUEL INJECTOR FUEL METER BODY REPLACEMENT

Removal Procedure

An 8-digit part identification number is on a mylar label affixed to the fuel meter body assembly. Refer to this number if servicing or part replacement is required.

Caution: Unless directed otherwise, the ignition and start switch must be in the OFF or LOCK position, and all electrical loads must be OFF before servicing any electrical component. Disconnect the negative battery cable to prevent an electrical spark should a tool or equipment come in contact with an exposed electrical terminal. Failure to follow these precautions may result in personal injury and/or damage to the vehicle or its components.

For Vehicles equipped with OnStar (UE1) with Back Up Battery:
The Back Up Battery is a redundant power supply to allow limited OnStar functionality in the event of a main vehicle battery power disruption to the VCIM (OnStar module). Do not disconnect the main vehicle battery or remove the OnStar fuse with the ignition key in any position other than OFF. Retained accessory power (RAP) should be allowed to time out or be disabled (simply opening the driver door should disable RAP) before disconnecting power. Disconnecting power to the OnStar module in any way while the ignition is On or with RAP activated may cause activation of the OnStar Back-Up Battery (BUB) system and will discharge and permanently damage the back-up battery. Once the Back-Up Battery is activated it will stay on until it has completely discharged. The BUB is not rechargeable and once activated the BUB must be replaced.

1. Disconnect the negative battery cable.

2. Relieve the fuel system pressure. See: Fuel Pressure Release > Procedures > Fuel System Pressure Relief

3. Remove the upper intake manifold assembly. See: Intake Manifold > Removal and Replacement > Upper Intake Manifold Replacement

Notice: Do not use any solvent that contains Methyl Ethyl Ketone (MEK). This solvent may damage fuel system components.

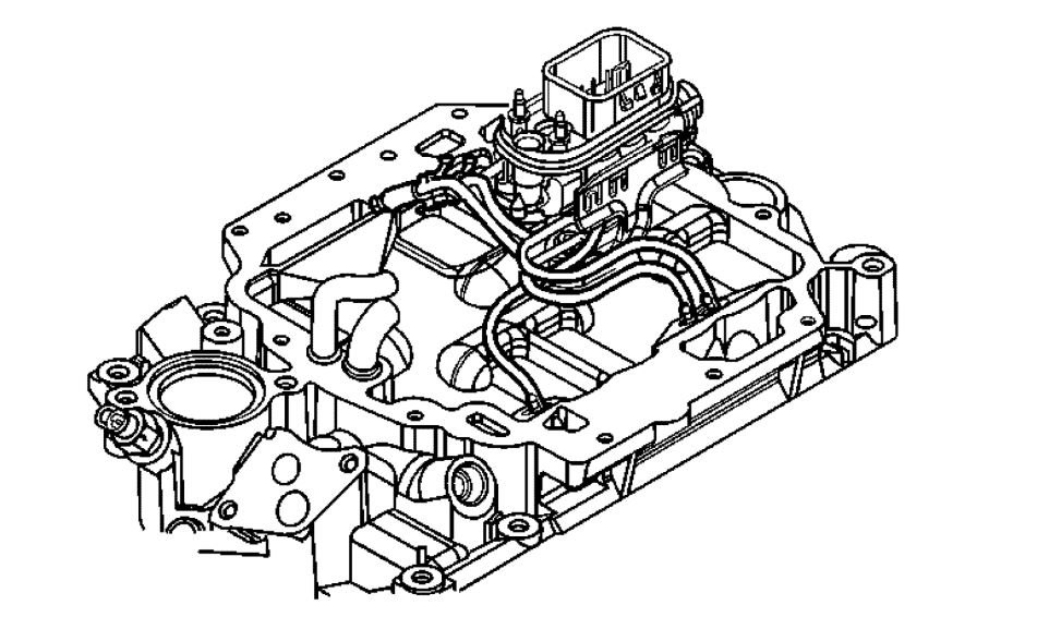
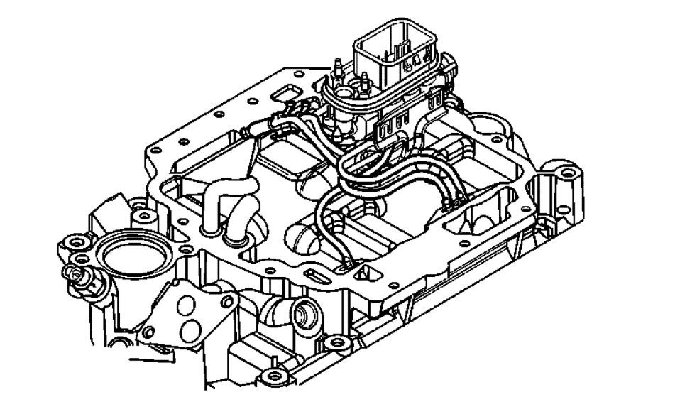
4. Before removal, clean the fuel meter body assembly with a spray type engine cleaner, GM X-30A or the equivalent, if necessary. Follow the package instructions. DO NOT soak fuel meter body assemblies in liquid cleaning solvent.


imageOpen In New TabZoom/Print



Notice: Cover the injector sockets in order to prevent dirt and other contaminants from entering the open fuel passages.

Important: When disconnecting the injectors, remember the sequence in order to ensure correct injectors placement to each cylinder.

5. Lightly pull on the injector tube and use a small pocket screwdriver to remove the injector from the manifold.


imageOpen In New TabZoom/Print



6. Remove the fuel meter body from the bracket by releasing the lock tabs on the bracket.

Intake Manifold Replacement - Upper

Removal Procedure

Important: The upper intake does not have to be removed to remove the lower intake manifold.


imageOpen In New TabZoom/Print


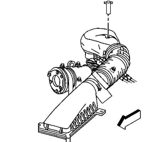
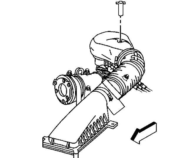
1. Disconnect the breather tube at the air cleaner outlet duct.


imageOpen In New TabZoom/Print


2. Remove the air cleaner outlet duct retaining wingnut.


imageOpen In New TabZoom/Print


3. Disconnect the IAT sensor harness connector.


imageOpen In New TabZoom/Print


4. Remove the air cleaner outlet duct from the throttle body.


imageOpen In New TabZoom/Print


5. Disconnect the accelerator cable from the throttle body.

image
6. Remove the accelerator cable from the accelerator control cable bracket.


imageOpen In New TabZoom/Print


7. Disconnect the cruise control cable, if equipped from the throttle shaft and the accelerator cable bracket.
8. Disconnect the vacuum hose from the intake manifold for the vacuum tank.
9. Remove the power brake booster vacuum hose.


imageOpen In New TabZoom/Print


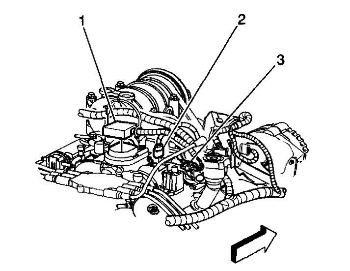
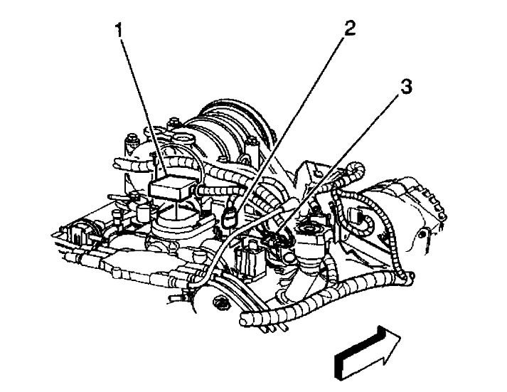
10. Disconnect the following electrical connectors:
The A/C compressor clutch (1)
The A/C compressor cutoff switch (5), if equipped
The Throttle Position (TP) sensor (2)
The Idle Air Control (IAC) motor (3)


imageOpen In New TabZoom/Print


11. Disconnect the following electrical connectors:
The fuel meter body assembly (1)
The Manifold Absolute Pressure (MAP) sensor (3)
The EVAP canister purge solenoid valve (2)
12. Remove the engine wire harness clip from the accelerator cable bracket.
13. Move the engine wiring harness aside.


imageOpen In New TabZoom/Print


14. Remove the accelerator cable bracket from the throttle body and the intake manifold.


imageOpen In New TabZoom/Print


15. Remove the accelerator and cruise control cable bracket from the throttle body. Leave the accelerator and cruise control cables on the bracket.


imageOpen In New TabZoom/Print


16. Remove the PCV valve hose assembly from the intake manifold and the valve rocker arm cover.


imageOpen In New TabZoom/Print


17. Remove the bracket for the engine wiring harness from the intake manifold stud.
18. Remove the fuel lines from the fuel meter body assembly.
19. Remove the EVAP canister purge solenoid valve.


imageOpen In New TabZoom/Print


20. Remove the studs for the upper intake manifold.
21. Remove the upper intake manifold.


imageOpen In New TabZoom/Print


22. Remove the upper intake manifold gasket from the groove.
23. Discard the gasket.
May 22, 2020 at 6:21 AM
Advertisement
Avatar
CHARLES VAN B
  • MEMBER
  • 5 POSTS
Steve (my first reply) My engine is unable to start.
The starter does crank and crank, but the motor seems to get no fuel when I engage my starter.
I notice no smoke from my exhaust system.

When I bang the bottom of the fuel tank, this does clear this ^ symptom - but only intermittently. The motor repeats this same symptom like it is starved for fuel.
Should I suspect either a clogged starter or is it defective?
May 24, 2020 at 7:20 AM
Avatar
ASEMASTER6371
  • CERTIFIED EXPERT
  • 52,796 POSTS
This sounds like the fuel pump itself if you have to bang the tank for it to work.

https://www.2carpros.com/articles/how-to-replace-an-electric-fuel-pump

Roy
May 24, 2020 at 7:22 AM
Avatar
STEVE W.
  • CERTIFIED EXPERT
  • 15,113 POSTS
As Roy stated that is very likely the pump itself. They are a known failure item on GM trucks. The bang the tank test is one you can use to verify it's the pump. The impact moves the pump just enough sometimes that it works again. In your case you have already proven it's the pump. The only hard part on replacing the pump in that truck is getting the tank out to work on it. Do not buy a cheap pump though, there are a lot of low cost ones but you don't want to need to replace it in another year because it failed again. I try to use Delco pumps whenever possible. Be aware that the 2 door and 4 door use different pumps as well. AC Delco MU1760 is the 2 door pump, AC Delco MU1733 is the 4 door unit.
Those will come with a replacement wiring pigtail as well to repair the commonly damaged original connector.
The article Roy linked has some good info on the process. There are also a number of videos on YouTube showing the process just search - blazer fuel pump replacement
As an example:
https://www.youtube.com/watch?v=3_i1WLoPOPk
https://www.youtube.com/watch?v=VAj-zeQGZec


May 24, 2020 at 8:38 AM