No electrical power and codes p1604, p0603, c1295 and c1255

1997 CADILLAC STS
155,000 MILES • 4.6L • V8
Avatar
ROBERTEUGENEALBERIGI
  • MEMBER
  • 17 POSTS
Right now no power to anything in car. seats, lights, locks, security, trunk. Gas lid and the only codes that pop up are p1604 p0603 c1295 c1255.
Feb 16, 2020 at 9:55 PM
Advertisement
Avatar
JOETECHPRO
  • CERTIFIED EXPERT
  • 705 POSTS
Hey ROBERTEUGENEALBERIGI,

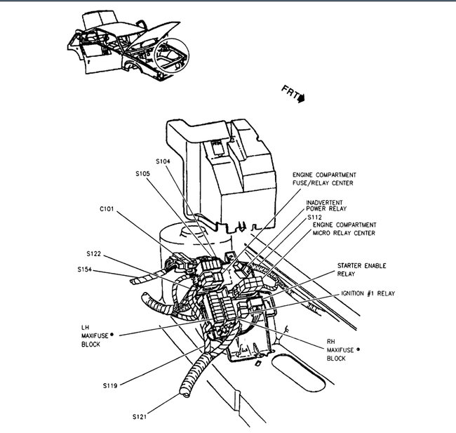
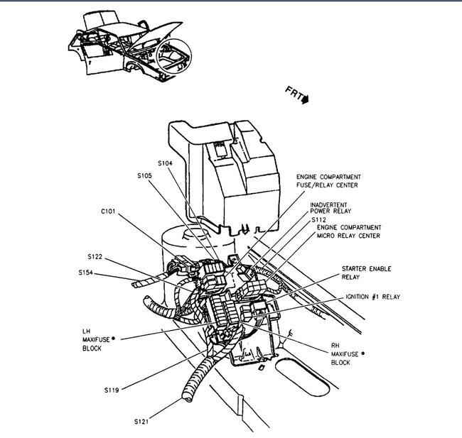
Can you please check all fuses in the engine compartment and truck fuse boxes?

I have attached diagrams to show the location of these fuse boxes.

This is always the first step in electrical diagnosis.

There is a guide on how to check fuses below.

A 12V test light makes the process much quicker.

https://www.2carpros.com/articles/how-to-check-a-car-fuse

Let us know what you find here.

Regards, Joe
Feb 16, 2020 at 10:32 PM
Avatar
ROBERTEUGENEALBERIGI
  • MEMBER
  • 17 POSTS
Okay, checked trunk fuse block continuity; first all were good then key on power to all 12 v. then engine compartment fuse block same all good all 12 v, but one DRL fuse only 11 v. now that i have done all of these things i turn on key and chime goes off five times and headlights come, on the check engine light comes on, clock comes on, trunk light comes on. lid open i turn off'the key and head lights tail lights go off and then the interior lights come on when i shut! the door. When
the headlights are on i cannot seem to turn them off no matter what switch for the lights i turn or pull. And still not even a click out of the starter or dash lights or any relays.what i was getting a noise out of starter relay when i would pull out and in a couple times on the PCM fuse. oh, and when the headlamps are on there are no high beams. I just went back out and turned on key and the chime went off 7 times with a few seconds between the headlamps coming on. turned off key everything goes off; radio, clock, check engine light, headlamps and then shut the door and interior lights come on.
Feb 18, 2020 at 10:29 PM
Advertisement
Avatar
JOETECHPRO
  • CERTIFIED EXPERT
  • 705 POSTS
Hey ROBERTEUGENEALBERIGI,

What did you do that created a change?

Have you always had dash lights but just no start.

You have a code stored for the brake light switch input to the ABS control unit.

Can you please turn the ignition on and get someone to press the brake pedal.

Do the brake lights work?

Have you attempted to boost the battery?

Regards, Joe
Feb 20, 2020 at 12:41 PM
Avatar
ROBERTEUGENEALBERIGI
  • MEMBER
  • 17 POSTS
Okay, i took and replaced the stock battery cable ends and crimped and soldered new ones on. i added more ground straps to engine chassis body frame and changed battery and the starter and pcm. i don't have dash lights just check engine soon light.now i went out and depressed the brake pedal and brake lights come on. also i put the key in and try to start nothing, but with key on brake lights still work the check engine light cones on and the chime rings 5 to 7 times stops and head lights come on then turn key off and lights go off. With no delay and when the lights are on you can't shut them off with any switch of any kind. The check engine light goes off as soon as the key is turned off. i get out of car nothing is on. i shut the door inside dome light comes on and no others not at any time there's any dash lights or cluster lights working and i cant turn on the head lights with the switch. i want to thank you for your help. i am trying what ever you think i at a awe.i forgot yes i have tried my 200 am quick start 35 amp fast charge no difference.
Feb 20, 2020 at 10:41 PM
Avatar
JOETECHPRO
  • CERTIFIED EXPERT
  • 705 POSTS
Hey ROBERTEUGENEALBERIGI,

Can you please clear down the fault codes, attempt to start and then recheck the fault codes?

I think the next step will be to check the operation of the ignition and power/ground to the PCM and instrument cluster.

The P1604 code is for communication between PCM and instrument cluster.

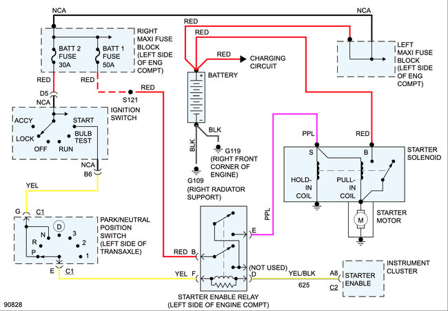
The starter enable relay is grounded by the instrument cluster. If you check for voltage between the yellow and the yellow/black wire while attempting to start you should get 12 volts.

If not then check between the yellow wire and battery negative to see if the positive side is switching correctly. You should see 12 volts.

If it is then the instrument cluster is not grounding the relay control circuit.

I have attached the wiring diagram for the starting system.

Let us know what you have with the fault codes and we can start trouble shooting the starting/communication issue.

Regards, Joe
Feb 21, 2020 at 9:11 AM
Avatar
ROBERTEUGENEALBERIGI
  • MEMBER
  • 17 POSTS
Thank you Joe. I will start as soon as i get back from vacation.
Feb 22, 2020 at 8:45 AM
Avatar
JOETECHPRO
  • CERTIFIED EXPERT
  • 705 POSTS
Hey ROBERTEUGENEALBERIGI,

No problem, please do keep us updated with your progress.

Regards, Joe
Feb 23, 2020 at 3:43 PM
Avatar
ROBERTEUGENEALBERIGI
  • MEMBER
  • 17 POSTS
Okay, Joe. the codes that came up were p1604 communication problem with device 4 history current. Po603 internal control module keep alive memory malfunction history. u1056 no DTC definition found see service manual history.. c1255 ebtcm internal MALF ABS/TLS disabled .i erased all the codes tried to start and nothing so ran the codes agin and one only it was c1255 ebtcm internal MALF ABS/TCS disabled . that was all i had time to do tonight ill do the rest of the wire testing when i get home from work.thanks Joe and just call me Rob save a little time and trouble typing out my full name, lol, lol.
Feb 24, 2020 at 10:25 PM
Avatar
ROBERTEUGENEALBERIGI
  • MEMBER
  • 17 POSTS
Okay Joe, i unplugged the starter relay and did as you said yellow to yellow black and turn key as i would trying to start it, no 12 volts. then i took and left test meter probe in the yellow socket of the harness of the starter and the other probe on negative side of battery and turned key and voila 12 volts.so does this mean i don't have a good ground going to the instrument cluster to send signal to the relay? I would like to know what is a inadvert power relay and what does it do? its located in the same ares as the starter relay and the ignition 1 relay. Okay thanks, for all the help we appreciate whole heartily. so what to do next?
Feb 26, 2020 at 12:33 AM
Avatar
ROBERTEUGENEALBERIGI
  • MEMBER
  • 17 POSTS
Oh and just for yuck's, i ran the codes again and its still the engine ECM code p1604 serial communication problem with device 4 history current.
Feb 26, 2020 at 1:03 AM
Avatar
JOETECHPRO
  • CERTIFIED EXPERT
  • 705 POSTS
Hey ROBERTEUGENEALBERIGI,

It's okay, i just copy and paste your name in there. Keeps it consistent across the posts.

It is pointing to you having an issue with the instrument cluster or the ignition.

I would say the next step would be to confirm that you have power and ground at the back of the instrument cluster.

Also checking power/ground to the PCM would be good to confirm you have this present.

Was there any work carried out before this fault occurred?
How did the vehicle fail originally?
Did you have a flat battery and then it wouldn't start?

I just need to build up a full picture of what has happened and the order of events so we can choose the best testing route.

Do you have the digital or analogue instrument cluster?

If you can source a replacement cluster replacement will be a quick way to rule out an instrument cluster problem before performing further wiring checks.

I have attached the replacement instructions for the cluster, you will see you have to remove 3 fuses before disconnecting and replacing the cluster.

Please ensure these fuses are good and have power to them with the ignition on.

You will see from the diagram that you should have power on pins A1,A3, A4 and B1

You should have 12V between any of these and pins A12 and B12 which are grounds.

With the cluster plugged in if possible check between the power and grounds with the ignition on. You should have battery voltage.

Regards, Joe
Feb 26, 2020 at 1:25 PM
Avatar
ROBERTEUGENEALBERIGI
  • MEMBER
  • 17 POSTS
Okay, leading up to this it seemed like the the starter was having a issues starting i thought it was going out because it was something i wasn't looking forward to changing being a Northstar motor and the starter under the intake plenum what the heck were they thinking but it wasn't that bad after talking to guys and the helpful right direction to go but any ways when starting it was like it was starting sluggish or starter was getting ready to shut off.
Feb 26, 2020 at 6:37 PM
Avatar
JOETECHPRO
  • CERTIFIED EXPERT
  • 705 POSTS
Hey ROBERTEUGENEALBERIGI,

If it has gotten gradually worse and the starter was sluggish, ie turning over slowly and it got progressively worse it sounds like you were on the right line with the power and ground connections.

Check the power and grounds at the instrument cluster and see what you get there.

Did you find corroded grounds and make the situation better by replacing terminal ends and adding extra grounds?

Regards, Joe
Feb 27, 2020 at 3:44 PM
Avatar
ROBERTEUGENEALBERIGI
  • MEMBER
  • 17 POSTS
Well, i am trying to remember there was a miss and i replaced a couple sensors but that didn't get rid of the miss. so i replaced the PCM and it didn't get rid of the miss. that's when i replaced the 2..4..coil pack and that got rid of the miss and i guess it was about a month later when the starter started acting up.so the day the car failed it was running fine and i stopped and ate lunch and took a short nap and i tried to start nothing even when my wife came to give me a jump that didn't do it. had it towed home i thought for sure it was just the starter replaced it and no change no start no nothing even with 300 fast start battery charger changed battery .so in talking with everyone and everything seemed to be bad ground so that's when i replaced all the grounds in the engine compartment and added a few to other places firewall frame inner fenders and crimped and soldered.
Feb 27, 2020 at 6:55 PM
Avatar
JOETECHPRO
  • CERTIFIED EXPERT
  • 705 POSTS
Hey ROBERTEUGENEALBERIGI,

I would still like to see what you have for power and ground at the instrument cluster.

One of the feeds comes from the ignition 1 relay so if you can test at the cluster you will be able to tell if that circuit is working correctly.

You will also be able to tell if you have a ground issue.

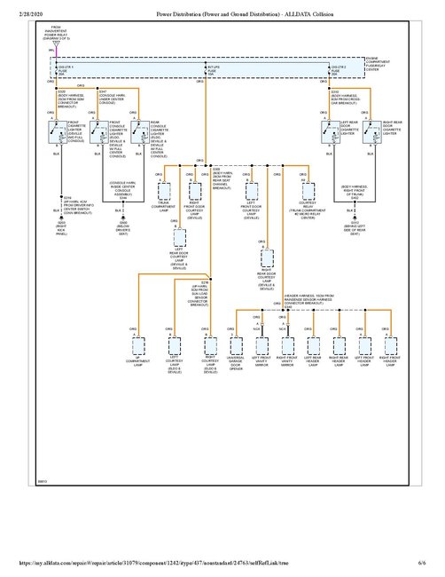
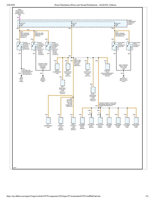
I have attached the diagrams for power distribution so you can get a better idea of what is getting supplied from each fuse/relay.

You may want to print the diagrams to get them to be a better size or if you open the pictures in a new tab they will be readable.

Regards, Joe
Feb 28, 2020 at 7:40 AM