Where is the fuse for the blower motor located on the car listed above De Elegance model with the digital dash?
Jan 24, 2020 at 11:01 AM
Advertisement
SCGRANTURISMO
CERTIFIED EXPERT
4,897 POSTS
Hello,
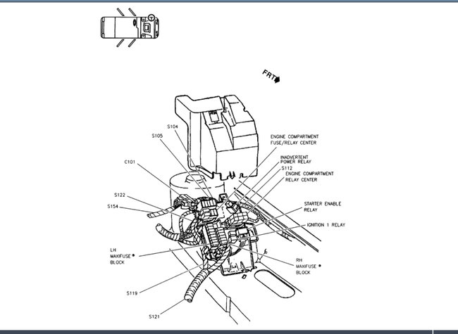
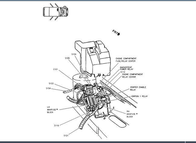
I have included the information that you have requested in the diagrams down below. I hope that this helps and please report back here with how everything turns out.