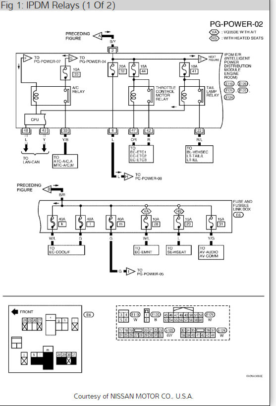
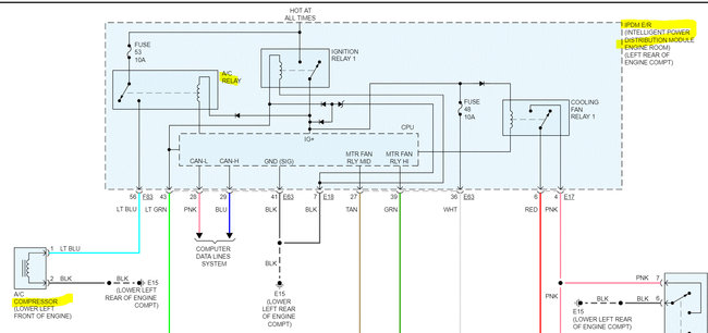
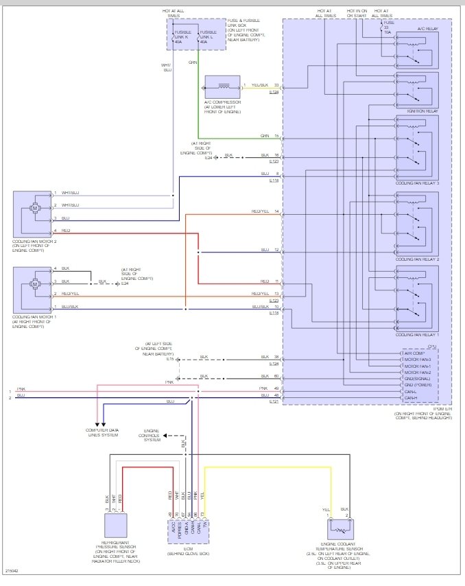
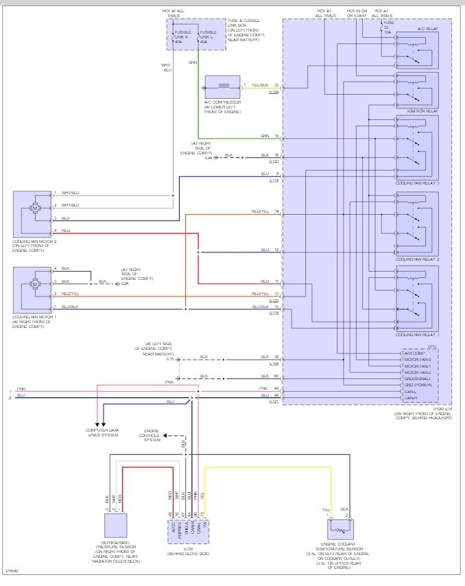
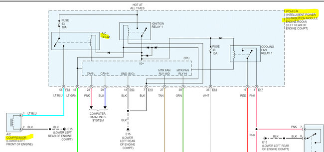
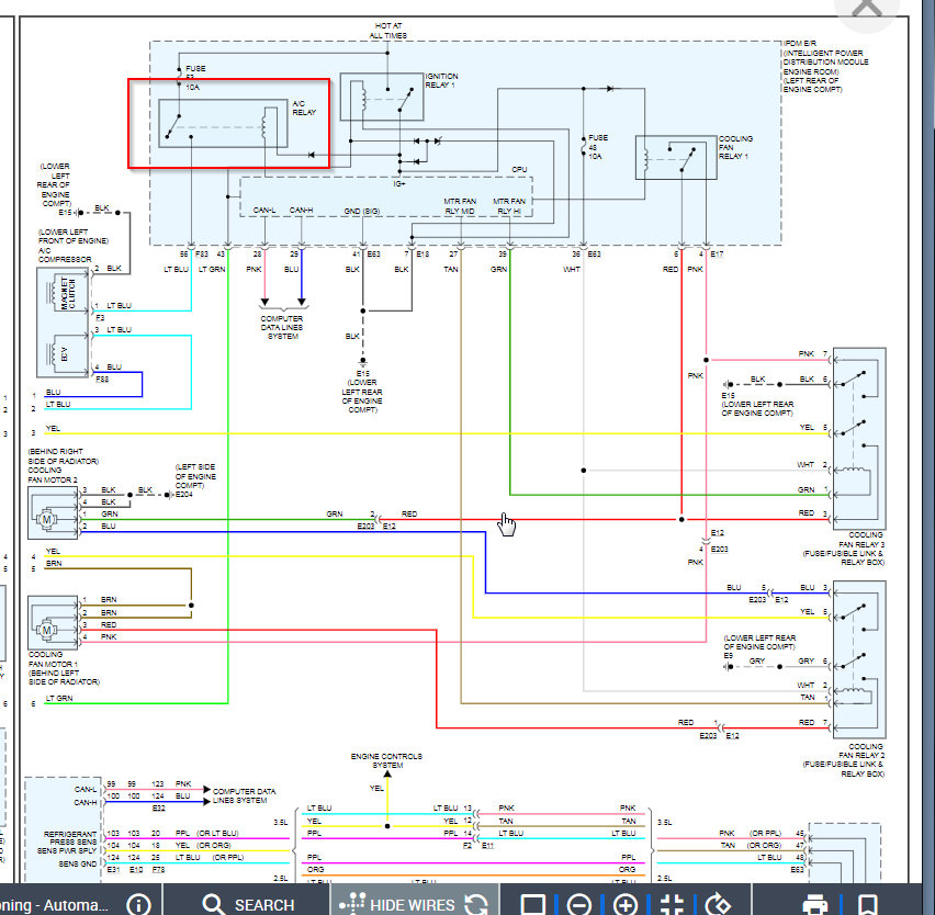
This is part of the IPDM E/R. It does not appear to be serviceable. To confirm this, we need to check power coming out of the relay when this is acting up. If the power is coming and going then you are probably correct. However, if there is constant power, then your compressor is most likely the issue.
Let me know what questions you have after reviewing this. Thanks
Images (Click to enlarge)
Sep 13, 2020 at 8:11 PM