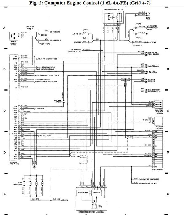
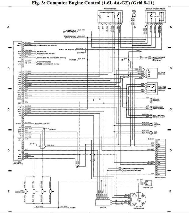
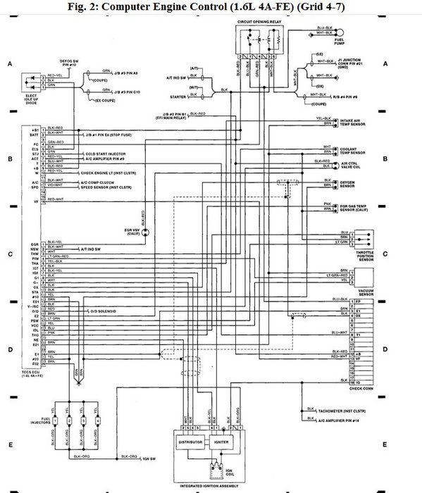
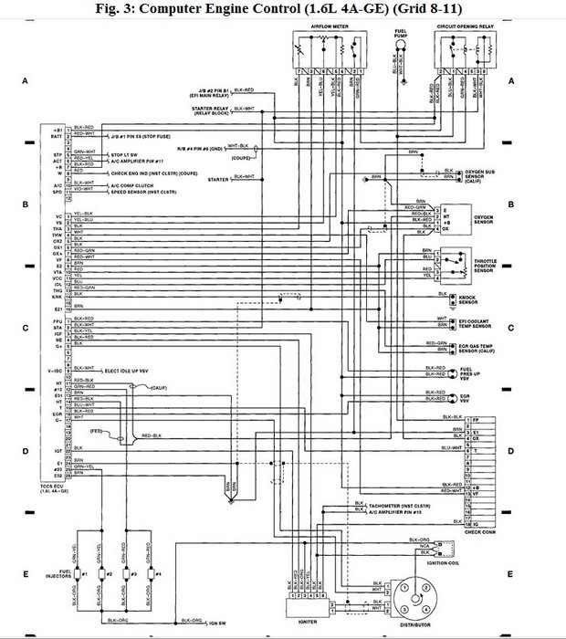
I have given you the closest thing to a pin-out diagram that we have. It is the engine control or TCCS, which is driven by the ECU. It does however have most of the sensors ruining through it and it only has some ECU inputs as I am assuming, I do not have true ECU diagram, going by what I have that the ECU is broken into several PCM like the TCCS. This is different from Honda's, that is what I am used to, which have a central ECU that handles all controls for the whole car. The service manual that we have does not have all the information that a factory service manual would have depending on the manufacturer as some do not release all information. That is why factory service manuals are several hundred dollars. What I gave you is a little hard to follow as you have to count the terminal number and then keep tract of the circuit by the color of the wire. You can follow each connector to its sensor.
However, testing an ECU or PCM is tough without a specific pin-out map and what type of test to run between which pins is not advisable. It gets so complicated that I do have the output signal descriptions that you could use to test the ECU, but it would take fifty to seventy five screenshots to give it to you and we do not have the gate size to accommodate that. For example the O2 sensor uses both the intake air volume temperature and the coolant temperature into account before it sends a voltage signal or not. So, you would need the proper pins and the input for the two sets of pins for the Intake volume temperature and the coolant temperature. Some circuits use potentiometers and I am not sure how you would test that, probably using a min and max input value and testing the output. So, it gets to be too tough. The best you could do is to test for continuity or resistance to see if circuit is shorted or not. Then since you have the issue with the ECU, it will have to be rebuilt anyway. If you use this site's search engine, you will find that it brings up banner ads for repair facilities that rebuild ECU's. They are generally set up to be ones that are located nearest you. So, I would call them and ask if it is worth the time to test as given the results, you are going to have to fix the circuit board one way or the other. If you are equipped to do that, you may save some money by buying the schematics for the ECU and building the circuit yourself. You can find people on eBay or search the internet to find schematics for sale. Your car is old enough that the rights may be released. You could go to an Advance Auto or Auto Zone where they carry Haynes manuals and see if they have an ECU test that is going to be helpful. Even what I have does not give values to work with. You would be stuck with working with voltage and resistance.
I am still attaching the TCCS, which is not the ECU as far as I can tell, but it may very well be as it seems to have all the controls that an ECU would have. Just goes by a different name and since I don't have a pin-out chart, I assume it is an ECU whether it is the one you are looking for or not as I cannot find anything on a higher level than the TCCS.
Images (Click to enlarge)
Aug 9, 2020 at 12:11 PM
(Merged)