Code p1723, where is the automatic transmission control relay located?

2004 KIA AMANTI
175,000 MILES • 3.5L • 6 CYL • AUTOMATIC
Avatar
MATT IN CHRIST
  • MEMBER
  • 1 POST
The code was p1723 and with the same symptoms or problem like features.
May 4, 2022 at 7:58 PM
Advertisement
Avatar
JACOBANDNICKOLAS
  • CERTIFIED EXPERT
  • 110,175 POSTS
Hi,

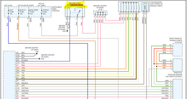
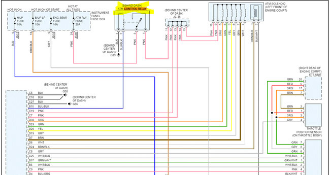
The transmission control relay is under the dash approximately center. I attached the wiring schematic below and a pic showing the location. Additionally, the last two pics are the diagnostics for this specific code.

Here are two links you may find helpful:

https://www.2carpros.com/articles/how-to-check-wiring

https://www.2carpros.com/articles/how-to-check-an-electrical-relay-and-wiring-control-circuit

Let me know if this helps or if you have other questions.

Take care,

Joe

See pics below.
May 4, 2022 at 9:19 PM