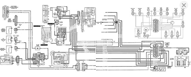
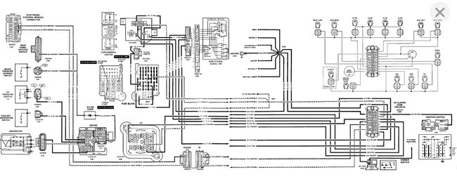
ECM deleted. I ran a new wiring harness (headlights to taillights) I'm stuck on the oil pressure switch though, everything else is on and fine. What wires go where as far as power, ground, and the signal to my digital cluster?
Orange
Gray
Tan
PS: I traced and used the old factory wiring and ran the grounds and power to make this work.
TBI to 4-barrel carburetor (no intake swap).
Orange
Gray
Tan
PS: I traced and used the old factory wiring and ran the grounds and power to make this work.
TBI to 4-barrel carburetor (no intake swap).
Dec 8, 2022 at 11:14 AM
