Windows rolling down on their own and trunk opening?

2013 VOLKSWAGEN PASSAT
200,000 MILES • 2.5L • 2WD • AUTOMATIC
Avatar
CONNOR SPARKS
  • MEMBER
  • 4 POSTS
I need to know what would pull for my windows and trunk. The windows roll down on their own and the trunk opens on its own while driving. The window controls on the driver's side door are acting on their own as well as the passenger door. There is a switch to open the trunk on the driver's side door so I'm sure all of these are tied together somehow. What i can't find is what to do to pull to stop this from happening before i can get a mechanic to work on it. I'm assuming the problem is a relay or shared control module for the doors but i can't find a schematic to help me.
Sep 26, 2024 at 11:18 AM
Advertisement
Avatar
STRAILER
  • CERTIFIED EXPERT
  • 53,855 POSTS
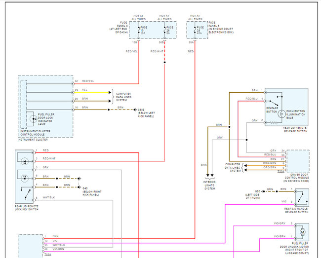
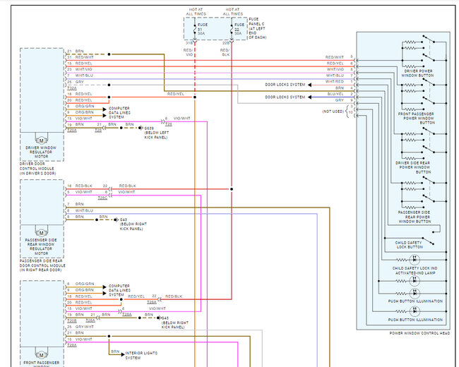
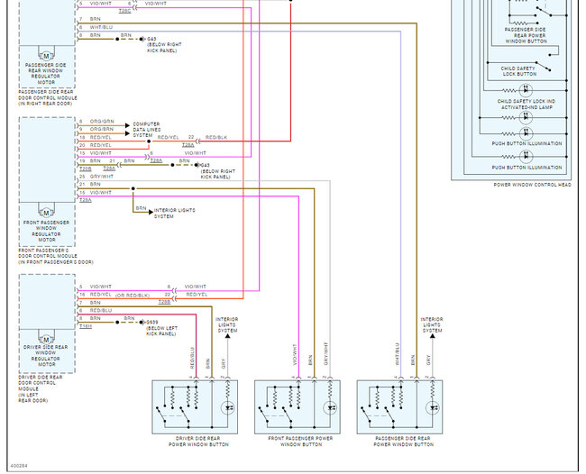
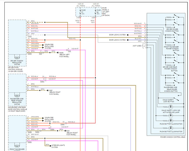
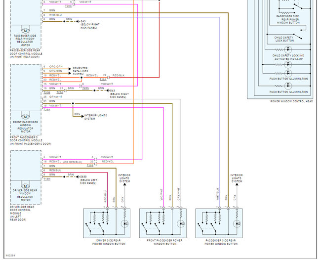
This happens when the main window control switch gets wet or goes bad. Also, I would remove the electrical connector and check for corrosion. Here are the wiring diagrams so you can see how the system works and how to change out the main window switch. As you can see the switch is the only thing both of these problems share. Check out the images (below). Let us know if you need anything else. This shows the passenger's side but the driver's side will be the same just a little larger.

Sep 26, 2024 at 3:50 PM
Avatar
CONNOR SPARKS
  • MEMBER
  • 4 POSTS
Thank you very much it's been a pain trying to find those schematics. I don't see where the trunk lid is tied to the window controls switch though. Could i just pull the 5A fuse number 26 to stop it from opening?
Sep 26, 2024 at 3:56 PM
Advertisement
Avatar
CONNOR SPARKS
  • MEMBER
  • 4 POSTS
The switch for the trunk lid is a separate switch on the door, not connected with the 4 window switches and the child lock button which are all in one unit.
Sep 26, 2024 at 4:01 PM
Avatar
STRAILER
  • CERTIFIED EXPERT
  • 53,855 POSTS
Hmm, I would unplug the trunk latch, so it just works with the key only. Also, I see there is no connection between the door and the trunk as well, there must be a wiring issue inside the door, I would open the door and move the wiring harness around between the door and the jam to see what happens. Let me know.
Sep 27, 2024 at 10:33 AM
Avatar
CONNOR SPARKS
  • MEMBER
  • 4 POSTS
I removed the window control switch hoping it would fix the issue and it didn't. The windows are still rolling down without the switch connected to the short has to be somewhere in the door. Do you have any images showing how to take the door panel off and what to disconnect?
Sep 27, 2024 at 10:41 AM
Avatar
STRAILER
  • CERTIFIED EXPERT
  • 53,855 POSTS
The windows are still rolling down without the switch even the drivers? That's a good one. Here is how to remove the door panel. Check out the images (below). Please upload pictures or videos in your response of any problems so we can see what to help you with.
Sep 27, 2024 at 11:11 AM