Where is the windshield washer pump fuse located?

2016 SUBARU WRX
104,000 MILES • 4 CYL • MANUAL
Avatar
JUICER1010
  • MEMBER
  • 1 POST
I'm trying to diagnose if the Windshield washer pump has stopped working, or if the fuse has blown. When I engage the controls from the driver seat the wipers will work however there is no ejection of fluid. I have made sure there is fluid in the reservoir. Also there is no “hum” that is normally heard with pump function.

I cannot find the exact fuse location in the cars manual nor online.
Aug 13, 2025 at 1:04 PM
Advertisement
Avatar
AL514
  • CERTIFIED EXPERT
  • 5,465 POSTS
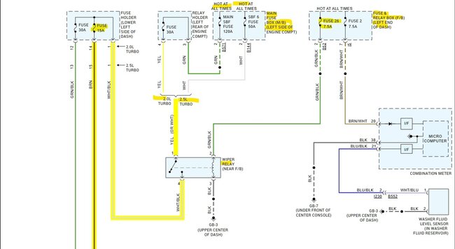
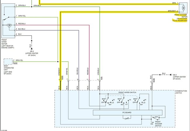
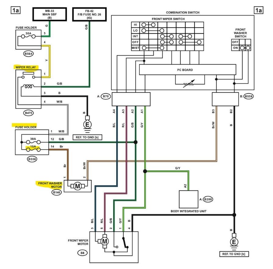
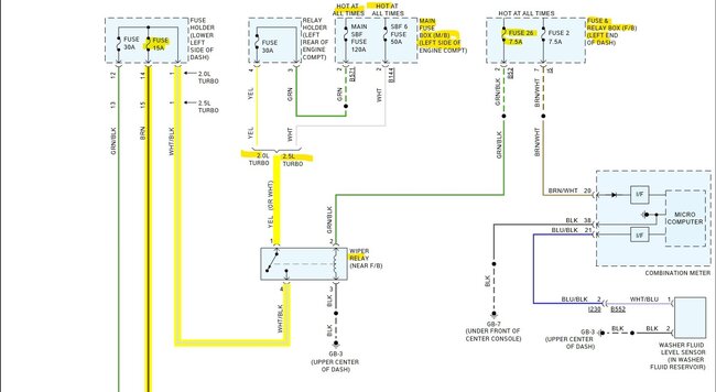
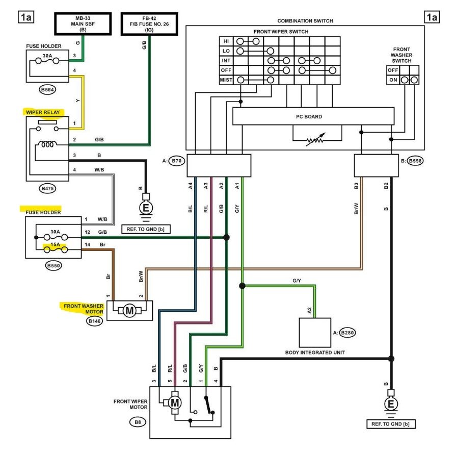
Hello, the 1st diagram is the oem Subaru wiring for the front washer motor, the 2nd and 3rd (top & bottom) are the aftermarket diagrams, I added them just because they give the location of the fuses you need to check, but the aftermarket diagram looks to be incorrect where the Wiper relay power comes in, but since your wipers work, you can just ignore that section and use those diagrams to locate the washer fuses.
I would start by checking for power on the 15amp fuse located in the left dash fuse box, since it will be easiest to check when activating the washer motor, diagrams 4,5 are the oem testing instructions for the washer motor. Let us know what you find.

https://www.2carpros.com/articles/how-to-check-a-car-fuse

https://www.2carpros.com/articles/how-to-use-a-test-light-circuit-tester

https://www.2carpros.com/articles/how-to-use-a-voltmeter
Aug 13, 2025 at 7:16 PM