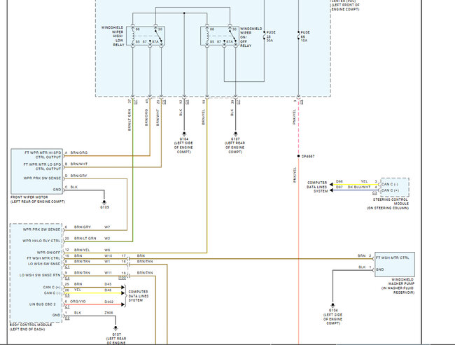
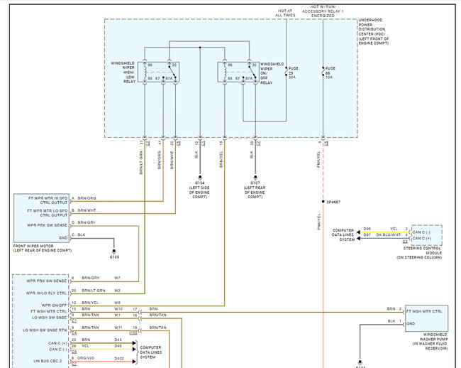
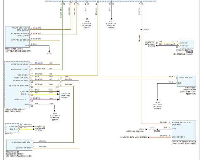
A couple of weeks ago, my wipers decided to quit working. Nothing happens when turning the switch; no intermittent, low or high. I checked the associated fuse and it checks out ok. I've read the relay is not serviceable and is inside the TIPM. I have replaced the switch in the steering column, replaced the BCM with a remanufactured unit, and tested a new wiper motor. None of these have resolved the issue. When I test voltage to the wiper motor, only one of the wires has voltage and when activating the switch, the other two wires get nothing. I do hear clicking in the TIPM when turning the switch on the column, like relays clicking. I would like to see if there is a fixable solution before spending money on another part. Also, the code that is showing is B2303-13 if that is helpful.
Apr 6, 2026 at 11:11 PM


