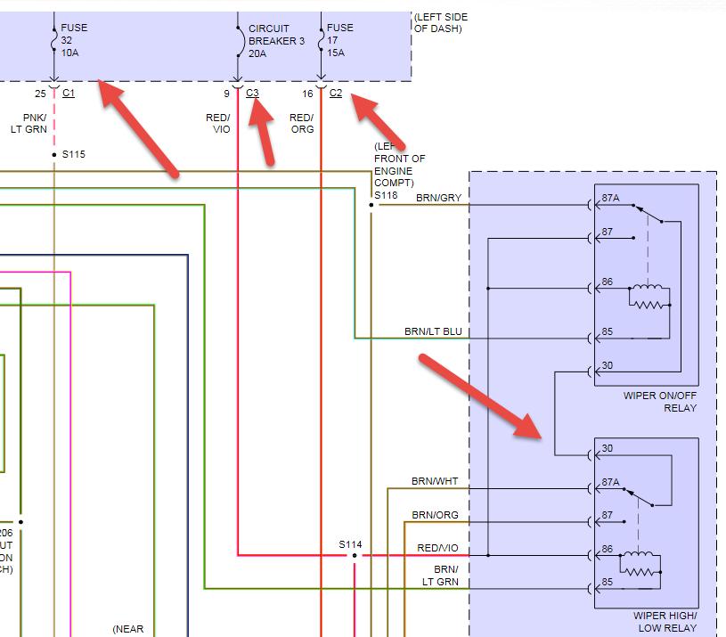
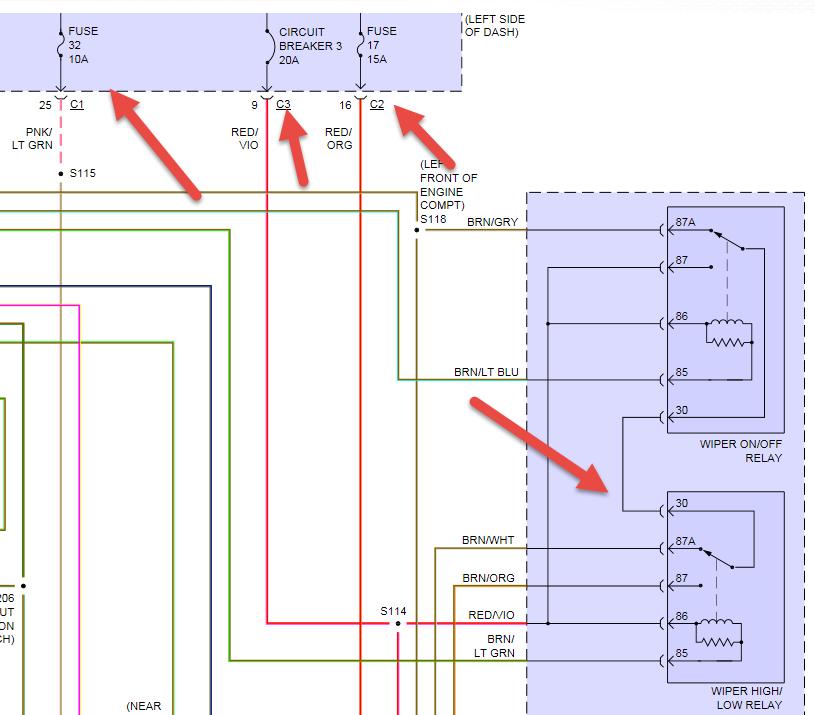
When I go to use my windsheild wipers nothing happens but when I turn them on high they work intermitten. I go to wash the windshield and the wipers dont work unless I turn on high what could it be
Jan 14, 2015 at 6:27 AM
