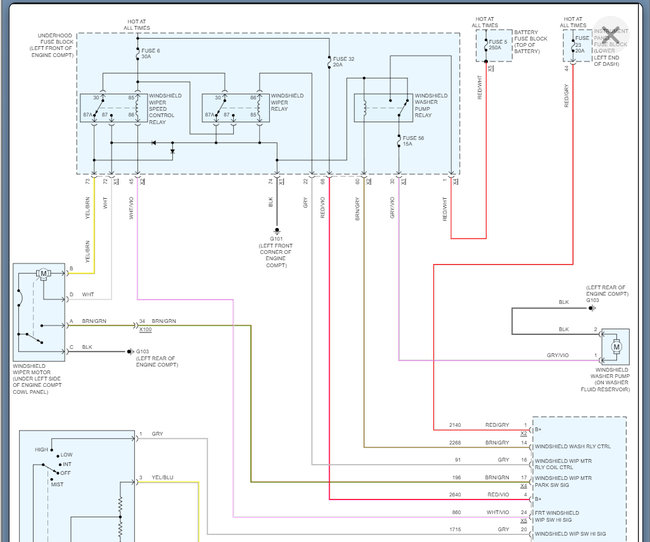
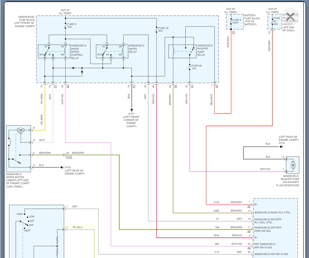
Replaced the wiper motor and transmission. Wipers still only park in the middle of the windshield. I can take them off the motor and move them to any angle but it only parks in the same spot. I bought a new ECM that controls the wipers, it’s under the center console area, passenger side. However, it has to be programmed at the dealership.
How do I determine if it’s the wiper control module before I pay for programming?
No Engine light on
New Wiper Motor
New Wiper Transmission
New Wiper Switch
How do I determine if it’s the wiper control module before I pay for programming?
No Engine light on
New Wiper Motor
New Wiper Transmission
New Wiper Switch
Apr 15, 2022 at 12:02 PM
















