Electrical

1998 CHEVROLET CUSTOM DELUXE
225,000 MILES • 6 CYL • 2WD • AUTOMATIC
Avatar
ROYY
  • MEMBER
  • 4 POSTS
Cut off switch and dome lights, etc., stay on and runs battery down.
Nov 14, 2017 at 2:34 AM
Advertisement
Avatar
STEVE W.
  • CERTIFIED EXPERT
  • 15,116 POSTS
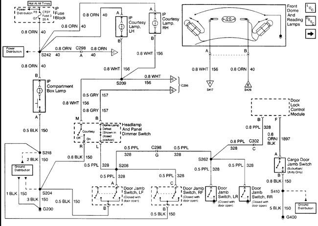
Which lights stay on? If it is the dome/reading/map lights and the courtesy lights in the foot wells and doors only. Not the exterior lights. The problem could be one of the door jamb pin switches has broken and grounded out, that would turn those lights on.

Another possibility is that the headlight switch dimmer has been moved to turn the lights on or it has grounded out locking the lights on.

Lastly would be the interior lighting control module is bad.

If you push the dome override button on the headlight switch do the lights go out? That switch cuts the door switches out of the circuit. If the lights go out then you have a bad door switch or feed wire from one. To determine which one you would remove the switch from the door jamb (they pry out with a thin tool) and disconnect the wire connector on the back. The one that turns out the lights when removed is the bad switch.

How about if you rotate the dimmer control to turn the dash lamps down? Do the interior lights go out or get a bit brighter/dimmer as you select the position that turns them on/off?

If none of these work then it's probably a bad interior light module. It's job is supposed to be to turn the lights on/off and keep the interior lights on for 20 seconds when a door is opened. It is up under the dash toward the center. If you don't have remote door locks it is a separate part, if you do have remote locks then it is part of the remote lock module.
Nov 17, 2017 at 6:55 AM