I want to ask if someone has a wiring diagram for my car listed above? And a fuse box diagram would be nice as well.
Sep 7, 2018 at 6:55 AM
Advertisement
DANNY L
CERTIFIED EXPERT
5,648 POSTS
Hello, I am Danny.
Just a quick question first. Is it the 1.5 or 1.6L? I can get you the Fuse Box diagram but what other wiring diagrams would you like? Anything specific or the whole car? Hope this helps and thanks for using 2CarPros.
Danny-
Sep 7, 2018 at 1:41 PM
MULANG
MEMBER
9 POSTS
Hi Danny,
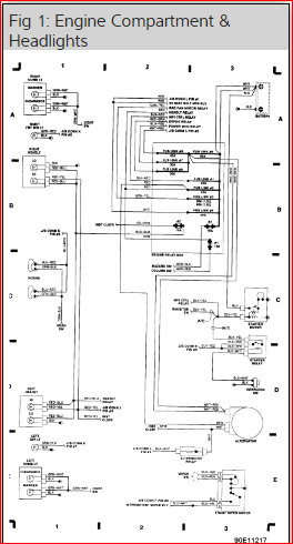
It is a 1.5L and I am looking for the headlight part of the wiring diagrams. But if you could provide the whole car that would be best.
Sep 8, 2018 at 7:02 AM
Advertisement
DANNY L
CERTIFIED EXPERT
5,648 POSTS
Hello again.
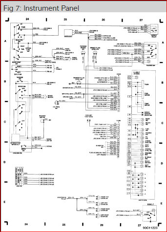
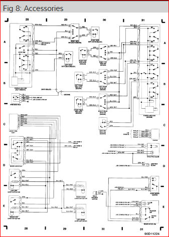
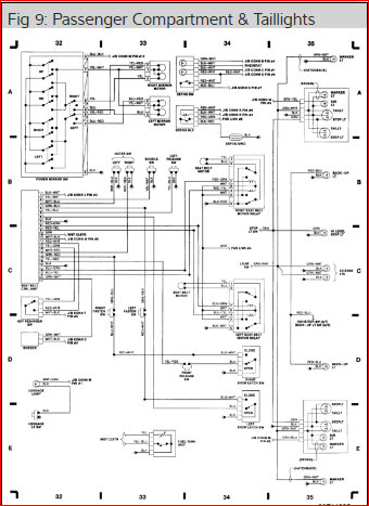
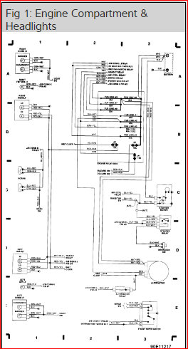
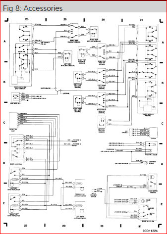
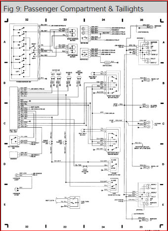
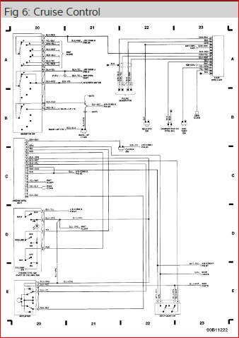
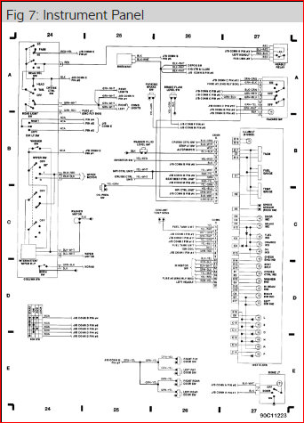
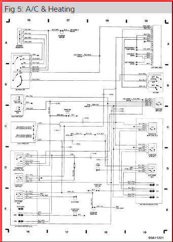
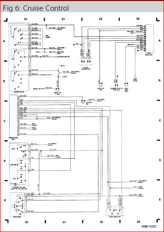
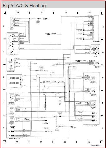
Here you go. I have attached seventeen pictures of the wiring diagrams and fuse boxes. Hope this helps and thanks again for using 2CarPros.
Danny-
Images (Click to enlarge)
Sep 8, 2018 at 10:21 PM
MULANG
MEMBER
9 POSTS
Thank you, this is very helpful.
Sep 8, 2018 at 10:34 PM
DANNY L
CERTIFIED EXPERT
5,648 POSTS
You are welcome!
Thanks again for using 2CarPros.
Danny-