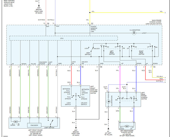
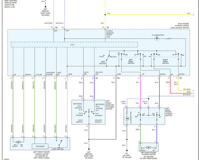
My wiring got unplugged from the bracket when repairing my window regulator and I need help with the correct wiring locations to go back . The whole piece didn’t come out just the wires and I can’t remember what way they went
Apr 21, 2026 at 1:33 PM
