Engine will not start?

1998 JEEP GRAND CHEROKEE
158,000 MILES • 5.9L • V8 • AWD • AUTOMATIC
Avatar
JEEPINJIM
  • MEMBER
  • 7 POSTS
A couple weeks ago, my vehicle started running below 500 rpm when sitting still, stop signs, in traffic etc. In park seemed to be fine. It would run rough, and act like it was going to stall. Recently it got so bad it did stall while sitting in traffic. I managed to get it home, shifting in neutral and pumped the gas to keep it running. Now it will not start. No codes. Do not want to just throw new parts at it, seems like every sensor is at least $50.00 and up. Has fuel pressure at the rail, and spark. Any help would be appreciated. Thanks.
Feb 12, 2017 at 5:20 AM
Advertisement
Avatar
HMAC300
  • CERTIFIED EXPERT
  • 48,601 POSTS
When you turn the key to the on position without cranking the engine over can you hear the fuel pump run in the tank for 5 seconds?

https://www.2carpros.com/articles/car-cranks-but-wont-start

Please run down this guide and report back.
Feb 12, 2017 at 8:14 AM
Avatar
JEEPINJIM
  • MEMBER
  • 7 POSTS
Thanks, I swapped out the MAP, and throttle sensors with a buddy's zj, put mine on his, did not make a difference on his Jeep. Put his throttle sensor on mine, and it started right up. put my throttle sensor back on mine, and it stated right up. Seems to start up and run okay now, but once it gets up to operating temp 190-200, it stalls in park, or when I come up to a stop sign and sit at an idle. I think I was mistaken on the rpm the OBD2 says 700 rpm at idle. I think I read the gauge wrong. Still no codes. Thinking o2 sensor, or CPS. hoping o2 sensor. I cannot even see the CPS, and it looks like I will need to start removing a bunch of stuff just to get at it. Still hate to just throw parts at it. I did a live read on it, and will go through it and try to see what changes right before it stalls out. I will take a look at the links you posted too.

Thanks for any tips or suggestions.
Feb 13, 2017 at 7:11 AM
Advertisement
Avatar
HMAC300
  • CERTIFIED EXPERT
  • 48,601 POSTS
clean throttle plate on both sides and IAC hole with choke cleaner they get gummy and stall coming to a stop.
Feb 13, 2017 at 7:53 AM
Avatar
JEEPINJIM
  • MEMBER
  • 7 POSTS
I took off the IAC, and the port was filthy. I did spray some carburetor cleaner in there and in the throttle body. the plate was also dirty, but not too bad. maybe that is why it finally started up. I think this weekend, I am going to take the whole throttle body off, and give it a good cleaning. after that I will do another live read record, and see if I can figure out what changes right before it stalls out.or maybe after cleaning the throttle body, it will take care of itself. cross fingers.


thanks again.

Feb 14, 2017 at 8:28 AM
Avatar
HMAC300
  • CERTIFIED EXPERT
  • 48,601 POSTS
you do not need to take the body off just hold plate open with your finger and clean well around shaft as that is what TPS hooks to. then see how it does.
Feb 14, 2017 at 9:28 AM
Avatar
JEEPINJIM
  • MEMBER
  • 7 POSTS
cool, thanks for the tip, that will make it much easier. going work on it this weekend. 60 degrees in MI in February. will not even need to pull it in the garage. ;-) been lucky for the nice weather, I can drive my front wheel drive rolling coffin. lol. need to get this back on the road before the weather goes bad again. I did a Seafoam treatment on it earlier this week, but it did not help. sounds like it is missing. going to pull all of the spark plugs and check them, and pull the distributor cap, check the distributor and rotor. I heard bad bearings can cause these symptoms?

Spray inside the throttle body really good, cleaned the map sensor. Ran longer, but is still stalling out. Could just be the warmer weather. Right before it stalls it runs rough and sound it is missing. Starts right back up. Seems to drive okay, stalls when at idle.

thanks again.
Feb 17, 2017 at 9:55 AM
Avatar
HMAC300
  • CERTIFIED EXPERT
  • 48,601 POSTS
in first reply a sent a link to check fuel pressure I have heard no results. that may be your problem. 44-54 psi with 1/2 pint in 7 seconds.
Feb 18, 2017 at 10:58 AM
Avatar
JEEPINJIM
  • MEMBER
  • 7 POSTS
Checked fuel pressure, 45 psi.
Feb 18, 2017 at 1:23 PM
Avatar
HMAC300
  • CERTIFIED EXPERT
  • 48,601 POSTS
you will have to scan for codes and check crank sensor maybe getting hot and failing. i am on vacation so re-post if that does not work.
Feb 18, 2017 at 2:12 PM
Avatar
JEEPINJIM
  • MEMBER
  • 7 POSTS
I finally got a code. p0320 ignition distributor engine speed input circuit.
Feb 18, 2017 at 3:11 PM
Avatar
JEEPINJIM
  • MEMBER
  • 7 POSTS
It is back to not starting again.
Feb 18, 2017 at 3:13 PM
Avatar
HMAC300
  • CERTIFIED EXPERT
  • 48,601 POSTS
follow steps in pictures for diagnosis except where it says to use scan tool because you do not have a pro model to do it. also, do a wiggle test at crank sensor of harness if it starts the harness may need repair. see pictures. crank sensor is on transmission bell-housing.
Feb 18, 2017 at 4:26 PM
Avatar
STRAILER
  • CERTIFIED EXPERT
  • 53,855 POSTS
It does sounds like it is a crankshaft angle sensor that is going bad. You will need an oscilloscope to test it though. Here is a guide that might shed some light on the subject as well.

https://www.2carpros.com/articles/crankshaft-angle-sensor-replacement

and

https://www.2carpros.com/articles/car-cranks-but-wont-start

Please run some tests and get back to us so we can continue helping you.

Best, Ken


Feb 19, 2017 at 12:10 PM
Avatar
IHATEJEEPS19
  • MEMBER
  • 1 POST
got the jeep about 5 months ago, it ran fine, had a couple of problems (coolant sensor is bad, had to replace the fuel pump and a tranny line). the day after the fuel pump was fixed, i began having problems with it not starting, it would crank but not start up. we replaced the crankshaft position sensor thinking that would fix the problem. it fixed it for about 3 weeks then i started having the same exact problem. my boyfriend would shake the wiring harnesses and unplug the plugs that connect into the computer then plug them back in. it worked about 4 times then it wouldnt start up, no matter how much he shook the wiring harnesses and unplugged the plugs. he checked the computer but all it read was that the coolant sensor was bad. im completely at a loss. someone help please!!
Aug 30, 2020 at 10:52 AM (Merged)
Avatar
CARADIODOC
  • CERTIFIED EXPERT
  • 34,306 POSTS
First you have to understand what you're doing by disconnecting stuff. Any time the battery or Engine Computer are disconnected, the computer loses its memory. The fuel metering data will be rebuilt as soon as you start driving, but not "minimum throttle". Until that is relearned, the computer won't know when it has to be in control of idle speed. The engine may not start or stay running unless you hold the accelerator pedal down 1/4", you won't get the nice idle flare-up to 1500 rpm at start-up, and it will tend to stall at stop signs. To meet the conditions needed for the relearn to take place, drive at highway speed with the engine warmed up, then coast for at least seven seconds without touching the pedals.

Anything that removes power from the Engine Computer also erases any diagnostic fault codes, so you're losing that valuable information. Some fault codes related to no-starts will not set just by cranking the engine. They set while a stalling engine is coasting to a stop. That means the computer may have detected a problem and set a fault code directing you to the circuit that needed further diagnosis, but you erased the codes by disconnecting the battery.
Aug 30, 2020 at 10:52 AM (Merged)
Avatar
JETSFAN44
  • MEMBER
  • 2 POSTS
i had the same thing for months ...replace the computer . advance auto 250.00 . mine has been three years and no problems after replacing it .
Aug 30, 2020 at 10:52 AM (Merged)
Avatar
CARADIODOC
  • CERTIFIED EXPERT
  • 34,306 POSTS
If shaking the wiring affects the problem, how will replacing the computer solve that?
Aug 30, 2020 at 10:52 AM (Merged)
Avatar
ROB BASS
  • MEMBER
  • 1 POST
1998 Jeep Grand Cherokee

My 1998 jeep grand cherokee won't start if it's wet or raining. If I drive over a puddle, it stalls immediately, and would not start at all. What is wrong with my jeep and how to fix it.
Aug 30, 2020 at 10:52 AM (Merged)
Avatar
JDL
  • CERTIFIED EXPERT
  • 16,098 POSTS
How long since a tune-up? Any applicable trouble codes? Plug wires are good? When the problem occurs, if it cranks good but won't start, have a helper crank it while you visually check for spark at the plugs.
Aug 30, 2020 at 10:52 AM (Merged)
Avatar
JEFF24
  • MEMBER
  • 3 POSTS
i have a 1998 jeep grand cherokkee with a 5.9liter it will not start but it is getting fuel and also spark can you please help me
Aug 30, 2020 at 10:52 AM (Merged)
Avatar
WRENCHTECH
  • CERTIFIED EXPERT
  • 20,761 POSTS
Please define what "getting fuel" means. Fuel pressure? Injector pulse?
What is the fuel pressure?
Aug 30, 2020 at 10:52 AM (Merged)
Avatar
JEFF24
  • MEMBER
  • 3 POSTS
i do not have a pressure gauge for fuel is there any other way to find out
Aug 30, 2020 at 10:52 AM (Merged)
Avatar
WRENCHTECH
  • CERTIFIED EXPERT
  • 20,761 POSTS
No, the fuel pressure needs to be accurate. Some parts stores will loan a gauge out.
Aug 30, 2020 at 10:52 AM (Merged)
Avatar
JEFF24
  • MEMBER
  • 3 POSTS
what should the pressure be
Aug 30, 2020 at 10:52 AM (Merged)
Avatar
WRENCHTECH
  • CERTIFIED EXPERT
  • 20,761 POSTS
Fuel Pressure

Engine at curb idle 339 kPa ±34 kPa (49.2 psi ±5 psi)

Pressure Leakdown (fuel pump not engaged) Not fall below 30 psi for 5 minutes
Aug 30, 2020 at 10:52 AM (Merged)
Avatar
TATIANATEARE
  • MEMBER
  • 5 POSTS
In the mornings or usually after a couple of hours of not running it will not start right away, it takes a couple of tries. Than sometimes after starting it up and Im starting to drive it wont accel, it jolts forward slowly and than out of no where it will start to accel as normal. My cadallac converter has a hole in it i dont know if this could be the problem
Aug 30, 2020 at 10:52 AM (Merged)
Avatar
DRCRANKNWRENCH
  • CERTIFIED EXPERT
  • 3,380 POSTS
The O2 sensor is seeing a lean air/fuel ratio from the hole in the catalytic converter. So, it react by putting more gas than needed into engine. This creates a rich air/fuel ratio which is not what you want to start a cold vehicle. There is a valve called The Fast Idle Thermo Valve FIT, which senses coolant temperature and lets in air through ports to lean out the mixture at the throttle body. It then closes ports as the coolant temperature rises.
Your engine is having trouble burning all the excess fuel and your MPG is probably a lot worse than it should be.
Just plugging the hole with some exhaust weld epoxy from an auto parts store would be a good way to see if this is the source of the problem. However, it is not the way to fix it. I would replace the catalytic converter as it is probably deteriorated inside and will only coninue to give you trouble if you patch it. It can also clog up and cause rough idle and no start situations.
Aug 30, 2020 at 10:52 AM (Merged)
Avatar
RAINVILLE3000
  • MEMBER
  • 1 POST
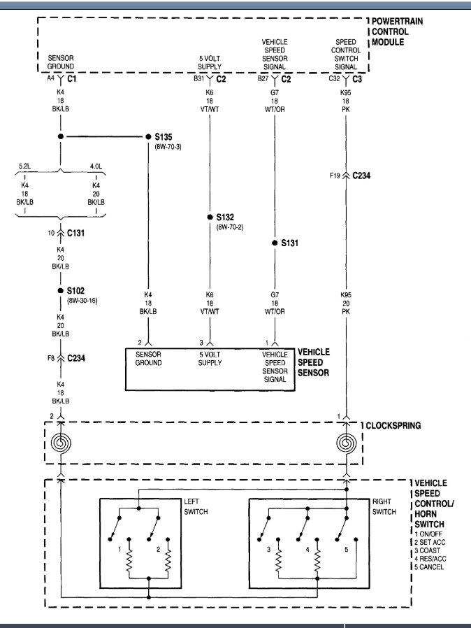
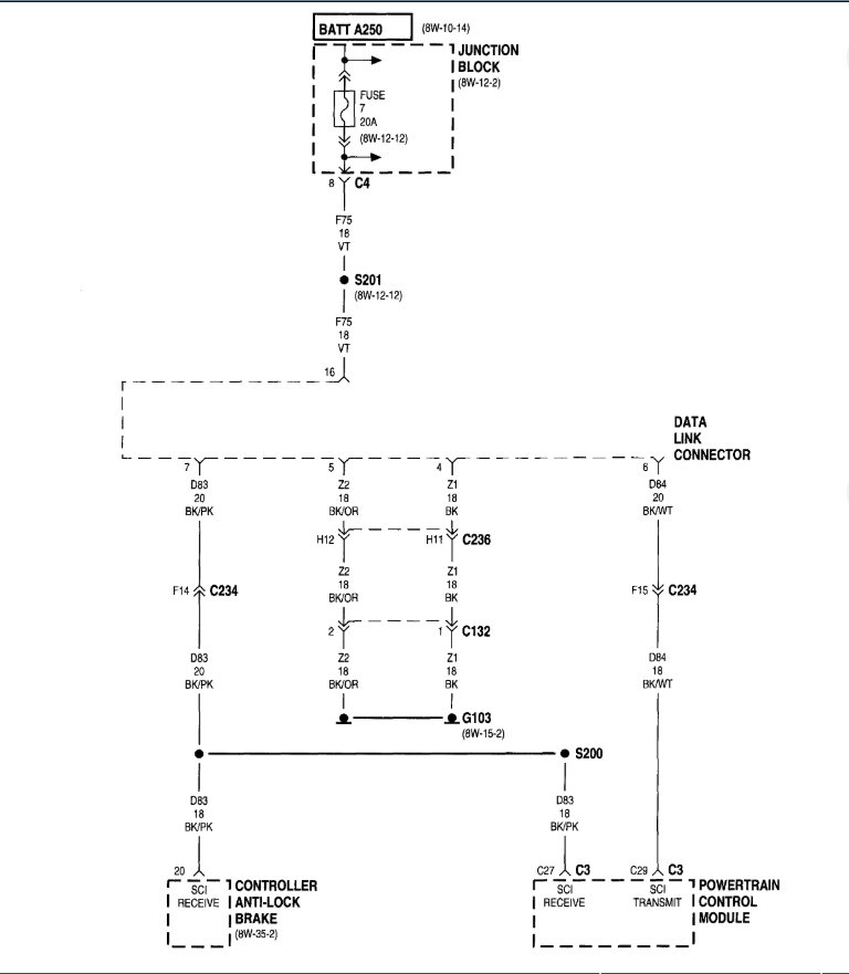
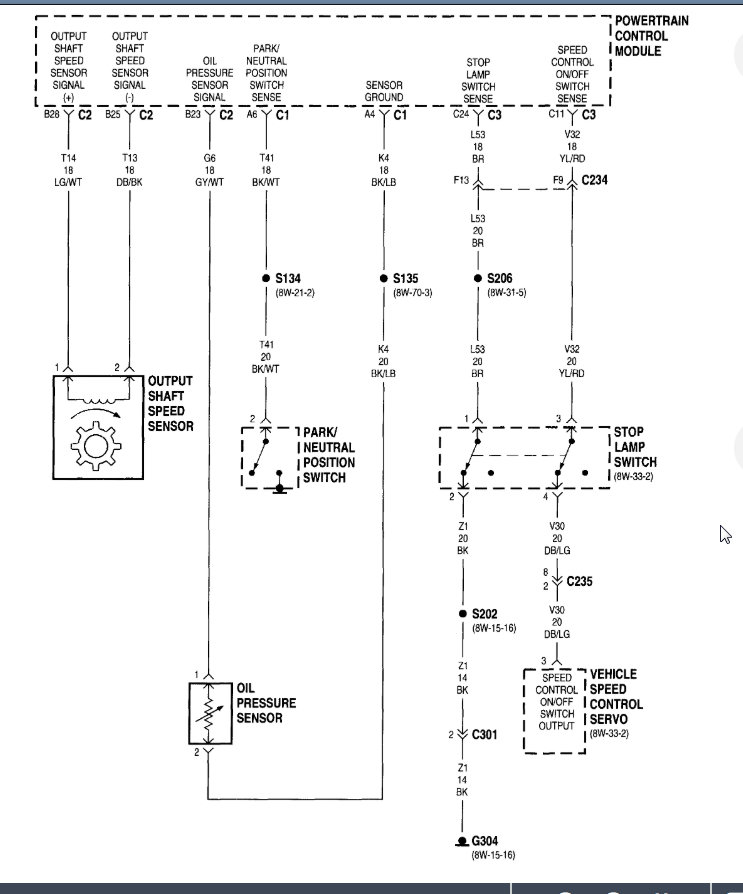
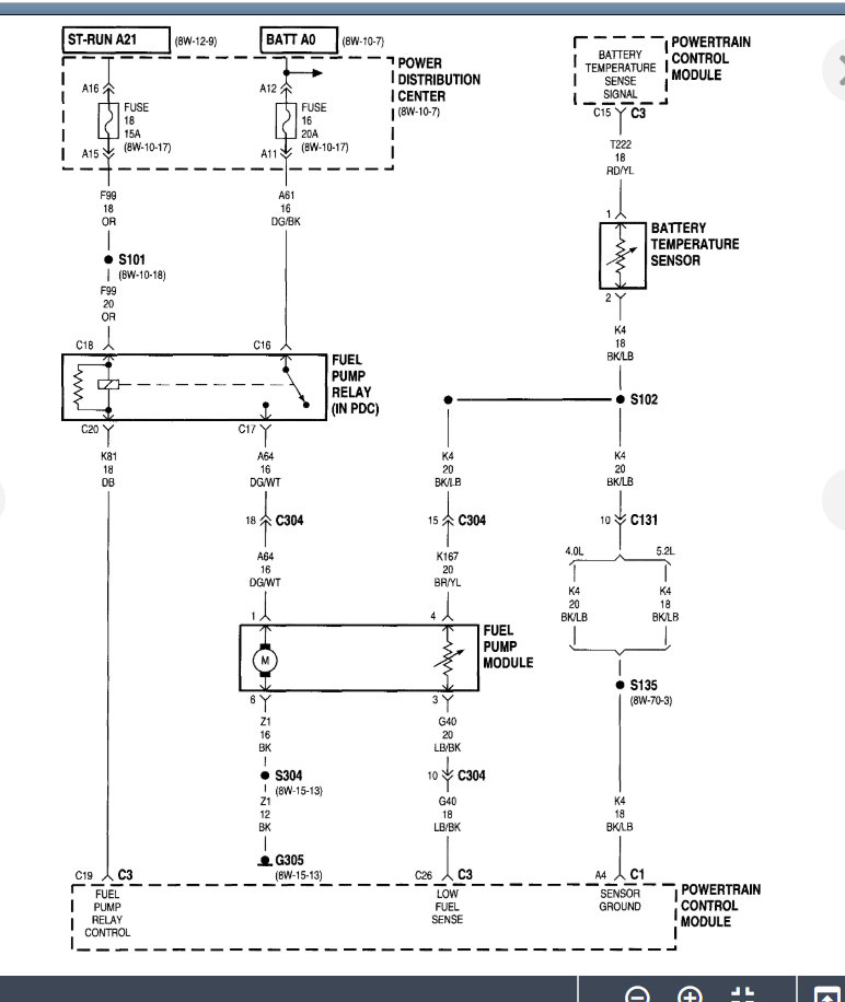
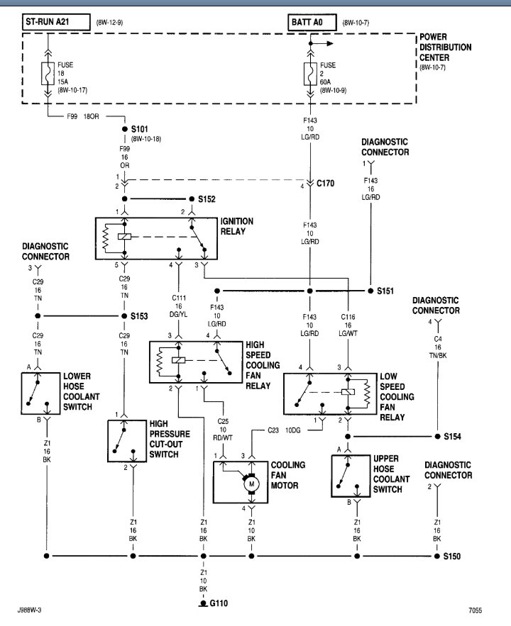
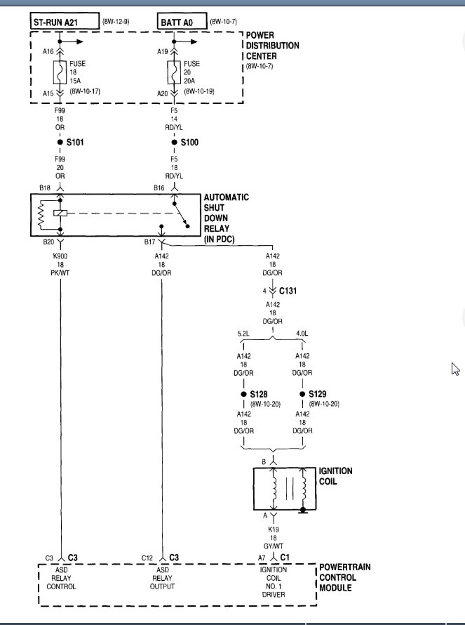
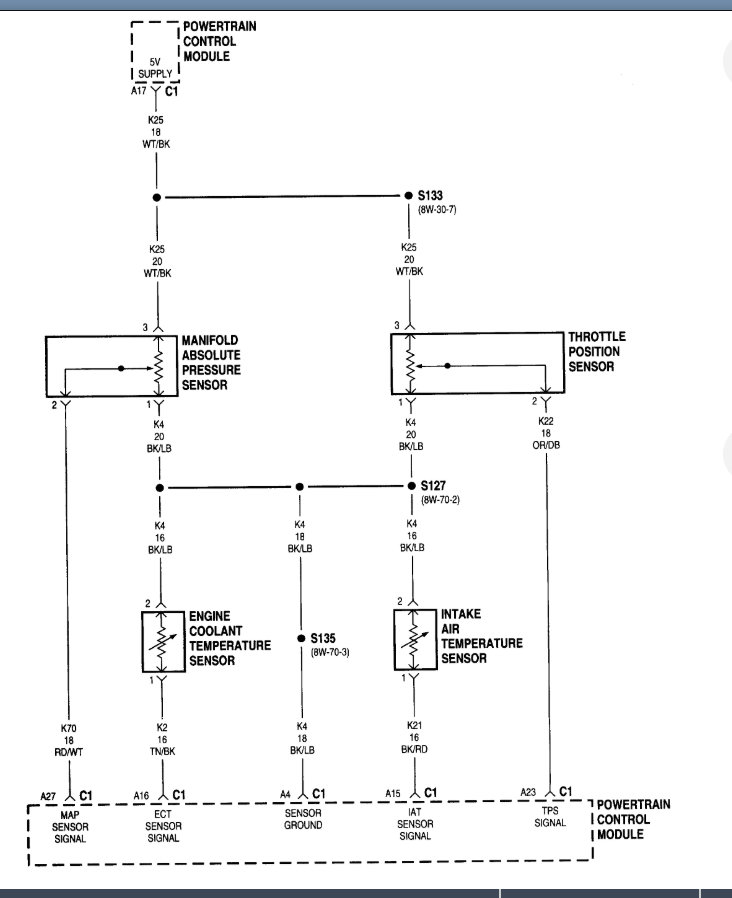
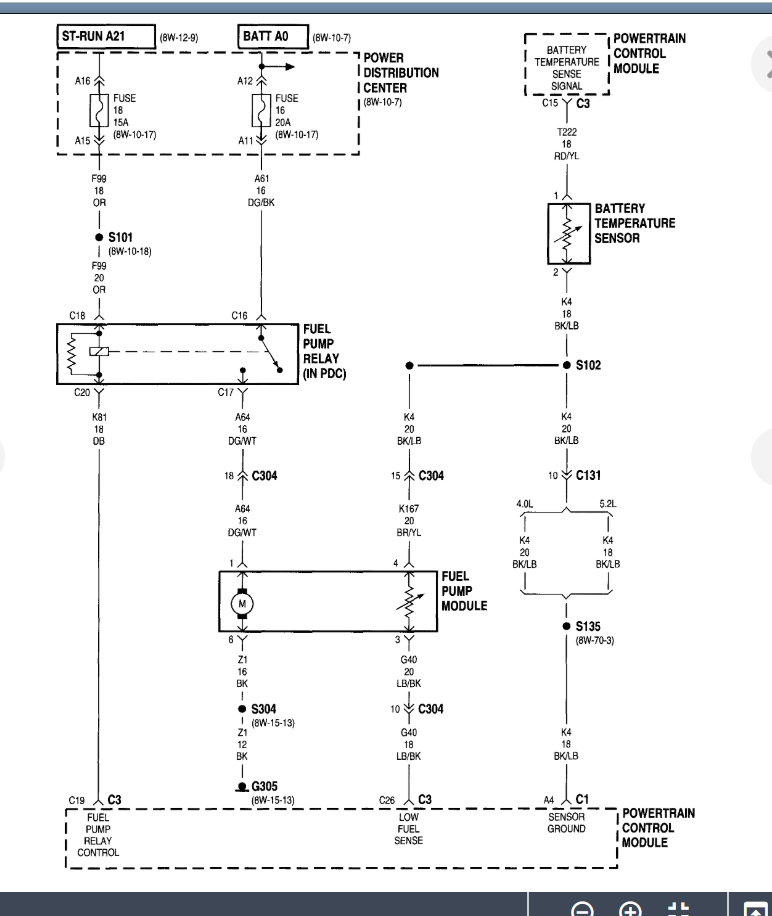
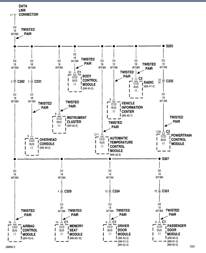
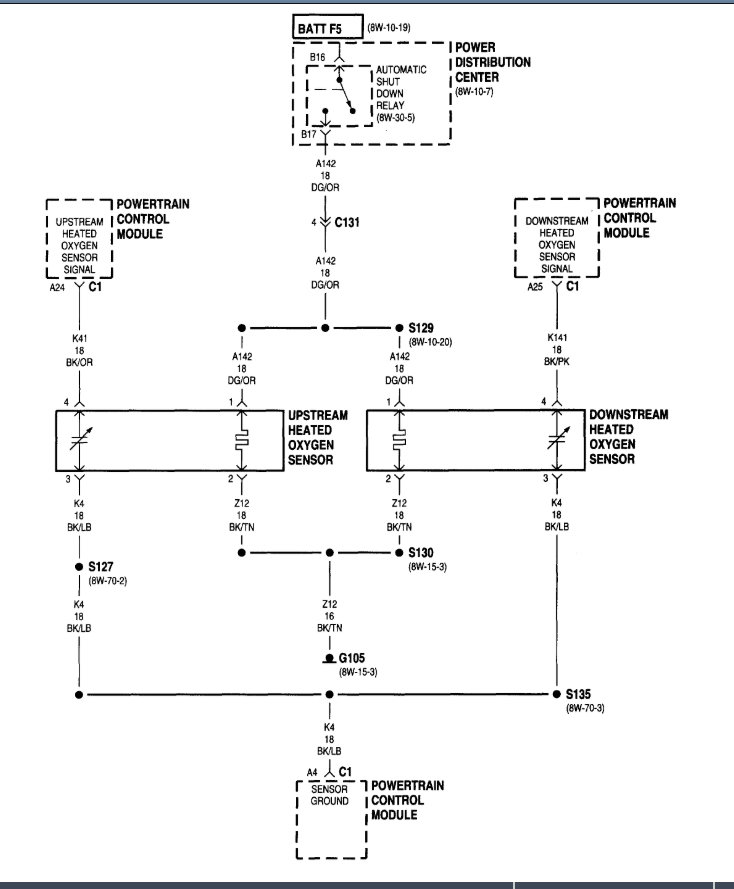
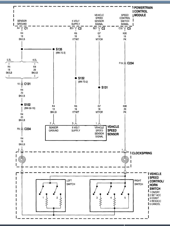
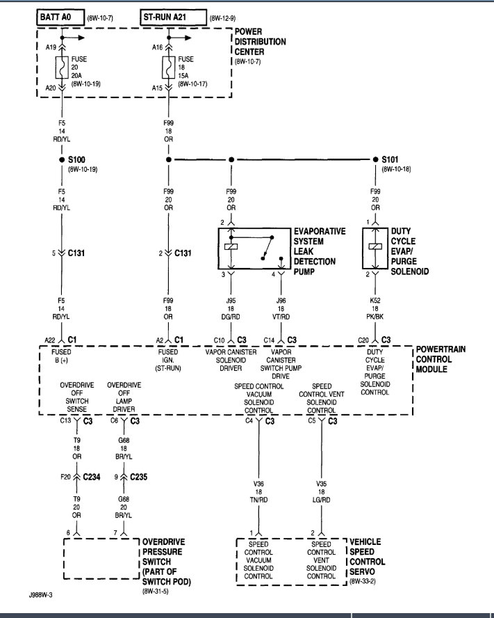
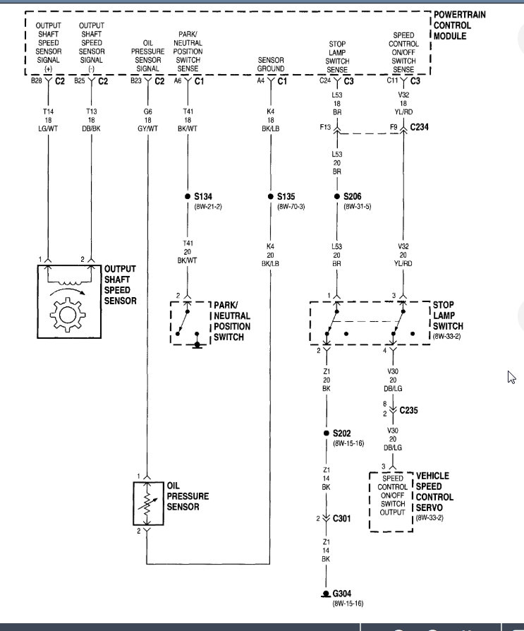
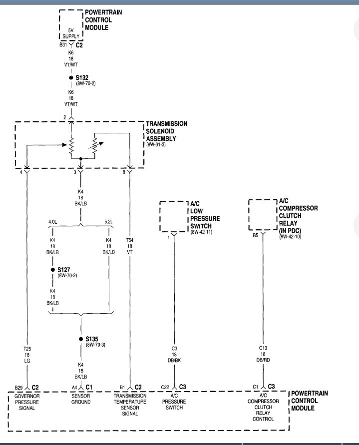
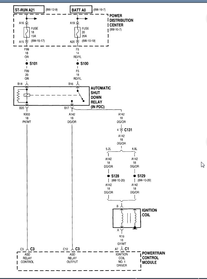
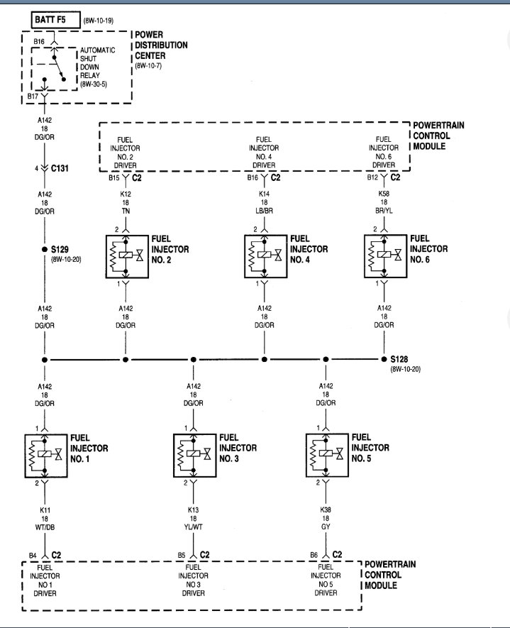
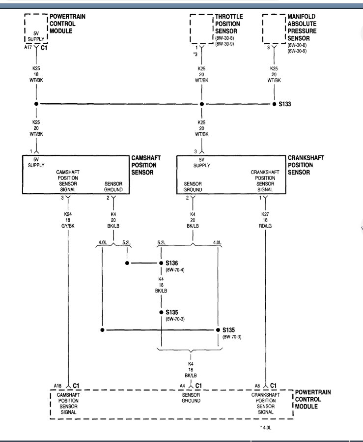
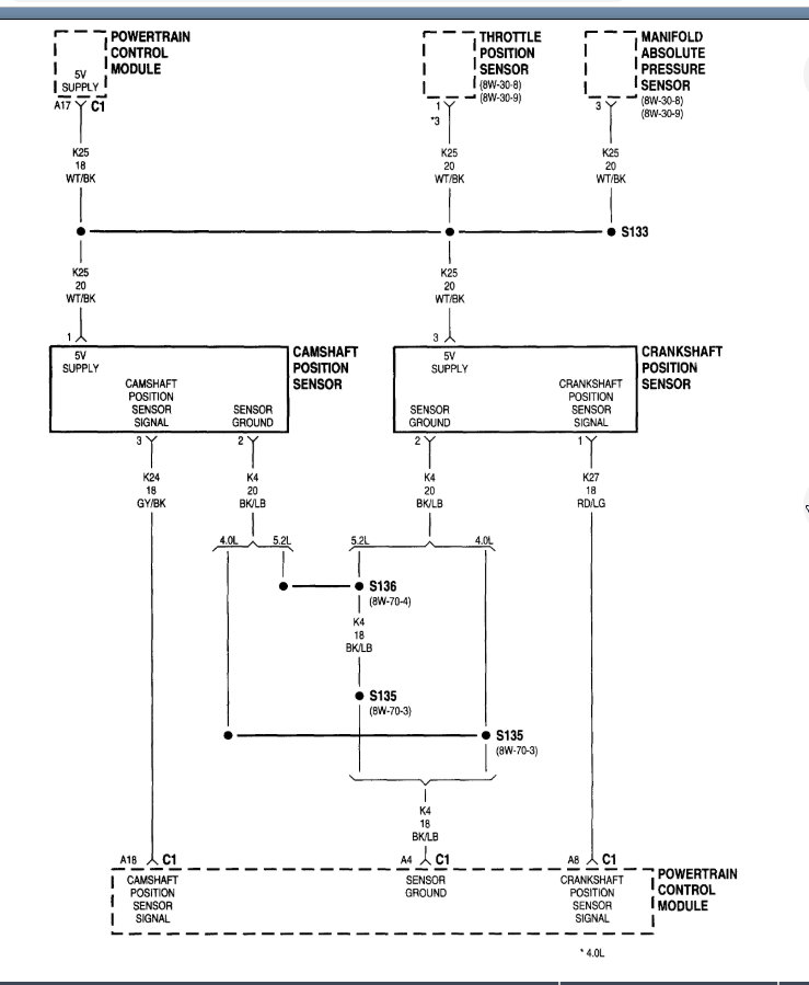
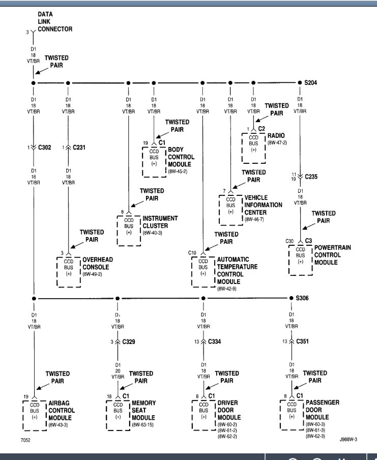
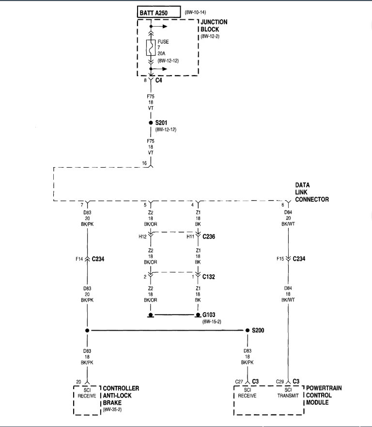
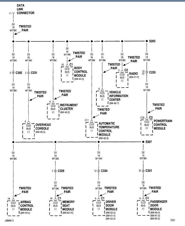
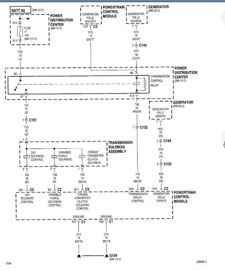
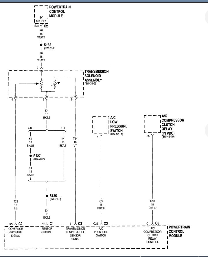
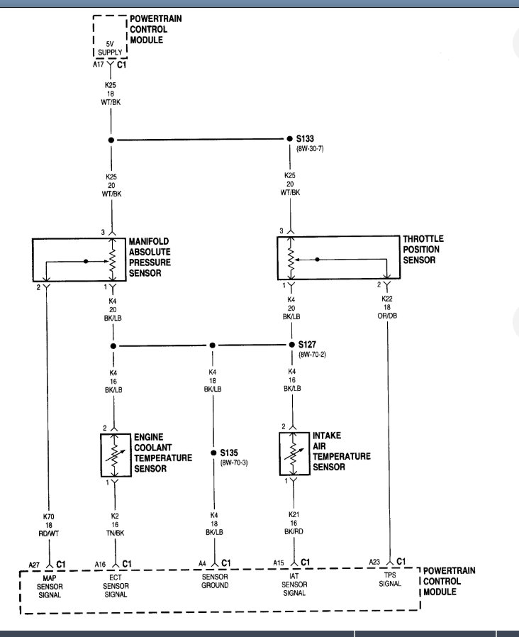
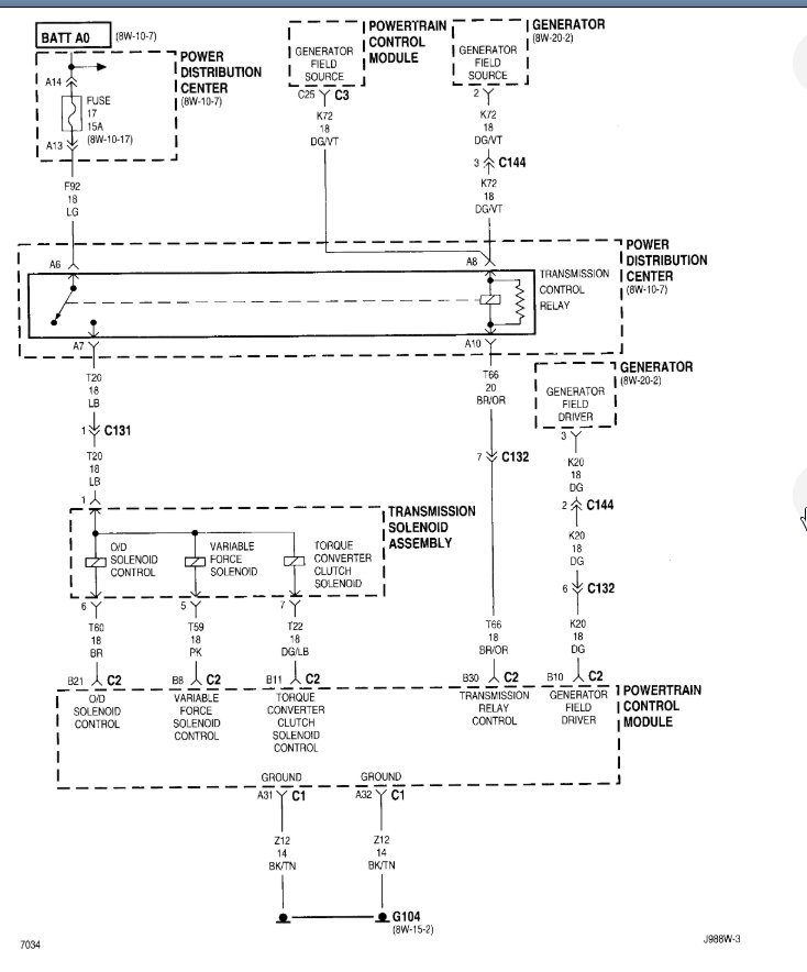
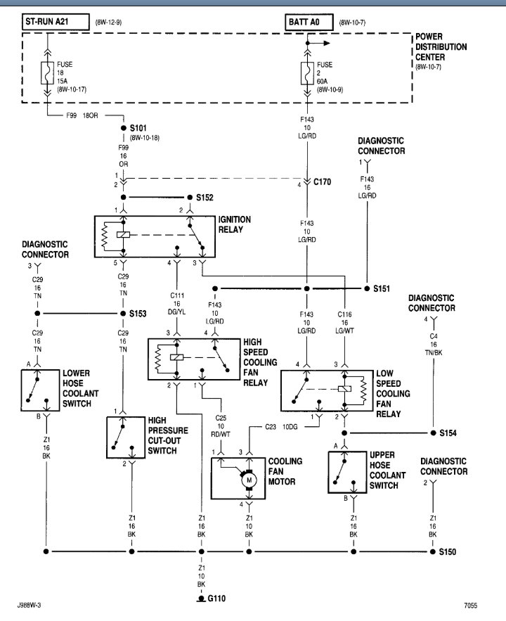
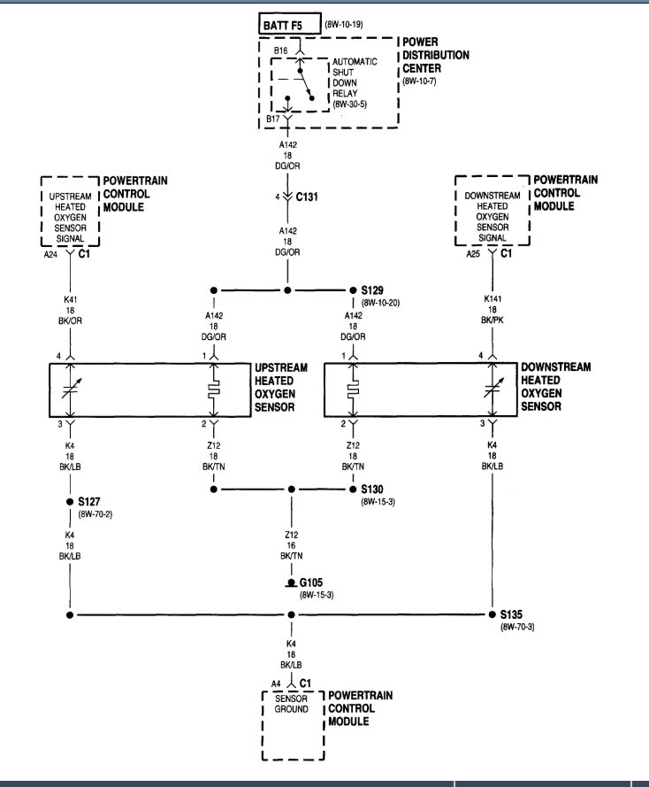
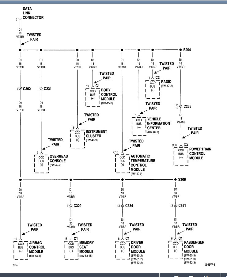
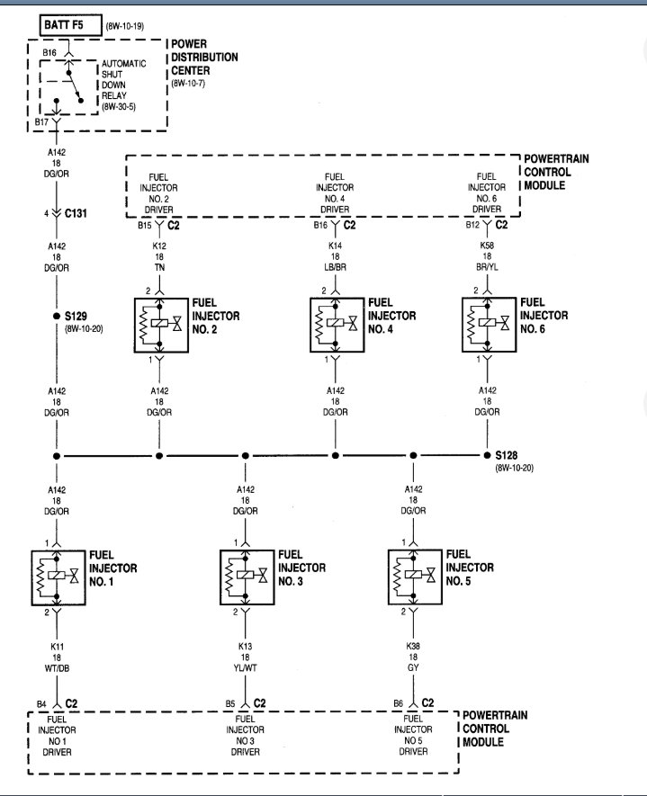
every thing has power but the ECM. need a wiring diagram of the ECM.
Aug 30, 2020 at 10:53 AM (Merged)
Avatar
KASEKENNY
  • CERTIFIED EXPERT
  • 18,907 POSTS
Here are all the diagrams for the PCM. Clearly you need to verify B+ feeds and all the grounds. If you have no power to the ECM then that is where you start. Otherwise you need to check the crank signal and make sure the PCM is able to fire the injectors and coils. Let me know if you need more info. Thanks
Aug 30, 2020 at 10:53 AM (Merged)
Avatar
PETERBECK
  • MEMBER
  • 1 POST
hey im haveing problems my car starts but sometime when i drive it it stals out whenever i hit the brake the rpms just shoot down i dont know what to do
Aug 30, 2020 at 10:53 AM (Merged)
Avatar
JDL
  • CERTIFIED EXPERT
  • 16,098 POSTS
Might be a problem with idle air system? Clean the throttle-body. Any applicable trouble codes?
Aug 30, 2020 at 10:53 AM (Merged)