truck wont start?

1998 CHEVROLET S-10
160,000 MILES • 4 CYL • 2WD • MANUAL
Avatar
  • MEMBER
  • 1 POST
1998 chevy s10 4 cylinder 2.2l turns over but wont start.changed the crankshaft sensor truck still wont start! i have the haynes repair manual. went through troubleshooting still wont start?
Mar 15, 2011 at 1:23 AM
Advertisement
Avatar
RASMATAZ
  • CERTIFIED EXPERT
  • 75,992 POSTS
We need to check for spark and fuel, see if the engine will run on starting fluid. Next lets check for spark this will help narrow down which system is not working, it will run on starting fluid care the fuel pump has gone out which is common on these cars.

Check out this video.

https://youtu.be/baq_aEWNQ0Y

this guide may help as well

https://www.2carpros.com/articles/car-not-running-advanced

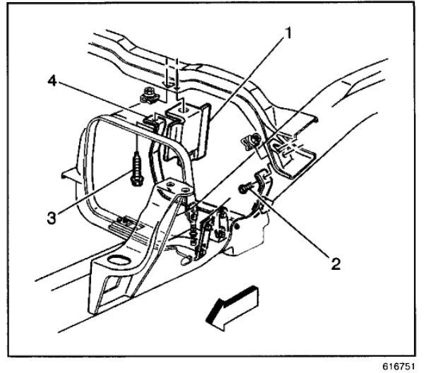
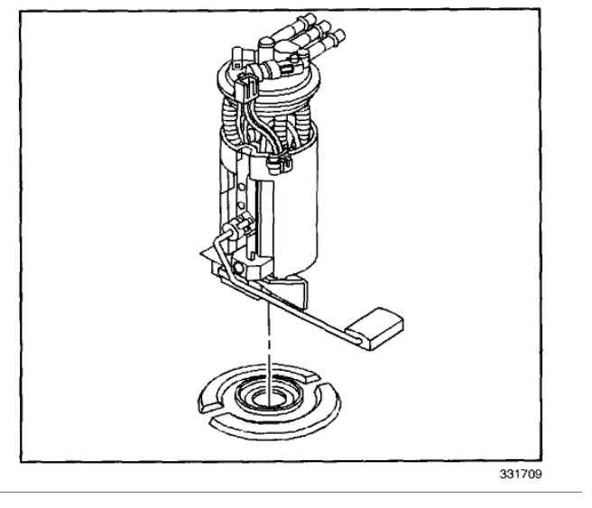
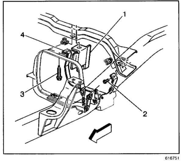
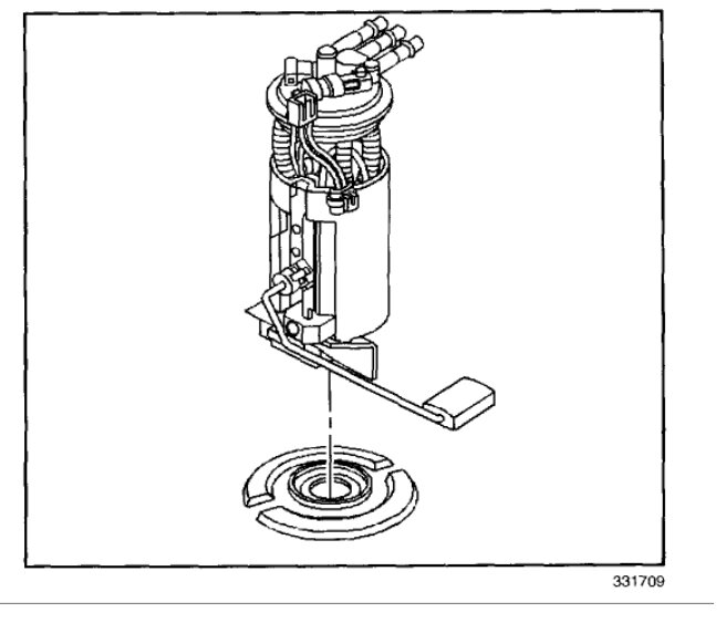
If it has spark here is how to change the fuel pump out. Check out the images (Below). Please let us know what happens.
Mar 15, 2011 at 1:25 AM
Avatar
NEEDANSWER
  • MEMBER
  • 2 POSTS
it sounds if it out of gas but its not i have checked battery an cables
Mar 30, 2019 at 12:52 PM (Merged)
Advertisement
Avatar
ASEMASTER6371
  • CERTIFIED EXPERT
  • 52,796 POSTS
check the battery to make sure it is cranking fast enough to start.

the fuel pressure needs to be checked to verify pressure.

spray some starting fluid into the air cleaner and see if it starts and stalls.

Roy
Mar 30, 2019 at 12:52 PM (Merged)
Avatar
NEEDANSWER
  • MEMBER
  • 2 POSTS
does it sound like it jumped time or the fuel pump went bad
Mar 30, 2019 at 12:52 PM (Merged)
Avatar
ASEMASTER6371
  • CERTIFIED EXPERT
  • 52,796 POSTS
i dont know. i cannot hear it here but from your description, i would look at bascis first like fuel pressure, spark and compression.

Roy
Mar 30, 2019 at 12:52 PM (Merged)
Avatar
V4NCE
  • MEMBER
  • 1 POST
battery is good, tried jump starting it and it didn't work.

when trying to start it sounds like it's about to start but won't.

i tried putting a little gas in it just in case the gas gauge was broke and that didn't help either.

im all out of ideas. It stopped working while i was driving and it just died and wouldn't go.

thanks for reading and any advice will be appreciated.

Mar 30, 2019 at 12:52 PM (Merged)
Avatar
RASMATAZ
  • CERTIFIED EXPERT
  • 75,992 POSTS
Get a helper disconnect a sparkplug wire or 2 and ground it to the engine at least 3/16 away from ground -have helper crank engine over-do you have a snapping blue spark?

No snapping blue spark continue to troubleshoot the ignition system-power input to the coil/coil packs,coil's resistances,distributor pick-up coil, ignition control module, cam and crank sensors and computer Note: If it doesn't apply disregard it.
Mar 30, 2019 at 12:52 PM (Merged)
Avatar
DAVEMAYWOOD
  • MEMBER
  • 8 POSTS
I had to replace the steering column and now it wont
start do I have to change the anti theft brain to match the sensor in the column as well?
Mar 30, 2019 at 12:52 PM (Merged)
Avatar
2CARPRO JACK
  • CERTIFIED EXPERT
  • 11,533 POSTS
Did you swap out the tumblers so that the keys are the same? I dont think it would hurt otherwise.Does it crank and not start?
Mar 30, 2019 at 12:52 PM (Merged)
Avatar
DAVEMAYWOOD
  • MEMBER
  • 8 POSTS
It turns out that the anti theft was activated and all I had to do was turn the key on and walk away for 10 minutes
Mar 30, 2019 at 12:52 PM (Merged)
Avatar
GOLF2CHARLIE
  • MEMBER
  • 1 POST
My won't start when the weather gets cold. I can crank it over and no start. Once the weather get warn it starts right away. One morning when it wouldn't start I checked for spark and found none. That day it just wouldn't start not even after it the weather warmed up. I have changed the spark plugs and wires, also the crankshaft sensor. I took an ignition control module and colis from a car that was running and still no start. I have not replace the camshaft sensor yet. They are not cheap to just guess at that one. This truck is driving me crazy. Any ideas.
Mar 30, 2019 at 12:52 PM (Merged)
Avatar
SERVICE WRITER
  • CERTIFIED EXPERT
  • 9,123 POSTS
The ignition lock cylinder sensor and harness assy is a good possiblility. Have a hair dryer or heat gun and heat up the steering column when the no start occurs. If it starts, chances are pretty goo that you nailed it.



It may be a good idea to check the codes.
Mar 30, 2019 at 12:52 PM (Merged)
Avatar
DENNIS DOCHERTY
  • MEMBER
  • 1 POST
My vehicle stopped running after 50+km city driving. It cranks over, there is no spark or fuel, the battery and fuses seem okay. There is three quarters of tank fuel. No warning lights(only battery) when ignition turned to on/start. no signals? 4 way okay.lights okay..
Mar 30, 2019 at 12:52 PM (Merged)
Avatar
HMAC300
  • CERTIFIED EXPERT
  • 48,601 POSTS
try another key otherwise have a local professional scan for codes as it may be a security issue so they have to find out what has gone wrong with it.
Mar 30, 2019 at 12:52 PM (Merged)
Avatar
CHAD MANWARING
  • MEMBER
  • 1 POST
i own a 1998 chevy S-10 with a 2.2 liter v4.i just had $2,000.00 worth of work done on it including new 02 sensor,brakes,battery,new transmission sensor and more.the alernator is also almost brand new.about 2 weeks after i got it out of the shop,the "service engine soon" loght came on.it also became extremely cold the past 2 weeks.it started to become hard to start,now it wont start at all.it sat for over a year and a half before the work was done.could it be bad gas or debris that accumulated in the gas tank?
Mar 30, 2019 at 12:53 PM (Merged)
Avatar
RASMATAZ
  • CERTIFIED EXPERT
  • 75,992 POSTS
Step1 -scanned the computer for code/s

Step2- If you haven't checked for fuel and spark-Do below

Disconnect a sparkplug wire or 2 and ground it to the engine atleast 3/16 in away from ground have helper crank engine over-do you have a snapping blue spark? If so-you have a fuel related problem, check the fuel pressure to rule out the fuel filter/fuel pump/pressure regulator and listen to the injector/s are they pulsing or hook up a noid light. No snapping blue spark continue to troubleshoot the ignition system-power input to the coil/coil packs,coil's resistances,cap and rotor /distributor pick-up coil, ignition control module, ECM,Ignitor camshaft and crankshaft sensors- Note: If it doesn't apply disregard it
Mar 30, 2019 at 12:53 PM (Merged)
Avatar
BIGBABYJON99
  • MEMBER
  • 1 POST
my truck can be pull-started, and runs GREAT...but i cannot get it to crank up by flipping the ignition over(using the key)...it always acts like my battery is dead...could i have starter issues, or alternator problems?...
Mar 30, 2019 at 12:53 PM (Merged)
Avatar
RASMATAZ
  • CERTIFIED EXPERT
  • 75,992 POSTS
Find the purple wire at the starter and hook up a voltmeter to it -red lead of voltmeter to purple wire and black lead to a good ground-should be battery voltage, if so replace starter, if not check starter relay, neutral safety switch/park and neutal switch and ignition switch.
Mar 30, 2019 at 12:53 PM (Merged)
Avatar
GHOSTGRAYEFFECT
  • MEMBER
  • 1 POST
1998 s10 cranks but wont start the fuel pump makes clicking noise then another noise when turned off sat for two weeks ran fine b4. I moved truck bed around to lower it also took out radaitor and core support headlights grill now cranks but wont start sounds like its not pumping gas or no spark cant smell any gas put in two gallions checked what fuses i could under hood also disconnected air cleaner asembly took out battery and box underneth maybe hooked up smothing wrong when put back together
Mar 30, 2019 at 12:53 PM (Merged)
Avatar
DRCRANKNWRENCH
  • CERTIFIED EXPERT
  • 3,380 POSTS
The clicking noise you are hearing is probably the fuel pump relay which turns on the pump to prime the system when the key is in the "ON" or "RUN" position. You must have disconnected something in between the relay and the pump.
I am giving you the wiring diagrams so you can trace the circuit. They are for a 2.2L engine, so if you have the other engine let me know and I will give you those. The diagrams are labeled, 1of3, 2of3, etc. Note that 1of3 has realy on the end of file name. In the upper right part of this diagram you will see the pump relay and you can align all 3 diagrams from left to right to match up wires to follow circuit.
I am going to have to sned you 3 messages as our function to attach multiple files is not working. Each message will have one diagram attached.
Mar 30, 2019 at 12:53 PM (Merged)
Avatar
DRCRANKNWRENCH
  • CERTIFIED EXPERT
  • 3,380 POSTS
2of3
Mar 30, 2019 at 12:53 PM (Merged)
Avatar
DRCRANKNWRENCH
  • CERTIFIED EXPERT
  • 3,380 POSTS
3of3
Mar 30, 2019 at 12:53 PM (Merged)
Avatar
98S10BLAZER
  • MEMBER
  • 4 POSTS
Engine Mechanical problem
1998 Chevy S-10 6 cyl Two Wheel Drive Automatic 171k miles
----------------------------------------------------------------
Noticed my blaser hard to start during or after the rain. Now it doesnt start after this wknds rain Sat. Trys toTurn over but no "coughing" at all. Sounds like no gas or spark. 2wks ago error code said MAF sensor. I replaced that and disconnected battery . Still wont start. I smell gas after trying to turn it over and hear fuel pump. Removed sparkplug cable from plug in engine. Bought a spark plug and plugged it into cable and tried to start the car. Had spark when i put it close to the engine. Noticed a little corrosion so i cleaned out distrib and rotor. Still wont start. So I smell gas and got spark. Maybe a sensor somewhere not working ?
Any suggestions before Im forced to call a tow truck for the shop?
Mar 30, 2019 at 12:53 PM (Merged)
Avatar
RASMATAZ
  • CERTIFIED EXPERT
  • 75,992 POSTS
You got a snapping blue spark and smell fuel-lets do a fuel pressure check to rule out the fuel pump and also check for injection pulses from the injector/s.

Or try this below and tell me what happened

Get a carb cleaner and spray into the carb or the throttle body on an EFI. Did it start and die? If not disconnect a sparkplug wire or 2 and ground it to the engine -have helper crank engine over-do you have a snapping blue spark? If so-you have a fuel problem, check the fuel pressure to rule out the fuel pump/pressure regulator and listen to the injector/s are they pulsing or hook up a noid light. No snapping blue spark continue to troubleshoot the ignition system-power input to the coil/coil,distributor pick-up coil, ignition control module, cam and crank sensors-
Mar 30, 2019 at 12:53 PM (Merged)
Avatar
98S10BLAZER
  • MEMBER
  • 4 POSTS
I used starting fluid in thottlebody with and without boot on. The blazer just sputtered tried to kick over jerking and backfiring briefly through the thottlebody and stopped. Could it be a possible egr valve stuck open? Spark was blue gas pressure was 58 to 60 psi on the rail. Good spark and gas pressure. or could I check something else out?
Mar 30, 2019 at 12:53 PM (Merged)
Avatar
98S10BLAZER
  • MEMBER
  • 4 POSTS
can someone please reply to my question. Blazer has not started in 4 days. From previous posts looks like possible issues for not starting are coil, cap/rotor, egr sensor,crank sensor. Cap has some white stuff on metal pins. cleaned that out and metal piece on top of rotor. put back on and still wont start. Good spark and gas pressure. starting fluid in Throttle body with and without boot on just sputters and jerks car around. Backfire through throttle body to. How do you check coil. Could egr be the problem? Was going to locate that somewhere on engine and remove it. Put hand over hole to seal it. Heard egr could stick open and you would have no "vacuum"..
What should I try next? Gas pressure at rail 60 to 58psi is that good?
Mar 30, 2019 at 12:53 PM (Merged)
Avatar
RASMATAZ
  • CERTIFIED EXPERT
  • 75,992 POSTS
How do you check coil. You said spark was blue then it should fire up when you hit it with the starting fluid. Are you spraying behind the throttle plate?

The EGR valve is electronic in from of the lower intake plenum.
Mar 30, 2019 at 12:53 PM (Merged)
Avatar
PAKKALAC
  • MEMBER
  • 4 POSTS
I just bought this 1998 s10 and it wont start it just cranks. I've tested fuel pressure, read 60psi which according to haynes repair manual is good. I've also tested for spark which was good. I sprayed starting fluid into the engine and it started for a second but i tried it later again and got nothing. My uncle also plugged in his diagnostic tool and no codes came up. I've also tried to do the passlock relearn, didnt work. I have also replaced the ignition coil, distributor cap, and rotor. Any other suggestions?
Mar 30, 2019 at 12:53 PM (Merged)
Avatar
98S10BLAZER
  • MEMBER
  • 4 POSTS
Yes just like a carb. Open the flap and squirt the starting fluid inside past the flap. I counted to 3sec. tried to start with and without boot. Then I squirted to 5sec. and did the same. Blazer just sputtered and backfired through throttle body. Seemed like engine was only burning the starting fluid. The blazer sputtered longer when I pushed peddle down halfway and to floor. If I kept foot off of gas pedal only a few sputters.
Blue spark good gas pressure. any other suggestions?
What does do? Is it possible the egr is causing a problem? I heard a MAS sensor could be a problem to. To many guesses. Trying to figure out hoe to troubleshoot what when for this issue.
Mar 30, 2019 at 12:53 PM (Merged)
Avatar
JDL
  • CERTIFIED EXPERT
  • 16,098 POSTS
Hi, if you have the spider fuel system, it may need cleaning. Sometimes the fuel poppets get stuck. Do you have an injector pulse, engine cranking?
Mar 30, 2019 at 12:53 PM (Merged)
Avatar
RASMATAZ
  • CERTIFIED EXPERT
  • 75,992 POSTS
Blue spark good gas pressure. any other suggestions?

When you hit it with carb cleaner-does it combust for 1sec-if it combust try checking the ignition timing. When push comes to shove open up the upper plenum and investigate the spider unit that's if its a Vortec
Mar 30, 2019 at 12:53 PM (Merged)
Avatar
PAKKALAC
  • MEMBER
  • 4 POSTS
I'm not sure if i have the spider fuel system, but ill clean it if i do. Also i dont know if this has anything to do with it but the gas gauge seems glitchy. sometimes it shows the 3/4 of a tank i put in it. and sometimes it doesnt. It usually shows up 3/4 tank then drops to below e randomly.
Mar 30, 2019 at 12:53 PM (Merged)
Avatar
PAKKALAC
  • MEMBER
  • 4 POSTS
And once this problem started occuring i did manage to get it started with starting fluid. I'm thinking it may just be "weak spark" because it definitly has spark but maybe its just not enough to get the engine to fire? But i replaced the ignition coil sooo...? and also if the plug wires were cracked it doesnt cause weak spark, it causes NO spark right?
Mar 30, 2019 at 12:53 PM (Merged)
Avatar
JAYMAN99
  • MEMBER
  • 2 POSTS
My s10 will crank but it will not fire. It is getting fuel but no spark. I just replaced the crank sensor, ingition module, and coil packs and it still will not fire when i crank it over. I dont what it could be? The fuses are all good too.
Mar 30, 2019 at 12:53 PM (Merged)
Avatar
BLACKOP555
  • CERTIFIED EXPERT
  • 10,386 POSTS
what kind of ignition system do you have? when checking for spark are you grounding it out to a good CLEAN tight ground?
Mar 30, 2019 at 12:53 PM (Merged)
Avatar
JDL
  • CERTIFIED EXPERT
  • 16,098 POSTS
A weak spark could be an issue? When you said it ran with starter fluid, it made me think it is something with the fuel system. If you test for spark and it is a snapping blue spark, that sounds strong to me. If you have a noid lite, you can check for injector pulse?
Mar 30, 2019 at 12:53 PM (Merged)
Avatar
JAYMAN99
  • MEMBER
  • 2 POSTS
the ignition system it has is an ignition module with the coil packs and thats it. It does not have a distributor. I did put it on a clean ground. It started by not firing on 2 of the 4 cylinders and then i bought a new ingition module and it wont fire. So i bought another new ignition module and it still wont fire. I changed the coil packs and did nothing to fix it. I then changed the crank sensor and still the same. I have no idea what to change next.
Mar 30, 2019 at 12:53 PM (Merged)
Avatar
PAKKALAC
  • MEMBER
  • 4 POSTS
No it wasn't blue it was red/orange. So that means i have a weak spark? I just replaced the ignition coil though.
Mar 30, 2019 at 12:53 PM (Merged)
Avatar
BLACKOP555
  • CERTIFIED EXPERT
  • 10,386 POSTS
woah! beore changing all t hese things lets get to testing?

take the harness of of the ignition coils. from there check to see if you get a +12v on one terminall of each coil with key on. then with engine cranking see if you get a -12v pulsing on the other side of the coil.
Mar 30, 2019 at 12:53 PM (Merged)
Avatar
JDL
  • CERTIFIED EXPERT
  • 16,098 POSTS
I'd still want to check injector pulse. Did you use a spark tester? Some of them testers, you can open the gap, if spark will jump the gap, I don't care what color the spark, sounds strong to me. If you used a spark plug to test for spark and it was fuel contaminated, I'm not sure what color it might be?

Just to add, if you break the side electrode off a known good spark plug and the spark will jump from center electrode to side of plug, the spark should be strong enough.
Mar 30, 2019 at 12:53 PM (Merged)