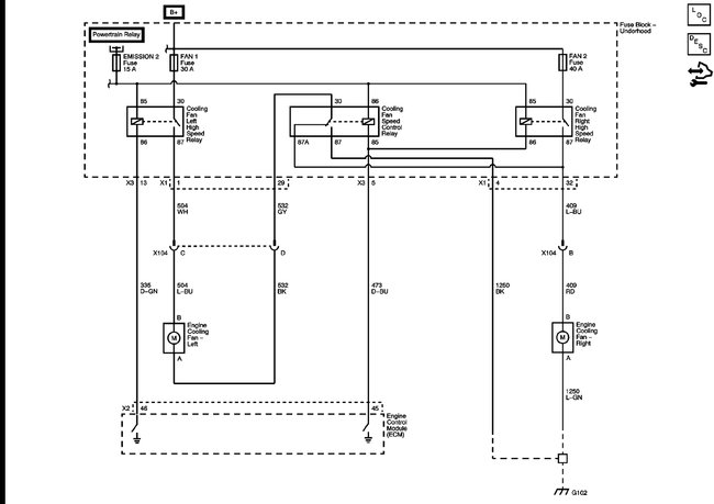
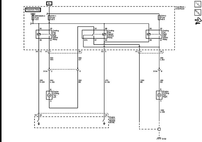
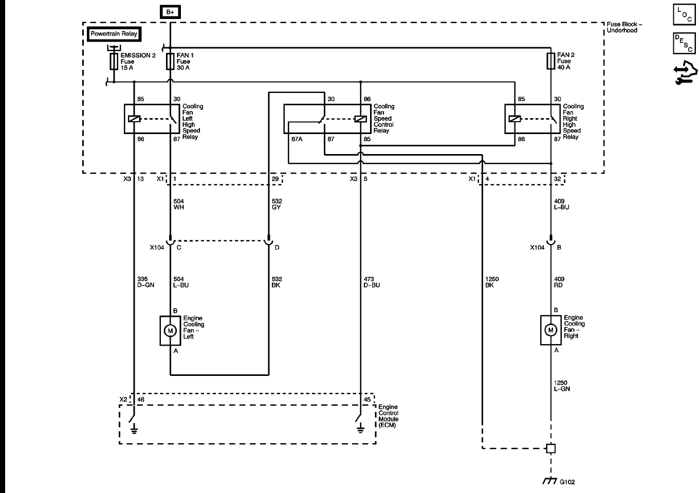
Changed water pump, thermostat, coolant temperature sensor, flushed system, checked all fuses and relays, bled air from system. Fans come on when A/C is turned on, fans come on when coolant temperature sensor is disconnected. But will not come on during normal operation without using A/C. Dash gauge works fine and with the needle hits two marks above mid way coolant comes out of reservoir tank every time.. Any suggestions?
First thing I did was to replace the cap. Have no idea as to the temperature boil point. What else is there to replace? I think I have replaced everything possible to include new coolant when it was flushed and pressure checked.
First thing I did was to replace the cap. Have no idea as to the temperature boil point. What else is there to replace? I think I have replaced everything possible to include new coolant when it was flushed and pressure checked.
Jun 4, 2012 at 5:27 PM












