Instrument cluster not working any suggestions?

2007 HONDA CIVIC
27,000 MILES
Avatar
HANNIGANFFC
  • MEMBER
  • 2 POSTS
My dashboard display has just went out with the rev counter sticking at 4000rpm, my speedometer has also stuck at 0mph and a few dashboard lights have appeared, any suggestions to what this can be?
May 1, 2012 at 3:51 PM
Advertisement
Avatar
KHLOW2008
  • CERTIFIED EXPERT
  • 41,814 POSTS
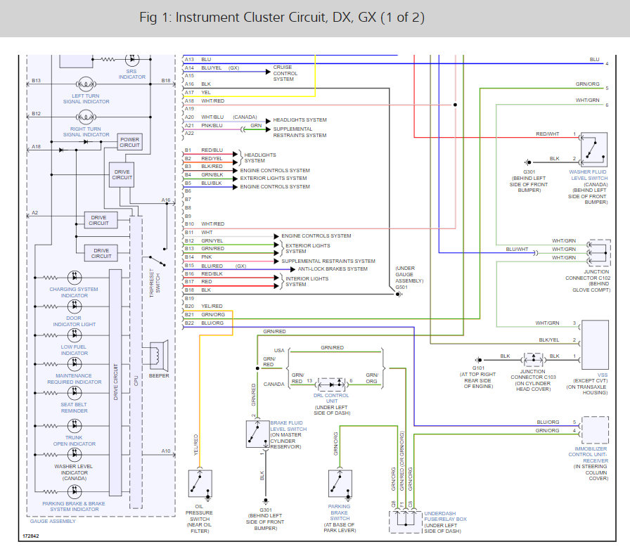
Most likely a fault with the instrument cluster which is common here is how you can replace it. But first lets check the fuses here is a guide to help with the fuse location below.

https://www.2carpros.com/articles/how-to-check-a-car-fuse

Check out the diagrams (Below). Let us know what happens and please upload pictures or videos of the problem. You will need to get a rebuilt unit which is programmed to your car through the VIN number.
May 1, 2012 at 3:58 PM
Avatar
HANNIGANFFC
  • MEMBER
  • 2 POSTS
thanks for the reply, it was the cluster I got a rebuilt unit for 140.00 all set
May 1, 2012 at 4:01 PM
Advertisement
Avatar
AMANDA FULLER
  • MEMBER
  • 1 POST
Hi I have been having a problem with my dash for the past year. It's very unpredictable. My spedometer, gas, temp, and kms gauges will not come on. They will go off and it could be for an hour, could be for a couple days. Sometimes when I start my car or go over a bump or just be driving it will come back on. Please any advice would be greatly appreciated.
Apr 7, 2021 at 1:34 PM (Merged)
Avatar
KHLOW2008
  • CERTIFIED EXPERT
  • 41,814 POSTS
Hi Amanda fuller,

You have a loose connection somewhere and vibrations/bumps is causing it to come on or go off depending on situation. The best time to perform test is when the gauges do not work.

You would have to remove the meter cluster to perform the test.

Start by wiggling wire harness under dash to fuse box. If they start working where you wiggled, check connectors for contamination or loseness in connection.
Apr 7, 2021 at 1:34 PM (Merged)
Avatar
AARON TYSINGER
  • MEMBER
  • 1 POST
The car listed above is a previously turbocharged si (ep3). previous owner told me that after the motor blew with the turbo setup that he put a low mileage (spec-k20) back in it. the problem was at first that the car blew a 10 amp fuse under the dash that was for air/fuel sensor, plus speed sensor, plus something with the fuel system. I figured out if I took it (out) before start up and now the cluster is not working?
Apr 7, 2021 at 1:34 PM (Merged)
Avatar
STRAILER
  • CERTIFIED EXPERT
  • 53,855 POSTS
Hello,

Lets try to remove all spliced in wires and return the wiring harness to stock. Then lets check the fuses and grounds here are two guides to help with the fuse locations and instrument cluster wiring diagrams below so you can see how the system works.

https://www.2carpros.com/articles/how-to-check-a-car-fuse

and

https://www.2carpros.com/articles/how-to-check-wiring



Check out the diagrams (Below). Let us know what happens and please upload pictures or videos of the problem.
Apr 7, 2021 at 1:34 PM (Merged)
Avatar
MLPCIVIC
  • MEMBER
  • 2 POSTS
The gauges usually work normally. But every once in a while the speedometer and tachometer will drop to zero, and the odometer will display all 8's. The dash light will go out. It may stay this way for 5 seconds up to several minutes, and then return to normal. We just recently purchased this car, but evidently it has had this problem before. The gauge cluster was replaced in 2007 at 75,000 miles. Also, just before it was traded in, and unknown to us when we bought it, the Honda dealer had replaced the electronic load detector. They have looked at it since, but since it is sporadic, they cannot find anything. Our 17 year old is driving this car and we need to find the problem. The engine performance was not affected. The radio stayed on. I do not know if the ignition switch was checked or not. I did see there was a TSB about erratic gauge displays. And there was a Feb, 2003 Honda service bulletin about how to reset the gauge control module, which I tried. It did not correct the problem. Any ideas? Thanks.
Apr 7, 2021 at 1:34 PM (Merged)
Avatar
KHLOW2008
  • CERTIFIED EXPERT
  • 41,814 POSTS
Problem should not be due to ignition switch as the performance was not affected. Here are some diagnostics that you can carry out to see if you can get any info. SELF - DIAGNOSTIC FUNCTION "¢ The gauge assembly has a self -diagnosis function. "¢ The beeper drive circuit check "¢ The indicator drive circuit check "¢ The LCD segments check "¢ The gauges drive circuit check (Speedometer, Tachometer, Fuel gauge, Coolant temperature gauge) "¢ The communication line check (the coolant temperature signal line between the gauge and ECM/PCM) ENTERING THE SELF - DIAGNOSIS FUNCTION Before doing the self -diagnosis function, check the No. 9 (10A) fuse in the under-hood fuse/relay box and No. 10 (7.5A) fuse in the under-dash fuse/relay box. 1. Push and hold the trip/reset button. 2 . Turn the lighting switch ON. 3 . Turn the ignition switch ON (II). 4 . Within 5 sec, turn the lighting switch OFF, then ON and OFF again. 5 . Within 5 sec, release the trip/reset button, then push and release the button four times repeatedly.


https://www.2carpros.com/forum/automotive_pictures/192750_GaugeSelfDiagnostic02CivicFig06_2.jpg

NOTE: "¢ While in the self-diagnosis mode, the dash lights brightness controller operates normally. "¢ While in the self-diagnosis mode, the trip/reset button is used to start the beeper drive circuit check and the gauge drive circuit check. "¢ If the vehicle speed exceeds 1.2 mph (2 km/h) or the ignition switch is turned OFF, the self-diagnosis mode ends. THE BEEPER DRIVE CIRCUIT CHECK When entering the self -diagnosis mode, the beeper sounds five times. THE INDICATOR DRIVE CIRCUIT CHECK When entering the self -diagnosis mode, the following indicators blink. Seat belt indicator, Door/trunk indicator, Brake system light, Low fuel indicator, Maintenance required indicator (USA), Washer fluid level indicator light (Canada), Oil pressure light and, A/T gear position indicator (except P, R, N). THE LCD SEGMENT CHECK When entering the self -diagnosis mode, the odo/trip segment blinks five times. THE GAUGE DRIVE CIRCUIT CHECK When entering the self -diagnosis mode, the speedometer and the tachometer, the fuel gauge, and the coolant temperature gauge needles sweep from the minimum position to maximum position, then return to the minimum position. NOTE: After the beeper stops sounding and the gauge needles return to the minimum position, pushing the trip/reset button starts the beeper drive circuit check (one beep), and the gauge drive circuit check again. The check cannot be started until the needles return to the minimum position. If the gauge needles fail to sweep, replace the gauge assembly.


https://www.2carpros.com/forum/automotive_pictures/192750_GaugeSelfDiagnostic02CivicFig06_1.jpg

THE COMMUNICATION LINE CHECK In the self -diagnosis mode, after the odo/trip LCD segments check, the self -diagnosis starts the communication line check. If all segments come on, the communication line is OK. If the word "Error" is indicated, there is a malfunction in the communication line between the gauge assembly, the multiplex control unit, and the ECM/PCM.


https://www.2carpros.com/forum/automotive_pictures/192750_GaugeSelfDiagnostic02CivicFig07_1.jpg

ENDING THE SELF - DIAGNOSIS FUNCTION Turn the ignition switch OFF. NOTE: If the vehicle speed exceeds 1.2 mph (2 km/h), the self-diagnosis function ends. If any of the checks do not function as specified, replace the gauge assembly.
Apr 7, 2021 at 1:34 PM (Merged)
Avatar
MLPCIVIC
  • MEMBER
  • 2 POSTS
I ran the diagnostic and as far as I can tell, everything passed. The needles on all of the gauges did go from minimum to maximum and back to minimum. I did check the 2 fuses first. They looked OK too. The odometer did not show the word "error".

When I ran the diagnostic, the gauges had been working correctly the last time it was driven. Maybe we need to run the diagnostic immediately after the gauges have not been working???

This is the second gauge cluster to have these problems. Would that indicate that it's something else?

Thanks for the help.
Apr 7, 2021 at 1:34 PM (Merged)
Avatar
KHLOW2008
  • CERTIFIED EXPERT
  • 41,814 POSTS
The diagnostics indicates there are no fault within the system and it would be good to perform the test immediately after the problem occurred.

There is a possibility power supply is interrupted causing the problem and that would be a headache to diagnose.

I would not rule out the possibility iof a faulty meter cluster as it could be due so some technical fault of the assembled units and tends to fail intermittently.
Apr 7, 2021 at 1:34 PM (Merged)
Avatar
LEPEPE83
  • MEMBER
  • 1 POST
in the last 2 months, my 2002 Civic has been having the same dashbord light issues. They go out intermitently but the engine, heater, radio, headlights, tail lights, cruise and emergency blinkers all work fine while the gauges are all dead.

I have taken it to the Honda dealer for diagnosis and the 70,000 mile service, and they found nothing. All systems checked clear.

If a solution is found, please post! I drive early in the morning before sunrise and it freaks me out when the lights go out even though the car continues to run!
Apr 7, 2021 at 1:34 PM (Merged)
Avatar
VIVICHO
  • MEMBER
  • 4 POSTS
Hi I had the same problem.. After a year of checking almost all the electric system I found the issue. At the beginning I was thinking that the fuel meter sensor ground was the issue but at the end it was not.
here is what I found:
The small piece of rubber that activates the cruise control switch in the clutch pedal was not there, so the circuit was always opened. It was leaking current and CPU on the gauge cluster was getting incorrect voltage levels from the MCU or fuse box. The CC switch is normally closed so it is always consuming current so when you put the key on ignition mode it absorbs current and provide what is exactly needed for the gauge cluster.

Hope it helps.
Apr 7, 2021 at 1:34 PM (Merged)
Avatar
NATHAN.D.BALK
  • MEMBER
  • 7 POSTS
Vivicho,
Where exactly is the small rubber piece that activates the cruise control switch. Is it up on the clutch where it enters into the car? Once I find that location, can I just place a new rubber piece there. Can I buy that piece at a hardware store? I guess I am just asking for some more details on how to fix the problem from your previous response on July 18th......

Hi I had the same problem.. After a year of checking almost all the electric system I found the issue. At the beginning I was thinking that the fuel meter sensor ground was the issue but at the end it was not.
here is what I found:
The small piece of rubber that activates the cruise control switch in the clutch pedal was not there, so the circuit was always opened. It was leaking current and CPU on the gauge cluster was getting incorrect voltage levels from the MCU or fuse box. The CC switch is normally closed so it is always consuming current so when you put the key on ignition mode it absorbs current and provide what is exactly needed for the gauge cluster.

Thanks
Apr 7, 2021 at 1:34 PM (Merged)
Avatar
WEEZE
  • MEMBER
  • 1 POST
Thanks for this post! I have a 1999 Civic EX with Auto trans that my 19 yo daughter drives to college. She called when heading back after Christmas and said that while driving she turned on the headlights and that all of the gauges went to zero then came back on after about 2 seconds. Said her radio continued to play and the car did not stop or die (thank goodness!) I had to replace the fuel gauge when we bought the car almost 4 yrs ago. This has just started happening so I want to jump on this and get it fixed asap! Unfortunately she is 8hrs away at college so I wont be able to do the test on the gauges. I will keep you all posted as to the test outcome. If you have any other suggestions... Thanks again!
Apr 7, 2021 at 1:34 PM (Merged)
Avatar
UMER
  • MEMBER
  • 5 POSTS
hi,i have honda civic 2002 vtec ,yesterday its speedometer,tach meter,temp gauge and fuel gauge stoped working, i've checked all fuses underdash and under the hood they are ok . then i took out the meter assembly for checking the conectors they seems fine ,but accidently ive shorted some connections and heard relaly clicking sound ,and then i lost my stereo ,cabin light and i think central locking too ,again checked all fuses they all are fine including stereo fuses ,can u please help me .thank you.
Apr 7, 2021 at 1:34 PM (Merged)
Avatar
KHLOW2008
  • CERTIFIED EXPERT
  • 41,814 POSTS
Seems you have a fault with the Multiplex Control Unit. It is plugged into the underdash relay box. Check for bad ground circuit connections at the MCU.

The MCU is related to the gauges, stereo, cabin lights and power door locks.
Apr 7, 2021 at 1:34 PM (Merged)
Avatar
DZVUKEE
  • MEMBER
  • 1 POST
My Honda CRV RD5 its problem is on speedometer its not working but everything at the cluster is normal and it reads ABS is not disappear at the cluster
Apr 7, 2021 at 1:34 PM (Merged)
Avatar
UMER
  • MEMBER
  • 5 POSTS
can you plz send me the location and picture of the mcu of civic and the location of ground wire there are lots of ground wires in the car .the problem was started after i washed my car at a service station.thanking you .
Apr 7, 2021 at 1:34 PM (Merged)
Avatar
KHLOW2008
  • CERTIFIED EXPERT
  • 41,814 POSTS
It is built into the underdash fuse relay box.

TROUBLESHOOTING
MODE 1 TEST
1. Remove the driver's dashboard lower cover.

2. Check the No. 9 (10A) fuse in the under-hood fuse/ relay box and the No. 10 (7.5A) fuse in the under-dash fuse/relay box.

Are the fuses OK?
YES - Go to step 2.
NO - Find and repair the cause of the blown fuse.

3. Turn the ignition switch ON (II).

If the driver's seatbelt is unbuckled, the seatbelt reminder will chime 6 times.

4. Set the ceiling light to the center position and close all the doors.

5. Connect the special tool (A) to the multiplex inspection connector (B).

6. After about 5 seconds the spotlight and ceiling light should come on for 2 seconds, go out, then blink on for 0.2 second to show the system is now in Mode 1.

Did the spotlight and ceiling light indicate Mode 1?

YES - Go to step 8.
NO - Go to step 7.

7. Check for continuity between terminal 4 of the under-dash fuse/relay box connector J and body ground.

Is there continuity?
YES - Replace the under-dash fuse/relay box.
NO - Repair the open in the wire. If the wire is OK, repair G301.

8. If the DTCs are present, the spotlight and ceiling light will blink to indicate the DTC(s). If more than one DTC is present, the DTCs will be displayed in ascending order. If there are no DTCs the spotlight and ceiling light will not blink again after the Mode 1 indication.

Are there any DTCs?
YES - Go to step 9.
NO - Go to the Mode 2 test.

9. Troubleshoot the DTC(s) in the order indicated using the following charts.
If a faulty control unit is suspected, substitute it with a known-good part and recheck for DTCs.

• If the DTC(s) is still present, go to the next step instead for the DTC.
• If the DTC(s) is no longer present, replace the original part.


MODE 2 TEST
1. From Mode 1, disconnect the special tool from the multiplex inspection connector for 5 to 10 seconds, and then reconnect it.

2. The spotlight and ceiling light should come on for 2 seconds, go out, then blink twice, 0.2 seconds each time. The system is now in Mode 2.

3. Operate the switches listed below. If the circuit is OK, the spotlight and ceiling lights will blink once. If the circuit is faulty, the lights will not blink.

Tip: Operate the switches most closely related to the problem you are diagnosing is a quick way of testing the circuits integrity.

4. If all inputs were confirmed, or multiple circuits failed at the same time in Mode 2, go to the multiplex sleep mode test. If a single switch fails in Mode 2, troubleshoot its circuit.

MULTIPLEX SLEEP MODE TEST

1. Connect the positive lead of a voltmeter to terminal 10 of the under-dash fuse/relay box connector E (YEL) or K (WHT/GRN) and the negative lead to body ground.

2. Connect ammeter between the negative battery cable and the negative battery post.

3. Remove the special tool from the multiplex inspection connector.

4. Close the doors, the hatch, turn the headlights off, turn off the ignition switch and remove the key.

5. Within 1 minute the voltage on the communication wire (E10 or K10) should change from approx 4 - 10 V to battery voltage and the amperage at the negative battery terminal should drop from approx. 70-80 mA to less than 10 mA.

6. Record your findings and go to the Multiplex Wake-up Test.

MULTIPLEX WAKE-UP TEST

1. From the sleep mode, Wake-up the multiplex system by performing one of the following operations:

Fig. 9: Multiplex Wake-up Test

2. As the system shifts to its active (wake-up) mode, communication wire voltage will return to 4-10 V and the battery terminal current will return to 70-80 mA.

3. If the system does not go into sleep mode or wake-up properly, perform the Multiplex Control Unit Input Test.

NOTE:
If multiplex circuits fail to respond in the Mode 2 tests and/or the multiplex circuit fails to go into sleep mode or wake-up, it may mean that a control unit failed without triggering a DTC in Mode 1. Perform the Multiplex Control Unit Input Test. If the input test confirms that all the inputs are working properly, substitute a known-good multiplex control unit, gauge assembly or ECM one at a time. If after swapping one of the above components the system works properly, replace the original component, it is faulty.

© 2008 Mitchell Repair Information Co., LLC.
Apr 7, 2021 at 1:34 PM (Merged)
Avatar
PETER TAYLOR
  • MEMBER
  • 1 POST
I have been having problems with my instrument cluster and dash lights going out intermittently. It started to happen only occasionally and now more often than not my cluster does not work. When it goes out all of the gauges go out as well as the odometer and the radio and A/C illumination. The radio and A/C (and everything else) still works. Sometimes when it works the odometer reads all "8's". The odometer reading seems to continue to keep track of mileage whether the cluster is on or not. Also, the only gauge that does not come back on as accurate is the fuel gauge. It tends to read close to full all the time, though sometimes when the cluster works it moves from full to almost empty in the span of ten miles. I have changed the alternator and the negative battery cable assembly with no improvement.
Apr 7, 2021 at 1:34 PM (Merged)
Avatar
UMER
  • MEMBER
  • 5 POSTS
i've replaced fuse no.9 (10A) everything fixed ,thank you.
Apr 7, 2021 at 1:34 PM (Merged)
Avatar
STRAILER
  • CERTIFIED EXPERT
  • 53,855 POSTS
Hello,

It sounds like you have a cold solder joint that is causing operational errors. I would remove the cluster and get a rebuilt one. here is a guide that will help you see what you are in for when doing the job.

https://youtu.be/_HEC44xENxw

Here is how it will be on your car.

Check out the diagrams (Below)

Please let us know what happens.

Cheers, Ken
Apr 7, 2021 at 1:34 PM (Merged)
Avatar
VKHALUS
  • MEMBER
  • 4 POSTS
My 2001 Honda Civic lx gauge cluster turns on, then turns off, then turns on again. Its affecting the tachometer, speedometer, fuel guage.
Apr 7, 2021 at 1:34 PM (Merged)
Avatar
KHLOW2008
  • CERTIFIED EXPERT
  • 41,814 POSTS
See if the following is of any help.

SELF-DIAGNOSTIC FUNCTION

The gauge assembly has a self-diagnosis function.

• The beeper drive circuit check
• The indicator drive circuit check
• The LCD segments check
• The gauges drive circuit check (Speedometer, Tachometer, Fuel gauge, Coolant temperature gauge)
• The communication line check (the coolant temperature signal line between the gauge and ECM/PCM)

ENTERING THE SELF-DIAGNOSIS FUNCTION
Before doing the self-diagnosis function, check the No. 9 (10A) fuse in the under-hood fuse/relay box and No. 10 (7.5A) fuse in the under-dash fuse/relay box.

1. Push and hold the trip/reset button.

2. Turn the lighting switch ON.

3. Turn the ignition switch ON (II).

4. Within 5 sec, turn the lighting switch OFF, then ON and OFF again.

5. Within 5 sec, release the trip/reset button, then push and release the button four times repeatedly.

NOTE:

• While in the self-diagnosis mode, the dash lights brightness controller operates normally.
• While in the self-diagnosis mode, the trip/reset button is used to start the beeper drive circuit check and the gauge drive circuit check.
• If the vehicle speed exceeds 1.2 mph (2 km/h) or the ignition
switch is turned OFF, the self-diagnosis mode ends.

THE BEEPER DRIVE CIRCUIT CHECK
When entering the self-diagnosis mode, the beeper sounds five times.

THE INDICATOR DRIVE CIRCUIT CHECK
When entering the self-diagnosis mode, the following indicators blink. Seat belt indicator, Door/trunk indicator, Brake system light, Low fuel indicator, Maintenance required indicator (USA), Washer fluid level indicator light (Canada), Oil pressure light and, A/T gear position indicator (except P, R, N).

THE LCD SEGMENT CHECK
When entering the self-diagnosis mode, the odo/trip segment blinks five times.

THE GAUGE DRIVE CIRCUIT CHECK
When entering the self-diagnosis mode, the speedometer and the tachometer, the fuel gauge, and the coolant temperature gauge needles sweep from the minimum position to maximum position, then return to the minimum position.

NOTE:
After the beeper stops sounding and the gauge needles return to the minimum position, pushing the trip/reset button starts the beeper drive circuit check (one beep), and the gauge drive circuit check again. The check cannot be started until the needles return to the minimum position. If the gauge needles fail to sweep, replace the gauge assembly.

THE COMMUNICATION LINE CHECK
In the self-diagnosis mode, after the odo/trip LCD segments check, the self-diagnosis starts the communication line check.

If all segments come on, the communication line is OK.

If the word "Error" is indicated, there is a malfunction in the communication line between the gauge assembly, the multiplex control unit, and the ECM/PCM.


ENDING THE SELF-DIAGNOSIS FUNCTION
Turn the ignition switch OFF.

NOTE:
If the vehicle speed exceeds 1.2 mph (2 km/h), the self-diagnosis
function ends.

If any of the checks do not function as specified, replace the gauge assembly.

© 2008 Mitchell Repair Information Co., LLC.
Apr 7, 2021 at 1:34 PM (Merged)
Avatar
VKHALUS
  • MEMBER
  • 4 POSTS
Thanks for the info, I did the self-diagnosis test, and the word "error" is indicated, and you said there's a malfunction between communication line between gauge assembly, and the ECM. So what do I do next, remove the gauge assembly and check the wires, or replace the whole gauge assembly.
Apr 7, 2021 at 1:34 PM (Merged)
Avatar
VIVICHO
  • MEMBER
  • 4 POSTS
Hi I a pretty similar issue, but selfdiagnostic does not show any error message and it works fine.sometimes everything turn off no RPM, no speed, just the break light is on.. and sometimes everything works fine but the odometer says 8888888. I think it could be a grounding but not sure where to look for. Any ideas or help on this,

thanks,
Apr 7, 2021 at 1:34 PM (Merged)
Avatar
VKHALUS
  • MEMBER
  • 4 POSTS
The best way to fix this instrumental panel problem is to replace it and get a new one, this might be illegal but i dont care, I dont want to spend hundreds of dollars to fix the broken one, instead i got one for free, and it works just perfectly. So when the mechanic says, "it (instrumental panel) will only work for that car only, cause there's a chip" then thats bs, cause he just wants more money from you. So just get a used instrumental panel on ebay or a junk yard, and all those electronic problems go away, trust me.
Apr 7, 2021 at 1:34 PM (Merged)
Avatar
KHLOW2008
  • CERTIFIED EXPERT
  • 41,814 POSTS
Yes, it is possible for the instrument cluster to be bad. The mileage can be recalibrated to the one on your vhicle to make it legal.
Apr 7, 2021 at 1:34 PM (Merged)
Avatar
VKHALUS
  • MEMBER
  • 4 POSTS
So, how do you recalibrate the mileage, because im selling my civic in a couple of months.
Apr 7, 2021 at 1:34 PM (Merged)
Avatar
KHLOW2008
  • CERTIFIED EXPERT
  • 41,814 POSTS
Apart from the dealer, I am not sure who does it in your area but if you ask around at parts outlets, they might be able to recommend someplace who can do it for you.
Apr 7, 2021 at 1:34 PM (Merged)
Avatar
VIVICHO
  • MEMBER
  • 4 POSTS
Hi I finally found the problem.. After a year of checking almost all the electric system I found the issue. At the beginning I was thinking that the fuel meter sensor ground was the issue but at the end it was not.
here is what I found:
The small piece of rubber that activates the cruise control switch in the clutch pedal was not there, so the circuit was always opened. It was leaking current and CPU on the gauge cluster was getting incorrect voltage levels from the MCU or fuse box. The CC switch is normally closed so it is always consuming current so when you put the key on ignition mode it absorbs current and provide what is exactly needed for the gauge cluster.

Hope it helps.
Apr 7, 2021 at 1:34 PM (Merged)
Avatar
KHLOW2008
  • CERTIFIED EXPERT
  • 41,814 POSTS
Thanks for the input.

It definitely is going to help others.
Apr 7, 2021 at 1:34 PM (Merged)
Avatar
NATHAN.D.BALK
  • MEMBER
  • 7 POSTS
Vivicho,
Where exactly is the small rubber piece that activates the cruise control switch. Is it up on the clutch where it enters into the car? Once I find that location, can I just place a new rubber piece there. Can I buy that piece at a hardware store? I guess I am just asking for some more details on how to fix the problem from your previous response on July 18th......

Hi I had the same problem.. After a year of checking almost all the electric system I found the issue. At the beginning I was thinking that the fuel meter sensor ground was the issue but at the end it was not.
here is what I found:
The small piece of rubber that activates the cruise control switch in the clutch pedal was not there, so the circuit was always opened. It was leaking current and CPU on the gauge cluster was getting incorrect voltage levels from the MCU or fuse box. The CC switch is normally closed so it is always consuming current so when you put the key on ignition mode it absorbs current and provide what is exactly needed for the gauge cluster.

Thanks
Apr 7, 2021 at 1:34 PM (Merged)
Avatar
KHLOW2008
  • CERTIFIED EXPERT
  • 41,814 POSTS
On the clutch pedal there is a bracket on which a rubber stopper should be installed. It is for cutting off the neutral start switch when pedal is release. Kindly take note that this is only applicable for manual transmission vehicles.

Quite often this stopper would disintegrate due to age. If you look at the brake pedal near the brake switch you should see something similar.

On way of testing is to start vehicle in neutral without depressing the clutch pedal. If engine cranks, the stopper should be missing.


Apr 7, 2021 at 1:34 PM (Merged)
Avatar
NATHAN.D.BALK
  • MEMBER
  • 7 POSTS
Thanks for the speedy response. I have another few questions if you don't mind.
I did more research on this rubber stopper. Are there two stoppers? One is very visible and one is actually at the top of pedal behind the metal framing? It looks like I need to remove the clutch to get a good view of where the top rubber stopper should be. Am I right on this? I can see the bottom rubber stopper is there. Should I remove the clutch to see about the top one? And if that rubber stopper is gone, do I just need to replace that. Some people have said you could hot glue a penny where the rubber stopper should be. Or is there a rubber piece I can buy for a few bucks? Thanks for such a speedy response.
Apr 7, 2021 at 1:34 PM (Merged)
Avatar
NATHAN.D.BALK
  • MEMBER
  • 7 POSTS
I was able to reach both the lower and upper rubber stopper. I think they are both fine, but maybe worn down a bit? For now I taped a penny on top of each stopper to make it thicker. The lower stopper pushes in a button when the clutch is not pushed. The upper stopper pushes in a bottom when the clutch is pushed in. What does each one do? I made both thicker and hope this helps. I got lost in the "Why" that Vivicho. Any more thoughts or explanations would greatly be appreciated.
Thanks
Apr 7, 2021 at 1:34 PM (Merged)
Avatar
KHLOW2008
  • CERTIFIED EXPERT
  • 41,814 POSTS
There are 2 stoppers because ther are 2 switches.

Item "B" is the clutch pedal position switch, for the cruise control.
Item "I" is the clutch interlock switch. This is for enabling the starter to be cranked when clutch pedal is depressed

If you depress the clutch pedal, you should be able to see both stoppers from under the dash.

Such stoppers should be available at less than 2 dollars a piece.

You can glue anything you want but anything that is hard would wear the brake switch plunger and damage it, which is a more expensive component.

Whatever you do, you need to ensure the adjustment is correct in order for the switch plungers to be fully depressed with sufficent clearance between pedal to master cylinder push rod.
Apr 7, 2021 at 1:34 PM (Merged)
Avatar
NATHAN.D.BALK
  • MEMBER
  • 7 POSTS
I added some soft padding to both stoppers to ensure that the buttons are fully pushed in when they are supposed to be. I will try this out and see if the dashboard gauges maintain accuracy and don't wig out. If they do flicker again, do you have any more ideas on how to fix the issue? Further, is this issue a BIG issue, or would you say it is more of just an annoyance? I don't know if I should be extremely worried about my car or just annoyed. Any more advice would be greatly appreciated. I am very thankful for this site and the info you have provided KHLow2008. Thanks
Apr 7, 2021 at 1:34 PM (Merged)
Avatar
KHLOW2008
  • CERTIFIED EXPERT
  • 41,814 POSTS
Buttons fully pushedin is one thing. Sufficient clearance for the clutch master cylinder push rod is another. If there is insufficient clearance, the clutch master cylinder piston would not be able to return fully and pressure would build up, resulting in the clutch selfapplying while driving.

The symptoms you are experiencing could be similar to what others have experienced but the cause could be different.

Go through trouble-shooting guide in above post again and se if you can come up with anything.

Apr 7, 2021 at 1:34 PM (Merged)
Avatar
SHAH82
  • MEMBER
  • 4 POSTS
Hi everybody,
I am having the same problem as described in the thread, but my car doesn't have cruise control, then where can be the problem? Will there still be the rubber thing under the clutch?
I got civic coupe 1.7(1668cc) 2001, made in America.
Mechanic said cluster/meter problem, he fixed it but still got the same problem. he said might be some bad earth with the body but he is not sure. Help pls.
Thanks
Apr 7, 2021 at 1:34 PM (Merged)