rear window defroster

2008 CHEVROLET IMPALA
98,060 MILES • 6 CYL • FWD • AUTOMATIC
Avatar
DJCHIN
  • MEMBER
  • 1 POST
My rear window defroster is not working when I push the button the light comes on but nothing happens any ideas on the problem? Where is the connection plug in at the window, in the car or inside the window?
Dec 27, 2010 at 11:17 AM
Advertisement
Avatar
RIVERMIKERAT
  • CERTIFIED EXPERT
  • 6,110 POSTS
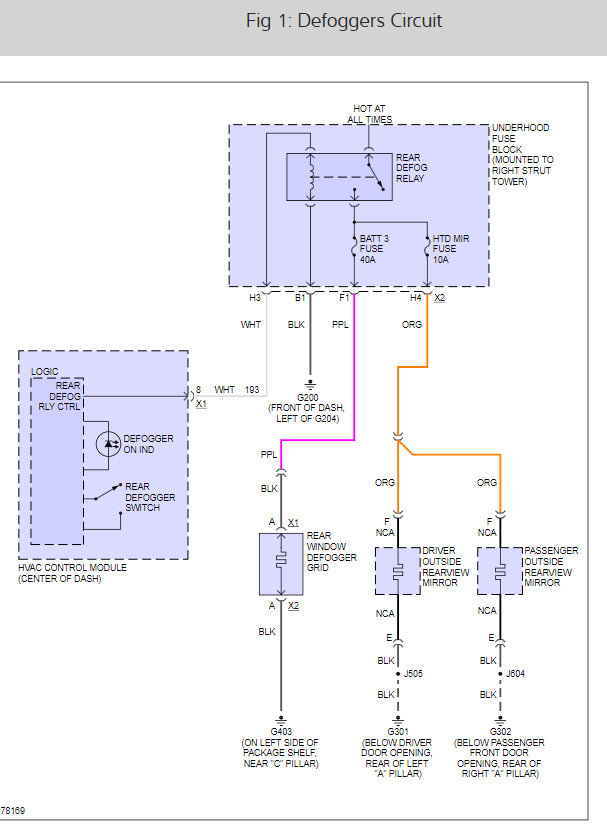
There is a defogger relay that sounds like it is not working. Here is a wiring diagrams and a guide to confirm the issue.

https://www.2carpros.com/articles/how-to-check-an-electrical-relay-and-wiring-control-circuit

The connectors for rear window defrosters are traditionally either at the bottom of the grid on both sides, top of the grid, or on the driver's side of the grid, visible just by looking at the rear window from inside the vehicle.

Oh, and make sure there is power on both sides of the switch when the switch is enabled. The switch could be defective internally, allowing the light to turn on, but not passing power out of the switch.

Check out the diagrams (Below)

Please let us know what you find. We are interested to see what it is.

Cheers
Sep 29, 2011 at 8:52 PM
Avatar
WOODNSOLDIER
  • MEMBER
  • 1 POST
Remove the passenger front kick plate, remove wiring harness, pull harness apart and usually the (2) purple wires you will find burnt, just run a jumper wire across from one side of harness to the other side, problem should be solved. good luck
Aug 25, 2015 at 5:48 PM
Advertisement
Avatar
STRAILER
  • CERTIFIED EXPERT
  • 53,855 POSTS
Hey,

Great addition to this thread! Please feel free to help out on the site whenever it can add information that will help.

Best, Ken
Mar 17, 2017 at 1:11 PM
Avatar
JOEBROUTHERS
  • MEMBER
  • 1 POST
When you push the switch the switch lights up but the rear window defroster does not work, bur if the car is started with the remote start the defroster does work until you turn the key on, then the defroster quits working
Mar 17, 2017 at 1:12 PM (Merged)
Avatar
HMAC300
  • CERTIFIED EXPERT
  • 48,601 POSTS
check items in pic if both are good and I'm assuming fuse will be have scanned for codes it may be control head causing problem.
Mar 17, 2017 at 1:12 PM (Merged)
Avatar
JASONR358
  • MEMBER
  • 1 POST
Electrical problem
2007 Chevy Impala 6 cyl Front Wheel Drive Automatic

The rear window defogger has stopped working, the indicator light comes on but the window never defrosts. I have checked the connections at the window and they appear intact. The window stopped working at the exact same time I had a rear break light and blinker light go dead. I replaced the lights and they work fine so I guess it was just a coincidence. Looking for any other suggestions. Is this possibly a bad fuse or poor connection somewhere? Thanks for any help you may be in advance.
Mar 17, 2017 at 1:12 PM (Merged)
Avatar
MHPAUTOS
  • CERTIFIED EXPERT
  • 31,937 POSTS
Hi there,

Carefully undo the wires at the gird, place a test light between the wires if it lights up the grid will be faulty, these can be repaired if not to bad, check this out first.

Mark (mhpautos)
Mar 17, 2017 at 1:12 PM (Merged)
Avatar
BOBBY5153
  • MEMBER
  • 1 POST
window element registers 12 on200k ohm scale and measures 4.6 volts at wire leads when disconnected from element. but won't defog
Mar 17, 2017 at 1:12 PM (Merged)
Avatar
MLDANIELS2000
  • CERTIFIED EXPERT
  • 227 POSTS
Voltage to defog needs to be around 12.6 volts. Check for pinched or cut wire.
Mar 17, 2017 at 1:12 PM (Merged)
Avatar
DBARSTOW
  • MEMBER
  • 1 POST
I have tested everything from the fuses to the rear window. It all came down to the relay once replaced the defogger works great.
Mar 17, 2017 at 1:12 PM (Merged)
Avatar
HMAC300
  • CERTIFIED EXPERT
  • 48,601 POSTS
here is apic enclosed, it's the right ip junction block.
Mar 17, 2017 at 1:12 PM (Merged)
Avatar
PJSPOOHBR
  • MEMBER
  • 3 POSTS
For past month my blower motor will just cut out...may last a day, may last a minute, then it will randomly come back on. In conjunction with this i have lost my rear defrosters. Any ideas?
Mar 17, 2017 at 2:08 PM (Merged)
Avatar
JOHNNYT73
  • CERTIFIED EXPERT
  • 924 POSTS
Do you still have the stock radio installed in the car?
Mar 17, 2017 at 2:08 PM (Merged)
Avatar
PJSPOOHBR
  • MEMBER
  • 3 POSTS
Yes...it's stock radio

I haven't had the recall on the ignition switch fixed yet either...
Mar 17, 2017 at 2:08 PM (Merged)
Avatar
PJSPOOHBR
  • MEMBER
  • 3 POSTS
Are u going to help answer my question or did I waste 5bucks
Mar 17, 2017 at 2:08 PM (Merged)
Avatar
JOHNNYT73
  • CERTIFIED EXPERT
  • 924 POSTS
Hello, sorry for the late reply. Sometimes my email notifications go to my spam folder. Thank you also for you donation.

Is the blower motor control and the defrost button on the same control head?
Mar 17, 2017 at 2:08 PM (Merged)
Avatar
JOHNNYT73
  • CERTIFIED EXPERT
  • 924 POSTS
If you remove the passenger side kick panel where the inside fuse box is, you will see a white connector below the fuse box. Disconnect the white connector. If your defroster isnt working and you dont have 12V at the rear window, your problem is most likely that this white connector burned out.
Mar 17, 2017 at 2:08 PM (Merged)
Avatar
STRIMPEL17
  • MEMBER
  • 1 POST
Electrical problem
2004 Chevy Impala 6 cyl Front Wheel Drive Automatic 33000 miles

can I sodder the rear defrost tab back to the window,were the plug connects to the window ,the sodder broke and now the defrost does'nt work
Mar 17, 2017 at 2:09 PM (Merged)
Avatar
RENAUDTN
  • CERTIFIED EXPERT
  • 636 POSTS
You can glue it back with special conducive epoxy type of glue.
Google 'rear defrost repair'; you'll find plenty of website telling you what to do.
Mar 17, 2017 at 2:09 PM (Merged)
Avatar
TONY MASC
  • MEMBER
  • 1 POST
rear defrost does not turn on
Mar 17, 2017 at 2:09 PM (Merged)
Avatar
MHPAUTOS
  • CERTIFIED EXPERT
  • 31,937 POSTS
With a multi meter check for an open circuit on the demister grid, check switch operation, check for power at the switch and power at the grid, start here.
Mar 17, 2017 at 2:09 PM (Merged)
Avatar
INDYCINDY
  • MEMBER
  • 1 POST
Heater problem
2001 Chevy Impala 6 cyl Front Wheel Drive Automatic 71000 miles
----------------------------------------------------------------
My rear defrost has stopped working. Any idea what could be wrong? The light on the dash says it's on but the window doesn't get warm.
Mar 17, 2017 at 2:09 PM (Merged)
Avatar
DENNYP
  • CERTIFIED EXPERT
  • 1,824 POSTS
It could be a broken wire in the window grid. You can find it by turning the defroster on and wiping fine steel wool across the grid. Look for small sparks when doing this. This will pinpoint the break in the grid. Repair kits are available.
Mar 17, 2017 at 2:09 PM (Merged)
Avatar
WAYNE BOREN
  • MEMBER
  • 4 POSTS
Electrical problem
2004 Chevy Impala 6 cyl Front Wheel Drive Automatic 42000 miles

Rear window defoster does not work.
Light comes on when button pushed. No noise at relay. Have power to relay on upper right terminal. Left upper right terminal when engine is started.
right lower terminal changes in resistance when activating defrost switch. no change in left lower.
Relay has been replaced and breaker was changed out with power seat breaker with no change. No power to grid on rear window when switch activated.
Mar 17, 2017 at 2:09 PM (Merged)
Avatar
RASMATAZ
  • CERTIFIED EXPERT
  • 75,992 POSTS
Hi Wayne Boren, Welcome to 2carpros and TY for the donation Check the HVAC control module rear defog relay control circuit and the radio antenna control module-see diagram below


https://www.2carpros.com/forum/automotive_pictures/12900_w1_18.jpg


https://www.2carpros.com/forum/automotive_pictures/12900_w2_14.jpg


https://www.2carpros.com/forum/automotive_pictures/12900_w3_11.jpg

Mar 17, 2017 at 2:09 PM (Merged)
Avatar
WAYNE BOREN
  • MEMBER
  • 4 POSTS
I mentioned in my email that I already have the diagram. Your diagram is unreadable an is too small to see detail because it is blurry. I was hoping that you could give me some pointers based on what I have check. The antena module does not affect reception as other people have mentioned. If I have power to the relay (and it has been replaced) then why doesn't it click when the button is activated?
Mar 17, 2017 at 2:09 PM (Merged)
Avatar
RASMATAZ
  • CERTIFIED EXPERT
  • 75,992 POSTS
I'm not aware of any email you have sent-I was asked to assist here-If you have the diagram-

Check the body control module it powers the coil side of the relay and the HVAC module grounds it -also the defog circuit goes thru the antenna module before it hits the grid-inspect the grid for open
Mar 17, 2017 at 2:09 PM (Merged)
Avatar
WAYNE BOREN
  • MEMBER
  • 4 POSTS
Do you need special equipment to check the body control module? I mentioned earlier that their is pwr to both top pins on the relay. Left side is for the coil so that tells me there is power. Does the body control module act as a ground to complete the circuit?
Mar 17, 2017 at 2:09 PM (Merged)
Avatar
RASMATAZ
  • CERTIFIED EXPERT
  • 75,992 POSTS
Its the HVAC module that grounds it-that's if you got power on the coil side of the relay

Yes you do -to check the BCM and the dealer has it
Mar 17, 2017 at 2:09 PM (Merged)
Avatar
WAYNE BOREN
  • MEMBER
  • 4 POSTS
I think it is the HVAC control module because a jumped the circuit across from the always hot to the rear window and it worked. Athough I would not recommend a paper clip because it get red hot. The relay is misleading because it is not set up the same a the diagram. It is in an X pattern. I will take it from here.
Mar 17, 2017 at 2:09 PM (Merged)
Avatar
RAY K
  • MEMBER
  • 1 POST
rear window defroster does not work even with button on (light lit up ) on 2002 chevy impala with small v-6 and 122 thousand miles
Mar 17, 2017 at 2:09 PM (Merged)
Avatar
RPAINT01
  • MEMBER
  • 1 POST
My rear defroster is no longer working. It barely worked for a while after I bought it in Jul 2006 (used). Now it's stopped working completely. I did have the battery replaced and it's possible that's when the defrost stopped completely, but I can't positively correlate the two items. I've also replaced the Rear Window Defroster Relay (passenger side fuse box) and that didn't solve my problem. I've checked grid continuity and I get 0 ohm reading (no breaks in the grid). I get 0 Volts across the connectors when the switch is on. The indicator light is illuminated when the switch is on as well. What should I check next? Thanks.
Mar 17, 2017 at 2:09 PM (Merged)
Avatar
RASMATAZ
  • CERTIFIED EXPERT
  • 75,992 POSTS
Very wel,l you got the basic idea on what's going on
Mar 17, 2017 at 2:09 PM (Merged)
Avatar
JOHN VINTI
  • MEMBER
  • 11 POSTS
Heater problem
2003 Chevy Impala 6 cyl Front Wheel Drive Automatic 89800 miles
----------------------------------------------------------------
What causes this fan motor to act like this: Sometimes when I start the car the fan runs normally. However the next time I start the car the fan will not run at all and the cruise light is on in the dash (even though the cruise is not on).Also the rear window defogger malfunctions.Then If I put the fan control to the highest setting the cruise light will go off but no matter what setting the fan control is set at, usually around 15 minutes driving time, the cruise light goes off and the fan motor turns on all by itself and everything starts working fine again. The wife thinks the car is Haunted!!! I said nonsense, lets ask someone who knows something.
Mar 17, 2017 at 2:09 PM (Merged)
Avatar
DENNYP
  • CERTIFIED EXPERT
  • 1,824 POSTS
Replace the ignition switch assembly. There is an intermittent loss of voltage on one of the circuits. I have seen this problem on multiple impalas
Mar 17, 2017 at 2:09 PM (Merged)
Avatar
JOHN VINTI
  • MEMBER
  • 11 POSTS
Hey dennyp thank you for your response. Is this some- thing I can do at home or strictly a dealer repair. Since the key is on the dash of this model I know it can be very difficult to get behind the dashboard. I imagine that's were the assembly is. Is it possible for a pretty handy "home mechanic"with plenty of tools?
Mar 17, 2017 at 2:09 PM (Merged)
Avatar
DENNYP
  • CERTIFIED EXPERT
  • 1,824 POSTS
I would recommend taking to the dealer since there is a possibility it could need theft system programming after the repair. It is also somewhat difficult to get into the dash. The repair procedure is too much info for me to post on here, so if you do it youself have a repair manual handy.
Mar 17, 2017 at 2:09 PM (Merged)
Avatar
BETTYYESTER
  • MEMBER
  • 2 POSTS
fan motor and rear window defrost don't come on all the time mechanic says it needs a ac heater control head which is 475.00 could it be anything cheaper
Mar 17, 2017 at 2:09 PM (Merged)
Avatar
JACOBANDNICKOLAS
  • CERTIFIED EXPERT
  • 110,175 POSTS
Make sure they have checked the switches. The rear defroster and fan motor are on different circuits.
Mar 17, 2017 at 2:09 PM (Merged)
Avatar
2CP-ARCHIVES
  • MEMBER
  • 4,540 POSTS
where is the rear defogger switch to turn on and off on my 2008 Impala
Nov 13, 2019 at 11:33 AM (Merged)