Alternator not charging why?

2008 CHEVROLET SILVERADO
150,000 MILES • 5.3L • V8 • 4WD • AUTOMATIC
Avatar
LYLE BELTON
  • MEMBER
  • 1 POST
The Gage shows charge above 14.5 volts and the will drop showing a discharge of 11v. When checking with a multimeter it shows its not charging. However the gauge show a drastic negative charge the goes over the 8.5v range is that normal for a 2008 Silverado?

Nov 10, 2015 at 6:46 PM
Advertisement
Avatar
HMAC300
  • CERTIFIED EXPERT
  • 48,601 POSTS
Hello,

It sounds like the alternator has gone out but to be sure this guide will help us confirm the issue with instructions in the diagrams below to help you.

https://www.2carpros.com/articles/how-to-check-a-car-alternator

Check out the diagrams (Below). Please let us know if you need anything else to get the problem fixed.
Jun 30, 2020 at 2:04 PM
Avatar
PAT5196
  • MEMBER
  • 2 POSTS
you can get an alternator for about $140.00 on Amazon, fixed my problem.
Jun 30, 2020 at 2:04 PM
Advertisement
Avatar
SINGRAM83
  • MEMBER
  • 1 POST
Recently had a drained battery and changed out the battery. A few weeks later, began receiving "Charging System Failure" warning. So I took it to auto parts store and ended up changing out the alternator.

Everything fine for a month, but then began dropping below 14 amps while driving down the road and going from cold air to warm air on all vents. Also occurs when sitting overnight (will have to let run for two to three miles before it will get enough amps to kick in air).

Auto parts and mechanics say that alternator and battery is still good, so no clue what is wrong.

Any ideas?
May 13, 2021 at 7:52 PM (Merged)
Avatar
STRAILER
  • CERTIFIED EXPERT
  • 53,855 POSTS
Hello,

It sounds like the alternator has gone bad, did you replace the unit with AC delco? If not I would change it out.

Also, check to make sure the battery cables are clean and tight. Here are two guides to help you get the problem fixed:

https://www.2carpros.com/articles/how-to-replace-an-alternator

and

https://www.2carpros.com/articles/everything-goes-dead-when-engine-is-cranked

Let us know what happens and please upload pictures or videos of the problem.

Cheers, Ken

May 13, 2021 at 7:52 PM (Merged)
Avatar
LONES11
  • MEMBER
  • 1 POST
In October I received a Charging System Failure message on my dash, and my volt gauge on the dash showed this to be true. I replaced the alternator and it worked fine for a few weeks. Then the same thing happened again and I replaced the alternator once again thinking it was the problem again. I also replaced the battery. The truck worked fine for a little while but my volt gauge is jumpy. Sometimes it shows 14.0v and seems to work fine. Other times it shows 12-13v. I brought the truck to a Chevy dealer and they didnt find anything wrong. Then a week ago I got the same Charging System Failure again and the volt gauge on my dash showed that I was losing power. I again brought the truck to the same Chevy dealer and they redid the connections that allow the alternator to charge the battery (connections in the red plastic transfer box between the battery and alternator). They claimed this was the issue. However, 3 days later I looked down on my dash and my volt gauge was showing 12v again.

Can anyone shed some light on this issue? I am tired of bringing this to mechanics that cannot fix the problem. I dont want to be stranded on the side of the road hours from home when I go fishing.

Thanks
May 13, 2021 at 7:53 PM (Merged)
Avatar
STRAILER
  • CERTIFIED EXPERT
  • 53,855 POSTS
Hey Lones11,

I would start be checking the fuses in the power distribution center, give them the wiggle test while the engine is running to see if the charging system responds. Next I am assuming you installed an AC Delco alternator becasue other will just fail. That's been my experience anyway. Next, check the battery and alternator wiring for corrosion.

There is a battery/alternator control module that might be bad, I have included some wiring diagrams so you guys can start looking and testing to make sure there is 12 volts where there should be.

https://www.2carpros.com/articles/how-to-use-a-voltmeter

Check out the alternator wiring diagrams below

Please run some tests and get back to us so we can continue helping you.

Best, Ken

May 13, 2021 at 7:53 PM (Merged)
Avatar
DOUG ROE
  • MEMBER
  • 1 POST
I did the tests you provided and found a bad positive battery cable causing the problem once I replaced it the system started charging good again. I love this site
May 13, 2021 at 7:53 PM (Merged)
Avatar
STRAILER
  • CERTIFIED EXPERT
  • 53,855 POSTS
Use 2CarPros anytime, we are here to help. Please tell a friend.

Cheers, Ken
May 13, 2021 at 7:53 PM (Merged)
Avatar
CHEVYCROWD
  • MEMBER
  • 3 POSTS
Had to take a long trip left out this morning everything was fine my battery light had come on and I started to lose battery juice. I found a parts store checked the alternator it was bad so we replaced it. Back on the road about another 600 miles it happens again but this time it also said charging system failure. Turned off the engine and turned it back over and the light was still on but the better seemed to be cranking at a better voltage. Went down the road a little ways and everything went back to normal? What do I need to do to make sure I make it back home?
May 13, 2021 at 7:53 PM (Merged)
Avatar
ASEMASTER6371
  • CERTIFIED EXPERT
  • 52,796 POSTS
Good afternoon,

You need to check the voltage at the battery with the engine running when the event happens.

https://www.2carpros.com/articles/how-to-check-a-car-alternator

It could a connection at the alternator or it could be the alternator itself.

What brand did you use?

Roy
May 13, 2021 at 7:53 PM (Merged)
Avatar
BMDOUBLE
  • CERTIFIED EXPERT
  • 1,139 POSTS
The voltage regulator in these alternators can trigger a check charging system light as well as the generator battery control module. I've attached a quick diagnosis guide that should help narrow down your problem. If you suspect the generator battery control module, you can just disconnect it until you get home and get a new one. As long as your operating voltage is greater than 13 but less than 15 you should be good to make it home.
May 13, 2021 at 7:53 PM (Merged)
Avatar
CHEVYCROWD
  • MEMBER
  • 3 POSTS
It's Ac/Delco brand. It will run okay for a little bit then the battery light comes back on. I don't have my meter on me to check it but will get the parts store to check it for me again.
May 13, 2021 at 7:53 PM (Merged)
Avatar
ASEMASTER6371
  • CERTIFIED EXPERT
  • 52,796 POSTS
When they check it, make sure they or you wiggle the wiring to see if it is a connection.

Otherwise, I would return the alternator for a replacement.

Roy
May 13, 2021 at 7:53 PM (Merged)
Avatar
CHEVYCROWD
  • MEMBER
  • 3 POSTS
Okay, thank you that's what we was thinking too. We are going to return it and replace it and hopefully it fixes it.
May 13, 2021 at 7:53 PM (Merged)
Avatar
KEITHBROOKINS
  • MEMBER
  • 1 POST
The volts read between 11v to 14.8v and has been measured independently by two meters, I have replaced the battery, I have replacer the alternator 3 times thinking I hade bad bebuild. The problem continues.
May 13, 2021 at 7:53 PM (Merged)
Avatar
RASMATAZ
  • CERTIFIED EXPERT
  • 75,992 POSTS
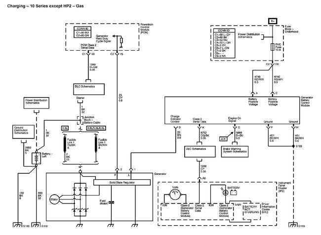
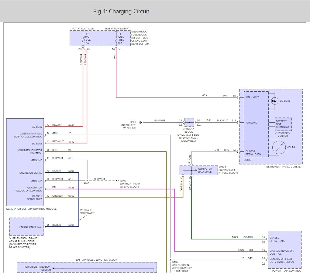
Check the underhood fuse block: RVC fuse 20amp and Ign fuse E 10 amp if both okay and wiring okay to and from the alternator your probable causes here could be the generator/alternator control module and the powertrain control module ( computer ) field generation duty cycle signal


https://www.2carpros.com/forum/automotive_pictures/12900_charging_system_silverado_1.jpg

May 13, 2021 at 7:53 PM (Merged)
Avatar
ASEMASTER6371
  • CERTIFIED EXPERT
  • 52,796 POSTS
You are welcome.

We are always glad to help.

Roy
May 13, 2021 at 7:53 PM (Merged)
Avatar
KENNY782
  • MEMBER
  • 8 POSTS
I had the exact same truck and it started moving around in the identical range you mentioned. Got a new alternator works perfect.
May 13, 2021 at 7:53 PM (Merged)
Avatar
EWALKER3
  • MEMBER
  • 3 POSTS
This past weekend I started receiving a battery not charging error on my dash. Mon. I replaced the alternator with the upgraded (145amps 12 o'clock plug in) after market one from autozone. Battery was replaced less than 10 months ago. The error went away, but today it came back. Is there anything else I can do or look at to stop this error?
May 13, 2021 at 7:53 PM (Merged)
Avatar
JDL
  • CERTIFIED EXPERT
  • 16,098 POSTS
It sounds like a bad connection or you have a fuse (IGN E or SEO IGN)out but to be sure here is a guide to help check the wiring and tha alternator wiring diagrams below with the alternator fuse location and the guide to tst it as well.

https://www.2carpros.com/articles/how-to-check-a-car-fuse

and

https://www.2carpros.com/articles/how-to-check-wiring

Check out the diagrams (Below). Please let us know what you find. We are interested to see what it is.
May 13, 2021 at 7:53 PM (Merged)
Avatar
EWALKER3
  • MEMBER
  • 3 POSTS
It's not given me a check engine light so I'm not getting any codes at all. I did check the voltage across tha battery and it's 12.5 off and 14.07 on. The voltage is the same at the alternator on the battery terminal.
May 13, 2021 at 7:53 PM (Merged)
Avatar
JDL
  • CERTIFIED EXPERT
  • 16,098 POSTS
I don't care about the check engine lite. Your saying you checked for codes and there wasn't any?

Take second reading across battery posts, engine running, The second reading should be higher than the first, is it? If it is higher, than the alternator is charging.
May 13, 2021 at 7:53 PM (Merged)
Avatar
EWALKER3
  • MEMBER
  • 3 POSTS
The voltage is higher when the car is running (14.07) than it is when it's off (12.5), but i'm still getting the error battery not charging. How am I soppsoed to check the codes if the check engine light is not on to activate the ECM to put out a code?
May 13, 2021 at 7:53 PM (Merged)
Avatar
DDC1012
  • MEMBER
  • 1 POST
Had a message come up saying, BATTERY NOT CHARGING is this the alternator or can it be something else? i have not changed the alternator before so it may be time. thank you
May 13, 2021 at 7:53 PM (Merged)
Avatar
BMRFIXIT
  • CERTIFIED EXPERT
  • 19,053 POSTS
Hello,

This light comes on when the alternator has gone out here is a guide to help check it with a video on how to change it out.

https://www.2carpros.com/articles/how-to-check-a-car-alternator

and

https://www.2carpros.com/articles/how-to-replace-an-alternator

and

https://youtu.be/d3dt5cQGhmM

Please let us know if you need anything else to get the problem fixed.
May 13, 2021 at 7:53 PM (Merged)
Avatar
DYPYZ0
  • MEMBER
  • 1 POST
My light just came on the dash and the gauge went to around 10 volts. I have battery voltage at the rear of the alternator, but the two wires that plug into the alternator are not hot: running or not. Should either of these two wire be hot.
May 13, 2021 at 7:53 PM (Merged)
Avatar
JAMES W.
  • CERTIFIED EXPERT
  • 2,394 POSTS
The two wires in question may or may not be hot, depending on your system. To check your alternator output, do the following.
With the truck at a warm idle, all accessories "off", meter on the 20 or 50 volt DC scale, test accross both posts of the battery. You should get a reading of 12.5 to 14.5 volts. anything below this, your alternator is bad.
Then, one at a time, with meter still connected, turn your accessories on ie; blower fan, headlights, AC. The meter should not drop below 12.5 volts. Hope this helps.
May 13, 2021 at 7:53 PM (Merged)
Avatar
PSJ011777
  • MEMBER
  • 34 POSTS
Just started happening two days ago, while driving the batter voltage will drop from 14 volts down to 9 volts making the indicator turn on then it will go back up to 14 volts clearing the light. This is a 2500HD has two batteries under the hood. This is my first diesel, always had gas up until now. i would normally think it is the alternator but with it going up and down i am not sure.
May 13, 2021 at 7:53 PM (Merged)
Avatar
STEVE W.
  • CERTIFIED EXPERT
  • 15,113 POSTS
Clean the connections on both batteries. Then have both load tested to be sure they are okay. GM ties them directly together so if one side has a bad connection and is not charging it will pull the other battery down. Check the connections on the alternator as well. Be advised that if you have one bad battery you will end up replacing both so they have the same ratings and the system works properly.

It could still be the alternator but start with the easy/free stuff first.
May 13, 2021 at 7:53 PM (Merged)
Avatar
DAVIDNOLAN
  • MEMBER
  • 1 POST
Today driving in to work my red battery light came on and I noticed the voltage meter down around 10 volts. Its normally sowing above 14 volts. I turned around to keep from getting stuck. About 4 miles down the road, almost home, the light went off and the voltage shot back up. I cant locate my repair book. I suspect the alternator is about had it. Is it possible for it to toggle on and off charging the battery and then not... ?Is there a voltage regulator built in to this alternator?

May 13, 2021 at 7:54 PM (Merged)
Avatar
RASMATAZ
  • CERTIFIED EXPERT
  • 75,992 POSTS
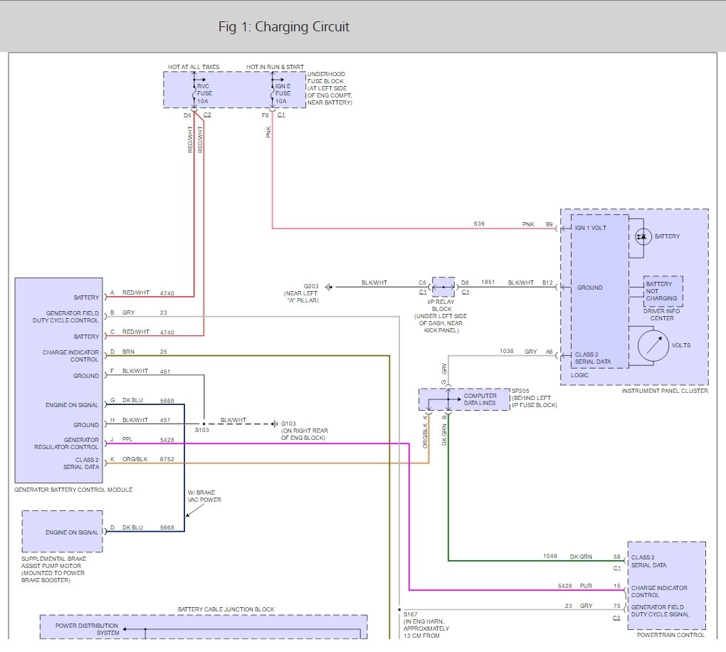
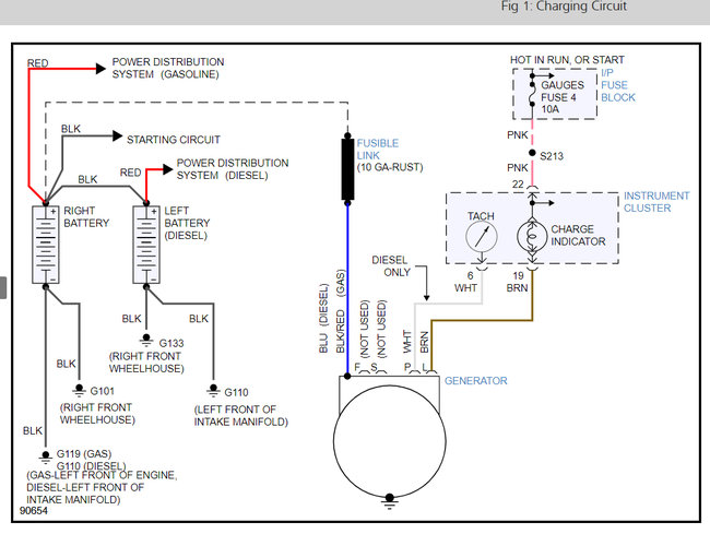
The problem could be coming from the computer's field generation control


https://www.2carpros.com/forum/automotive_pictures/12900_alty_33.jpg

May 13, 2021 at 7:54 PM (Merged)
Avatar
MITCHF
  • MEMBER
  • 5 POSTS
3 weeks ago my original alternator went out, since then I have replaced the alternator 3 times with 105 amps and it burned them all up, then I put a 145 amp in and it burned it up too. What is causing this Where do I look first?
May 13, 2021 at 7:54 PM (Merged)
Avatar
CARADIODOC
  • CERTIFIED EXPERT
  • 34,306 POSTS
Start with the very first reply unless the battery is less than two years old. It depends too on what you mean by "burning up". AC generators by their very nature are incapable of putting out more current than they're designed for. By installing a 145 amp generator you will not get any more current if the car doesn't need it, but if there is a defect that causes it to "full-field" or run wide open, you are likely to destroy the wire going from the output terminal to the battery. That wire size was chosen based on the generator the car was built with. Now it is capable of much higher current so you can expect more damage.

It is real common on 1987 and newer GM cars to go through four to six generators in the life of the vehicle and the way to reduce those repeat failures is to replace the battery at the same time. These generators develop huge voltage spikes that destroy the internal diodes and voltage regulator and can interfere with computer sensor signals. The battery is the main component that dampens and absorbs those spikes. As it ages, it loses its ability to do that, and you have numerous repeat failures. This assumes your term "burning up" simply means failing. If you mean wires are melting, the cause could be the same, meaning the voltage spikes are causing the voltage regulator to short and full-field the generator, or make it run wide open. That could result in wires melting, but if you have connections that are getting real hot, that is due to resistance. You solve that taking the electrical terminals off and shining all of them up to remove any corrosion.
May 13, 2021 at 7:54 PM (Merged)
Avatar
MITCHF
  • MEMBER
  • 5 POSTS
I have put two new batterys on my truck and I fully charged them to make sure. I found out thru research that the melting plastic came from putting that 145 amp alternator on. Should have stayed with the 105 amp but that's what I get from listening to parts people. When each alternator goes out they have a hotspot on them where the metal has gotten very hot in the alternator. All my terminals are brand new and clean. Where do I go now?
May 13, 2021 at 7:54 PM (Merged)
Avatar
CARADIODOC
  • CERTIFIED EXPERT
  • 34,306 POSTS
The larger generator will not cause higher output on its own. It only has a higher capacity, just like a hydraulic pump on a piece of construction equipment will only pump the volume of fluid needed, even though it has a higher capacity than the old one. To melt the plastic insulator at the output terminal you have to have current that is constantly very high, (which those parts are designed to handle), or there is excessive resistance which in this case can be way too small to measure accurately with an ohm meter. We can measure the RESULTS of that resistance in the form of "voltage drops", but one point we would need to put a meter probe is inside the generator and is not accessible. Voltage drop tests are commonly performed in starter circuits. Since your connections are new, we can assume excessive resistance in the connection is not the problem. That would leave a defect in the generator when it was rebuilt or something in the vehicle is drawing high current.

If the problem is with something the rebuilder did or overlooked, it is usually due a new inexperienced person doing the work and there will be a whole pile of them with the same problem until it comes to the company's attention. The failures will all occur the same way and in about the same time. You'll solve that by going to a different parts store.

If excessive current is the problem you can verify that with a load tester with an inductive amp probe but you would still have to know what "normal" is. If you have an obnoxious amplifier many kids use or if you've added a lot of lights or other accessories, those may draw high current.

If the voltage regulator is sensing low system voltage it will run the generator harder and that excessive current will go through the battery and overcharge it. Normally that is not a problem on GM systems because system voltage is monitored right inside the unit. The notable exception is on vehicles with digital instrument clusters. They are affected by minute changes in supply voltage so they tap off that point and run a circuit to one of the terminals in the generator's plug and monitor voltage there instead. A problem on the cluster or in that wire can cause overcharging. You'd find that by measuring battery voltage with the engine running and comparing that to the voltage on that terminal at the cluster. They should be the same.
May 13, 2021 at 7:54 PM (Merged)
Avatar
MITCHF
  • MEMBER
  • 5 POSTS
Well everbody I checked evrything that I could that yall said to and I could not find the problem so I took my truck to a generator shop that I had been knowing the owner for a while. He found the problem in about an hour. It was that red junction box where the battery cable and the alternator wire connect together. He said the nut was holding them together tight but over the years (2000 model) what was holding the bolt and box on had become loose and was causing a 2-volt voltage drop making the alternators put out more. He checked out the 145 amp alternator and said it was fine, no problems, thank god. I appeciate evrybody's help and effort in helping me get this problem resolved. I've leaned how to do a lot more stuuf thanks to yall. Oh yea, all he had to do was replace that red junction box. I am going to recommend this site to a lot of people. Talk to yall later.
May 13, 2021 at 7:54 PM (Merged)
Avatar
CARADIODOC
  • CERTIFIED EXPERT
  • 34,306 POSTS
VERY happy to hear it's solved. Things like that are hard to diagnose over a computer.
May 13, 2021 at 7:54 PM (Merged)
Avatar
MITCHF
  • MEMBER
  • 5 POSTS
I just want to say thanks again to the guys at 2carpros for helping me and teaching me new information and troubleshooting techniques for working on my truck. I take a lot of pride in my truck and take the best care of it. My round trip to work everyday is 120 miles, I've put 70,000 miles on that truck int he last three years. A lot of oil and filter changes. It's going to have to last me a while with the price of trucks these days.You guys have my respect and I will stay in touch, hopefully not for no major engine problems though, thanks again.
May 13, 2021 at 7:54 PM (Merged)
Avatar
NATESDOGG113
  • MEMBER
  • 1 POST
I need to figure out why my alternator is not charging my battery. It started out by my radio turning off, then my transmission was shifting hard, then my blinkers did not work then my truck started to stall. And that's in a matter of minutes of each other.

So, here's what I've tried. New battery, 2 new alternators, new negative and positive battery cables (along with the fusible link between the pos and alternator), checked all fuses and relays in both fuse boxes (visually and with dmm), checked continuity of all cables withing the charging system, tested starter at AutoZone(passed), and recently checked both alternator and battery at AutoZone and other than having to get my brand new battery recharged everything checked out good.

I have no idea what to do next and I have spent almost $500 on trying to figure this out.
May 13, 2021 at 7:54 PM (Merged)
Avatar
CARADIODOC
  • CERTIFIED EXPERT
  • 34,306 POSTS
Hi natesdogg113. Welcome to the forum. Start by measuring the voltage on the fat red or black wire on the back of the generator, and the small red wire in the plug when the ignition switch is turned to run.

Here is a wiring diagrams so you can see how the system works. Check out the diagrams (Below). Please let us know what you find. We are interested to see what it is.
May 13, 2021 at 7:55 PM (Merged)