Oct 16, 2018 at 1:19 PM
(Merged)
Cranks no start
1994 TOYOTA PICKUP
Advertisement
I have a 1993 toyota pickup with the 22re engine. I have 2 problems taht might be connected. First, in the mornings it takes about 20 mins for the engine to catch and run, i have to hit the gas repeatedly until i pretty much flood the engine before it will even try to catch, when it does start if i leave it in idle and stomp the gass it stalls out, and if i try to drive it without feathering the gas it sputters and if i left off it returns to a normal idle. It misfires occasionally on idle when the engine is warmed up. If any one can help we i would love you forever.
Okay, before I answer this, I hope you're a woman because if you love me forever and your a guy, well... lets say my door only swings one way. (LOL)
Okay, I have a couple ideas. I believe you are having trouble with either the temp sensor or the cold start valve. Before I get into how to check them, I need to make sure the truck is fuel injected and doesn't have a carb. My info talks about both.
Just so you know, the two are related. This may sound like a different language, but here is how it works. During cold engine starting, the cold start injector is used to supply additional fuel to the intake manifold to aid in initial start-up. The opening and closing of the injector is determined by the start injector time switch. When the engine coolant temperature falls below a certain point, the switch opens the cold start injector. As the engine coolant warms up, the switch will close the injector. That is why I am thinking it is one or the other or both.
Let me know about the carb or injector.
Okay, I have a couple ideas. I believe you are having trouble with either the temp sensor or the cold start valve. Before I get into how to check them, I need to make sure the truck is fuel injected and doesn't have a carb. My info talks about both.
Just so you know, the two are related. This may sound like a different language, but here is how it works. During cold engine starting, the cold start injector is used to supply additional fuel to the intake manifold to aid in initial start-up. The opening and closing of the injector is determined by the start injector time switch. When the engine coolant temperature falls below a certain point, the switch opens the cold start injector. As the engine coolant warms up, the switch will close the injector. That is why I am thinking it is one or the other or both.
Let me know about the carb or injector.
Oct 16, 2018 at 1:19 PM
(Merged)
Advertisement
Yeah its a fuel injection, i replaced the plugs wires and battery just fyi i dunno if that would make a diff,
and im a dude it was metaphorical lol
and im a dude it was metaphorical lol
Oct 16, 2018 at 1:19 PM
(Merged)
well it got a little warmer today around 70 and it still wouldnt catch, i tried puttin some ether through the intake and nothing, hooked up another car and tried to jump it nothing, jumped it with some ether and nothing, its a manual transmission so if i get going pretty good down a hill i can pop the clutch and it will run fine minus some few mis-fires here and there. its my only mode of transpo and its really hindering my income so if theres a quick easy cheap trick to check the cold start valve or maybe the fuel pump fuel filter im out of ideas.
Oct 16, 2018 at 1:19 PM
(Merged)
FUEL PUMP OPERATION 1. Install Jumper Wire (SST-09843-18020) between +B and FP terminals of data link connector. See Fig. 1 . The data link connector is located in engine compartment. 2. On all models, turn ignition on. Listen for fuel pump operating sound and feel for pressure in fuel line near fuel filter. Turn ignition off. Remove jumper wire. If fuel pump operates, check fuel pressure. See FUEL PRESSURE . 3. If fuel pump does not operate, connect a jumper wire from battery source to FP terminal of data link connector. If fuel pump operates, EFI main relay, EFI No. 2 relay, circuit opening relay or fuel pump relay may be defective. For explanation of relay operation, see FUEL PUMP CONTROL CIRCUIT . 4. If relays are okay, check wiring circuit and fuses. If fuel pump does not operate, check for defective fuel pump, open circuit between data link connector and fuel pump, or defective fuel pump ground or fuses. See appropriate wiring diagram in the WIRING DIAGRAMS article. Fig. 1: Installing Jumper Wire In DLC Courtesy of TOYOTA MOTOR SALES, U.S.A., INC FUEL PRESSURE 1. Ensure battery is fully charged and ignition is off. Disconnect negative battery cable. Disconnect electrical connector from cold start injector (if equipped). 2. Note location of fuel pressure gauge installation. See Fig. 2 . Place container under cold start injector pipe, deliver pipe or fuel filter. Cover union bolt with shop towel, and slowly loosen union bolt to relieve fuel pressure. 3. Remove union bolt and gaskets. Install Fuel Pressure Gauge (SST 09268-45012) using NEW gaskets. See Fig. 2 . Tighten union bolt. Reconnect negative battery cable. 4. Install jumper wire between +B and FP terminals of data link connector. See Fig. 1 . The data link connector is located in engine compartment. 5. Turn ignition on and note fuel pressure. Fuel pressure should be within specification. See FUEL PUMP PERFORMANCE table. 6. If fuel pressure exceeds specification, replace fuel pressure regulator. If fuel pressure is less than specified, check for defective fuel lines, connections, fuel pump, fuel filter or fuel pressure regulator. 7. Remove jumper wire from data link connector. Start engine and allow to idle. Disconnect and plug vacuum line at fuel pressure regulator. Note fuel pressure. 8. Reconnect vacuum hose on fuel pressure regulator, and note fuel pressure. Fuel pressure should be within specification. See the FUEL PRESSURE SPECIFICATIONS table. 9. If fuel pressure is not within specification, check for defective vacuum hose or fuel pressure regulator. Shut engine off and note fuel pressure. 10. Fuel pressure should hold at least 21 psi (1.5 kg/cm 2 ) for a minimum of 5 minutes. If fuel pressure does not hold as specified, check for defective fuel pump, fuel injector or fuel pressure NOTE: All models use in-tank fuel pump. Fuel pump contains internal relief valve and check valve.regulator. 11. Disconnect negative battery cable. Remove fuel pressure gauge. Reinstall union bolt using NEW gaskets. Tighten union bolt. Install cold start injector electrical connector (if equipped). Install negative battery cable. NOTE: For more information on checking fuel injectors and other fuel sub- systems, see SYSTEM/COMPONENT TESTS article.








Oct 16, 2018 at 1:19 PM
(Merged)
alright heres what i did, jumped the fuel pump through the check box worked fine, checked the fuel pressure, and it was within normal. checked the cold start switch and it read fine too, replaced the cold start valve cause the old one did not spit the fuel out, checked the new one and it works, now i can get it to run barely i have to sit there and crank on it for about 10 mins hitting the gas and it will cough and start, like its running on only 2 cyl for about 30 seconds and the revs its self up and runs on all 4, this doesnt always happen some days it will jsut keep turning over but never fire up
Oct 16, 2018 at 1:19 PM
(Merged)
Have you replaced the CTS(coolant temp switch)? It acts like a choke.
Oct 16, 2018 at 1:19 PM
(Merged)
[quote:1c9ebfe5f9="merlin2021"]Have you replaced the CTS(coolant temp switch)? It acts like a choke.[/quote:1c9ebfe5f9]
I have had several situations where the temp gauge inside the truck would vary wildly and removed the thermostat with no change. Very intermittant problem. Now I have all the symptoms of above.
As soon as I can get the multimeter I will check the CTS and report back.
I have had several situations where the temp gauge inside the truck would vary wildly and removed the thermostat with no change. Very intermittant problem. Now I have all the symptoms of above.
As soon as I can get the multimeter I will check the CTS and report back.
Oct 16, 2018 at 1:19 PM
(Merged)
my truck was running and the hood was i was looking into engine compartment when a loud bang occurred. all of the brake fluid evacuated from the reservoir and saw fluid poring out the passenger side of engine, truck will not start and am not quite sure what happened. will not hold any brake fluid, what is damaged ?
Oct 16, 2018 at 1:19 PM
(Merged)
[quote:50ed0c521a="doug29681"][quote:50ed0c521a="merlin2021"]Have you replaced the CTS(coolant temp switch)? It acts like a choke.[/quote:50ed0c521a]
I have had several situations where the temp gauge inside the truck would vary wildly and removed the thermostat with no change. Very intermittant problem. Now I have all the symptoms of above.
As soon as I can get the multimeter I will check the CTS and report back.[/quote:50ed0c521a]
Checked temp with lazer and found @48F and 38k/ohms. Seems like sensor is checking OK if I follow your chart correctly, but I wonder if there is a short in the line to the sensor. Could you tell me where the output is so that I may check it at both locations to see if there may be a short. Also, I thought of remove the CTS and check it variable water temps to check reaction to variance. Thanks Doug
I have had several situations where the temp gauge inside the truck would vary wildly and removed the thermostat with no change. Very intermittant problem. Now I have all the symptoms of above.
As soon as I can get the multimeter I will check the CTS and report back.[/quote:50ed0c521a]
Checked temp with lazer and found @48F and 38k/ohms. Seems like sensor is checking OK if I follow your chart correctly, but I wonder if there is a short in the line to the sensor. Could you tell me where the output is so that I may check it at both locations to see if there may be a short. Also, I thought of remove the CTS and check it variable water temps to check reaction to variance. Thanks Doug
Oct 16, 2018 at 1:19 PM
(Merged)
it sounds like the brake booster has failed. remove the hose from the booster and see if there is any fluid there.
Roy
Roy
Oct 16, 2018 at 1:19 PM
(Merged)
The sensor wires into the computer ECM/PCM. Is the check engine light on for either of you guys? ECM is behind right kick panel.

Oct 16, 2018 at 1:19 PM
(Merged)
thank you I will check that, if that's the problem will I need to clear codes or reset sensors to get my truck running
Oct 16, 2018 at 1:19 PM
(Merged)
now should i replace the coolant temp sensor (which i can get right down the street) or the coolant temp switch (which i have been unable to locate) and the engine light is on while its turning over but when it fires (which seldomly does) it will go out
Oct 16, 2018 at 1:19 PM
(Merged)
no, once the issue is resolved, the ecm clears itself.
Roy
Roy
Oct 16, 2018 at 1:19 PM
(Merged)
Measure the resistance of CTS, this will tell you if it's out of range. The sender between injectors is just for the dash gauge! CTS act like the choke...
Oct 16, 2018 at 1:19 PM
(Merged)
ok i replaced my coolant temperature sensor and still nothing it keeps turning over but does not "catch" and run.
Oct 16, 2018 at 1:20 PM
(Merged)
When it's running is the check engine light on, and your last complete tune up was? Check for a stuck open EGR and perform a compression test.
https://www.2carpros.com/dia/how_to_check_compression.htm
https://www.2carpros.com/dia/how_to_check_compression.htm
Oct 16, 2018 at 1:20 PM
(Merged)
Yes my light is on. I have removed the cover on my ECU and also the fuse box under the hood and fuse box at the drivers kick panel. I have yet to find any indictator light to count the "Flashes". Pulled the carpet back on both sids some. Looked under the dash well on both sides.
Do you think I have a bad LED fault code light?
Again today the truck starts and runs but as soon as the engine is warm it cuts off and will not start back.
I will check for a clogged fuel canister and check the Start Timer in the morning.
Do you think I have a bad LED fault code light?
Again today the truck starts and runs but as soon as the engine is warm it cuts off and will not start back.
I will check for a clogged fuel canister and check the Start Timer in the morning.
Oct 16, 2018 at 1:20 PM
(Merged)
I have just discovered that once I jump out the two connectors, then the check engine light will flash out the fault code.
Oct 16, 2018 at 1:20 PM
(Merged)
1988-95: Use a scan tool, or 1. Short terminals of Check Engine connector or service connector (depending on model) with suitable jumper wire. Make the jumper connection between terminals E1 and TE1. Some Check Engine diagnostic connectors are round and are located under the instrument panel. Others are rectangular and are usually located in the engine compartment. 2. Turn the ignitiion ON. Trouble codes will be indicated by flashes of the Check Engine light. Count the flashes to determine the code. If more than one code is present, codes will be separated by a long pause. Codes will continue to repeat as long as the jumper connection remains in the diagnostic connector. NOTE: If the light flashes on and off 4 times a second, there are no codes. DRIVING TEST MODE When a fault is first detected, a code is temporarily stored in the computer's memory. If the same problem is detected again during a second trip, the Check Engine light will come on. In order for this mode to store codes, the ignition switch must be turned OFF between the first and the second test. 1. Make sure the battery voltage is at least 11 volts, the throttle is fully closed, the transmission is in neutral and all accessories are off. 2. Use a jumper wire to connect terminals E1 and TE2 on the diagnostic connector, then turn the ignition ON. The Check Engine lamp should illuminate. NOTE: Test mode may not be entered if terminals TE2 and El are shorted after ignition switch is turned ON 3. Start engine and drive vehicle at 10 mph or higher. If vehicle is not driven vehicle speed signal code 42 and 43 may be set. 4. Simulate driving conditions that originally set code (if possible). 5. Turn vehicle off, remove jumper wire. The rejump terminals E1 and TE1 to read any codes that were set during the test drive. HOW TO CLEAR CODES Disconnect the computer fuse for 10 seconds, or use a scan tool to clear codes.

Oct 16, 2018 at 1:20 PM
(Merged)
well i fixed one problem, i changed out the fuel filter in a vague hope of getting it to start and it actually worked, starts fine when its warm takes like 5 seconds when its 51 degrees out, but as i was driving it home the back end started to shake and before i could do anyything i heard a break.. my tire still attached to the axle shaft decided to take its own journey down the road, waylaying a mailbox and a fence... ill have a picture up soon maybe you guys can help me figure out what i need besides the obvious wheel bearing
Oct 16, 2018 at 1:20 PM
(Merged)
Bad luck runs in three....be careful!
Oct 16, 2018 at 1:20 PM
(Merged)
Jumped out the E1 and TE1 terminal and never received the fault code. Must have cleared it with bad connection. Since then I have soldered the wire ends to produce a round end that fits better.
I can’t drive the Truck because it cuts off when warm. While idling it runs ruff. When I changed out my fuel filter the fuel that drained out of it was so dirty. I dumped the fuel from my tank and found some water. Flushed the tank and filled with fresh fuel.
When the rain ends I will start the truck and run until it shuts down and then check the spark by pulling a wire and attaching a spare spark plug. If fire is present I will try some fuel in the intake and see if it will start.
I don’t have the money to purchase a fuel pressure gauge and hope to find one I can borrow soon.
I can’t drive the Truck because it cuts off when warm. While idling it runs ruff. When I changed out my fuel filter the fuel that drained out of it was so dirty. I dumped the fuel from my tank and found some water. Flushed the tank and filled with fresh fuel.
When the rain ends I will start the truck and run until it shuts down and then check the spark by pulling a wire and attaching a spare spark plug. If fire is present I will try some fuel in the intake and see if it will start.
I don’t have the money to purchase a fuel pressure gauge and hope to find one I can borrow soon.
Oct 16, 2018 at 1:20 PM
(Merged)
Along with those two steps, check engine compression while all plugs are out!
https://www.2carpros.com/dia/how_to_check_compression.htm
https://www.2carpros.com/dia/how_to_check_compression.htm
Oct 16, 2018 at 1:20 PM
(Merged)
My truck will turn over but will not start. I checked all fuses, relays, spark plugs, and all that is good. I can roll start the truck and it fires right and I can drive it and it runs fine. It will not start with the key any ideas? I am stuck
Oct 16, 2018 at 1:20 PM
(Merged)
First test. Put it in neutral, do not touch the clutch and see if it starts. If it does test the clutch start cancel switch.
Find the ignition switch harness. Look for the black wire with a yellow trace. Connect a test light to it. Turn the key on. You should have power. Now turn the key to start, the light should stay on. as you turn the key. If it does not the ignition switch is bad. If it does jumper the black/yellow wire to the black with red trace at pin two on the cancel switch. If it starts now while holding the clutch down, the cancel switch is bad.
Find the ignition switch harness. Look for the black wire with a yellow trace. Connect a test light to it. Turn the key on. You should have power. Now turn the key to start, the light should stay on. as you turn the key. If it does not the ignition switch is bad. If it does jumper the black/yellow wire to the black with red trace at pin two on the cancel switch. If it starts now while holding the clutch down, the cancel switch is bad.
Oct 16, 2018 at 1:20 PM
(Merged)
I have power on the black wire with yellow trace the truck don't do any thing with it in neutral when I try to crank it the clutch cancel switch is good any other things I can check? And thank you for helping me out
Oct 16, 2018 at 1:20 PM
(Merged)
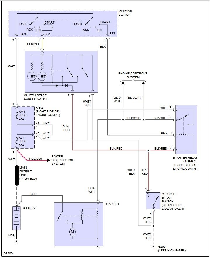
Well you can double check the starter relay, If you jump from the White wire Pin 5 to the Black/White wire Pin 3 that runs to the starter does the engine crank? If yes, apply 12 volts to Black wire Pin 1 on the start relay and see if the engine turns over when you step on the clutch.
If both of those work the wire to the switch or the start contacts in the ignition switch have failed.
I added a wiring diagram below.
If both of those work the wire to the switch or the start contacts in the ignition switch have failed.
I added a wiring diagram below.
Oct 16, 2018 at 1:20 PM
(Merged)
We've replaced the fule pump, sending unit, and fuel filter.
We know that when we crank the engine fuel pumps.
However, when we have the ignition in the on position no fuel is pumped. I don't know if that is normal.
Also the check engine light does not come on. I don't know where to go from here. Can you help?
We know that when we crank the engine fuel pumps.
However, when we have the ignition in the on position no fuel is pumped. I don't know if that is normal.
Also the check engine light does not come on. I don't know where to go from here. Can you help?
Oct 16, 2018 at 1:20 PM
(Merged)
Block the vane flap wide open in the airflow meter and attempt to start -let me know
Oct 16, 2018 at 1:20 PM
(Merged)
